- 易迪拓培训,专注于微波、射频、天线设计工程师的培养
多相交叉升压电路及其在有源功率因数校正技术中的应用
1 引言
在脉宽调制技术上发展起来的高频变换技术大大提高了电能的变换效率;缩小了电力电子产品的体积;减轻了其重量;从而降低了能耗;节省了材料。但因为高频脉宽调制变换技术大多采用电容滤波型整流电路(输入电流受滤波电容的影响为脉冲状态,如图1所示),所以功率因数低、输入电流谐波成分大,是公用电网中最主要的谐波源,对电力系统造成很大危害[1]。随着诸如开关电源、电子镇流器、电机变频调速装置及家用电器等大量电力电子产品的应用,电力系统出现了日趋严重的高次谐波电流污染问题[2]。另外大多数电力电子产品的功率因数低,这样就给电网带来额外的负担,造成零线发热,影响供电质量。同时还增加了用户的电费[3]。

(a) 电容滤波型整流电路

(b) 输入电流波形
图1 电容滤波型整流电路及其电流波形
抑制谐波和提高功率因数已成为电力电子技术所面临的一个重大课题,正在受到越来越多的关注。功率因数的提高不仅可抑制电网谐波,同时还可以降低输入电流及所消耗的功率,提高电网效率,改善电磁兼容性(EMC)。世界上许多国家和国际组织都对电力电子产品的功率因数及谐波成分作了限制。其中较有影响的是IEC5552标准及IEC1000-3-2标准[4],[5]。我国也于1984年和1993年分别制定了限制谐波的规定和国家标准[6]。
为了使电力电子产品的功率因数及谐波成分满足上述的规定和标准,可在整流桥和滤波电容之间加一级用于功率因数校正的功率变换电路,使输入电流为正弦波,从而提高功率因数,这就是有源功率因数校正技术。在用于功率因数校正的功率变换电路中,
最常采用的是升压式电路。尤其是在小功率(几十瓦至上千瓦)的电力电子产品中,采用升压式的有源功率因数校正技术可使交流输入电流与交流输入电压保持同相位,使功率因数接近于1[1]。但由于这种简单的传统升压式电路为单端电路拓扑,一般只适用于对输出功率为几十瓦至1千瓦左右的小功率电力电子产品进行有源功率因数校正,应用范围受到很大的局限。尽管在诸如分布式通讯电源等一些产品中,可通过电源模块的并联来实现较大功率的输出[7]。但必须对各并联模块进行较为复杂的均流控制,因此成本高,电路复杂。
本文所提出的多相交叉升压电路是一种新的,已获专利的多相升压电路拓扑(专利申请号No.00257426 & 00130365)。在有源功率因数校正技术中使用这种多相交叉升压电路拓扑,只需对控制电路做很小的改变,就可将采用有源功率因数校正的电力电子产品的输出功率扩展至2~3kW以上。多相交叉升压式的有源功率因数校正技术具有输出功率大,电路简单,成本低等优点。这种新电路拓扑的采用大大扩展了有源功率因数校正技术在电力电子产品中的应用范围。
2 多相交叉升压电路的几种基本拓扑结构
多相交叉升压电路为多端电路拓扑,既可以做成双端的推挽式(即二路交叉移相),也可以做成三端式(即三路交叉移相)以及四路,五路......直至N路(N≥2,整数)。从实用的角度来看,2路将会得到较广泛的应用。
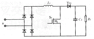
图2为推挽式升压电路拓扑。从图2可看出,它与图1所示的传统的单端式升压电路不同,推挽式升压电路由两路完全相同的单端升压电路并联组成。由两组相位相差180°的驱动信号分别去驱动功率开关器件S1、S2,使两路交叉导通。通过调节驱动信号的占空比,可在一定范围内调节输出电压。如采用同样容量的功率开关器件,其输出功率为单端式升压电路的2倍。

图2 推挽式升压电路
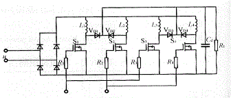
图3为双路并联推挽式升压电路拓扑。由两路推挽式升压电路直接并联,共用输入整流电路和输出电容。如采用同样容量的功率开关器件,其输出功率为单端式升压电路的4倍。只要驱动容量足够,可用同一组推挽的脉冲信号来驱动相应的4只功率开关器件。

图3 双路并联推挽式升压电路
多相交叉升压电路既可应用于单相交流电源的有源功率因数校正,也可应用于三相交流电源的有源功率因数校正。图4为由3个单相推挽式升压电路组成的三相推挽式升压电路拓扑。

图4 由三个单相推挽式升压电路组成的三相推挽式升压电路拓扑
3 多路交叉移相升压电路的工作原理
推挽式升压电路是最简单,也是最基本的多路交叉移相式升压电路。以下是对推挽式升压开关电路工作原理的叙述。其它多路交叉移相式升压电路拓扑结构如双路并联推挽式升压电路等可在此基础上推出。
[p]图2所示的推挽式升压开关电路可看作由两路输入端和输出端并联连接的单端式升压子电路组成。这两路单端式升压子电路分别由功率开关器件S1、电感L1、二极管VD1和功率开关器件S2、电感L2、二极管VD2组成。图5为推挽式升压电路的各点波形图。交流输入u经全波整流后的电压ud加到推挽式升压电路的输入端。由有源功率因数校正控制驱动电路提供的两组相位相差180°的驱动信号ugs1和ugs2分别驱动功率开关器件S1、S2,使两路交叉导通。从图5中可看出,与通常单端式升压电路不同,推挽式升压电路的输出电压是由两个完全相同的波形相移180°叠加而成。其输出功率可扩展为单端式升压电路的2倍。

(a)交流输入u

(b)全波整流后的电压ud
![]()
(c)功率开关器件S1的驱动信号ugs1
![]()
(d)功率开关器件S2的驱动信号ugs2

(e)功率开关器件S1上的电压uds1

(f)功率开关器件S2上的电压uds2

(g)输出电压uc(电容上的电压)
图5 推挽式升压电路的各点波形图
图3所示的双路并联推挽式升压电路由图2所示的两组推挽式升压有源功率因数校正电路直接并联组成。由两组相位相差180°的驱动信号ugs1和ugs2分别去驱动双路并联的推挽式升压电路中功率开关器件S1、S3和S2、S4,使双路并联推挽式升压电路中功率开关器件S1和S3分别与S2和S4交叉导通。双路并联推挽式升压电路的各点波形与推挽式升压电路的基本相同。其输出功率可扩展为单端式升压电路的4倍。
图4所示的三相有源功率因数校正电路拓扑中每一相所对应的推挽式升压电路的工作原理及相应各点的波形与单相推挽式升压电路的相同。
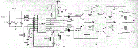
双端推挽式升压有源功率因数校正控制及驱动电路原理图如图6所示,由推挽式升压主电路和有源功率因数校正控制驱动电路组成。图中虚线框内为推挽式升压有源功率因数校正的专用控制电路,该电路由有源功率因数校正专用集成电路,分频器及驱动器组成。功率因数校正控制电路可采用任意一种有源功率因数校正专用集成电路,例如UC3854、MC34261、ML4812、TDA4814、CS3810等[3],[8]。由有源功率因数校正专用集成电路输出的脉宽调制信号经分频器给出两组相位相差180°的脉冲信号,使驱动器提供两组相位相差180°的驱动信号ugs1和ugs2分别驱动功率开关器件S1、S2,使两路开关即两路升压电路交叉导通。

图6 双端推挽式升压有源功率因数校正控制及驱动电路原理图
4 主电路实验结果的分析
实验采用最简单,最基本的多相交叉式升压电路——双端推挽升压式的电路。实验条件如下:
主电路功率开关器件采用IR的功率MOSFETIRFP460,耐压500V,最大电流20A。对应输出功率1kW,由2个主功率开关器件交叉组成。2个电感分别为1mH,采用材料为R2KB的EE40磁芯,电感中流过的电流为4A。对应输出功率2kW的电路,2个主功率开关器件分别由4个IRFP460并联组成,2个电感分别为0.5mH,采用材料为R2KB的EE55磁芯,电感中流过的电流为8A。对应输出功率4kW的电路,2个主功率开关器件分别由8个IRFP460并联组成,2个电感分别为0.25mH,采用材料为R2KB的EE65B磁芯,电感中流过的电流为16A。每路的开关频率为fs=100kHz。
推挽升压式电路的控制及驱动由PWM专用集成电路SG3525的两路输出经射随功放器来完成。图7为双端推挽升压式控制及驱动实验电路图。

图7 双端推挽升压式控制及驱动实验电路图
5 结语
双端推挽升压式电路的实验结果表明本电路适用于2~4kW电力电子产品的有源功率因数校正。具有成本低,控制电路简单的优点。同时减少了输出直流电压的脉动。是一种实用性很强的基本电路拓扑。
射频工程师养成培训教程套装,助您快速成为一名优秀射频工程师...

