- 易迪拓培训,专注于微波、射频、天线设计工程师的培养
基于半桥驱动器IR2153的荧光灯电子镇流器
0 引言
荧光灯的发光效率优于白炽灯已成为不争的事实,为此,近20年来,电子镇流器在世界范围内得到了迅速的普及和发展,各半导体厂家推出了众多的用于电子镇流器的驱动电路,本文介绍的电子镇流器基于IR公司开发的IR2153驱动器和摩托罗拉公司的MC33262功率因数控制器,是一种结构简单,成本低廉,可靠性高的解决方案。
1 自激式半桥驱动器IR2153介绍
IR2153是在IR2155和IR2151基础上推出的改进型的VMOS和IGBT栅极驱动器,它将高压半桥驱动器和一个类似于555时基电路的前端振荡器集成在一个8脚芯片上,使其成为一款功能更多,更易于使用的功率驱动IC芯片。如图1所示,脚CT兼有保护关断功能,可以用一个低电压信号使驱动器停止输出。另外,输出脉冲的宽度保持相等,一旦Vcc上升到欠压闭锁阈值,驱动器能以更加稳定的频率开始起振。通过降低栅极驱动器di/dt的峰值和提高欠压闭锁阈值的滞后电压到1V,使电路的抗噪性有了实质性的提高,同时,电路引脚的整体抗噪保护方面也有所改进。

图1 IR2153内部简化功能框图
2 功率因数校正电路
MC33262属于有源功率因数校正器,特别适用在电子镇流器和离线式开关电源中作预转换器用,如图2所示,其内部集成了许多控制功能:为便于该电路的单独使用而设有启动定时器;为实现接近于1的功率因数采用了第一象限乘法器;零电流检测能保证电路工作在临界导通方式;快速启动电路改善了电路的启动特性;还设有预校的参考电压源、跨导误差放大器和电流检测比较器;图腾柱输出结构非常适合用于驱动功率MOS管。此外,MC33262内部还集成了许多保护功能,如过压比较器能减少空载引起的失控输出电压;乘法器输出嵌位限制了最大峰值开关电流;驱动输出高位嵌位,实现了对MOS管栅极的保护;还有输入带滞后特性的欠压闭锁电路、连续限流特性和RS锁存为单脉冲测量等。

图2 MC33262内部简化功能框图
3 电路工作原理
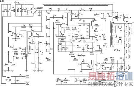
电子镇流器详细电原理图如图3所示,可分为EMI滤波、桥式整流、功率因数控制、半桥逆变器、灯谐振、启动和保护电路等部分。

图3 电子镇流器电原理图
3.1 输入EMI滤波电路
除过由F1A熔断器和RVP1压敏电阻组成的过流过压保护电路外,电子镇流器的输入电路主要是EMI滤波器。这是一个典型的两级复合式低通滤波电路,其中CP1~CP4滤波电容用于滤除串模干扰信号,C1和C2的一端分别接输出,另一端作为中点连在一起接地,能有效地抑制共模干扰,LP1和LP2为共模扼流圈,用于滤除共模干扰,它的两个线圈分别绕在低损耗、高磁导率的铁氧体磁环上,当有电流流过时,两个线圈上的磁场就会互相加强,LP1和LP2的电感量与EMI滤波器的额定电流有关,滤波器的谐振频率应当远远低于镇流器的工作频率。
3.2 变频控制电路
我们知道,荧光灯要经过预热,点燃才能进入正常发光工作状态。在这三个状态中,逆变器处于变频工作方式,首先,以比较高的频率对灯丝进行预热,使阴极达到发射电子的温度;然后,频率快速下降,当到达串联谐振频率时,产生的谐振高压使灯管瞬间击穿点燃;最后,稳定在工作频率上。IR2153的振荡频率可由式(1)决定,串联谐振频率由式(2)决定。
fo=
(1)
fr=
(2)
通过改变IR2153外接的CT有效电容可以实现频率的控制,因此,我们可以通过一个NPN三极管QN1的导通和截止,来切换两个振荡电容连接的方式,从而实现了频率控制。图3通电后,在电容器CC14充满以前QN1不导通,电容CC18和CC19串联决定了振荡频率,当电容器CC14充满后,DC18导通,QN1导通,电容器CC19不起作用,频率由电容器CC18直接接地来决定。
3.3 预热控制电路
通电后,DC18不导通前,QN1截止,IR2153以预热频率起振,QN2不截止,VCC经RC22给MO4栅极提供偏置电流使其导通,CO33与LO6起振,灯丝变压器工作,预热开始;随后,当CC14电压升高,使DC18导通后,QN1导通,使IR2153在正常工作频率振荡,同时,电流经RC21使QN2导通,MO4栅极电位到零,MO4关断,预热结束。
3.4 保护自锁与重启动电路
保护电路对镇流器使用过程中出现的异常现象进行保护,一般采用幅值检测保护原理,本镇流器保护功能较多,共有5种保护,其中从RC36引入的灯管过压保护;从RC37引入的灯管欠压保护;从DC19引入的电源高压保护和从QP6经RC15引入的电源低压保护4种,汇集到了MOS管MC5的栅极,当不发生保护时,MC5不导通,脚CT由IR2153内部提供分压,得到大约8V电压,工作正常;当4种保护中有任何一种发生时,MC5导通,OP7由于基极电位接地而导通,经RC33使脚CT电压降低,IR2153停止振荡,半桥电路关断,这时,即使保护撤离,由于MC5和OP7之间的互锁,也无法恢复脚CT的高电位,只有断电再启动,镇流器才能重新恢复工作。
从DC20引入的灯丝保护不同于其它4种保护,它没有保护互锁功能,因此可以重新启动,当灯丝烧断或灯管脱离后,QN3,QN4,QN5导通,其中QN3用来禁止保护和互锁电路,QN4接到脚CT,使IR2153停振,QN5使电容CC14放电,为重新启动做好准备,一旦新的灯管装上,QN3,QN4,QN5立即截止,启动过程重新开始预热、点燃并稳定工作。
3.5 电源VCC电路
本镇流器中IC电源的设计主要从降低功耗考虑,电路刚启动时,先由直流高压经齐纳管DC4和DC5降压,由RC14和DC7稳压供电,由于IR2153的微功耗启动特性,保证了电路正常启动,当IR2153起振后,由扼流变压器LO4的次级经两路倍压整流,一路经DC8及RC23给IR2153供电,另一路经DPF2及RPF4给MC33262功率因数控制器供电,当电路出现保护时,半桥电路停止工作,LO4次级停止提供电压,IR2153的供电又改为微功耗供电。显然,IR2153停振后,MC33262失电停止工作,这对功率因数控制器又是一种保护。
4 测试结果
图4是本镇流器配接OSRAM-FQ高亮T5灯管测得的灯管电压和灯丝电流波形图,功率为54W,所用仪器为远方HB5A型镇流器综合参数测试仪。

图4 灯管电压和灯丝电流波形
5 结语
现代电子镇流器是一项知识面宽且难度较大的技术,电路板上要输入交流220V电压,经过全波整流后输出300V直流高压,再经过功率因数校正器升压储能电感,则高达400V,设计中若元器件选用不当或调试中稍有不慎,将烧坏功率管,本方案中保护电路的设计,大大减少了出现异常烧管的机会。另外,对本电路中的重启电路和谐振电路稍加改动即可用于驱动双灯管,为此笔者将另外撰文叙述。
射频工程师养成培训教程套装,助您快速成为一名优秀射频工程师...
天线设计工程师培训课程套装,资深专家授课,让天线设计不再难...
上一篇:用开关电源给高速AD转换器供电的优缺点
下一篇:一种基于功率放大器的恒流源设计

