- 易迪拓培训,专注于微波、射频、天线设计工程师的培养
移相桥滞后桥臂实现零电压开关的方法综述
0 引言
全桥变换器(Full-bridge Converter)通常应用于功率大于400W的开关电源中,特别是在大功率的通信电源中应用比较广泛。但是,硬开关条件下的全桥变换器会带来很大的开关损耗,不利于开关频率和电源转换效率的提高。针对硬开关损耗大的问题,有人提出了移相控制方法。通过移相控制可以实现开关管的零电压开通和关断,从而大大改善了开关管的开通与关断条件,这样便可以提高开关的频率,减少电源的体积,提高电源的转换效率。
1 概述
移相全桥变换器如图1所示。要实现开关管的零电压开通,必须要有足够的能量用来抽走将要开通的开关管的结电容(或外部附加电容)上的电荷;并给同一桥臂要关断的开关管的结电容(或外部附加电容)充电;同时,考虑到变压器的原边绕组的寄生电容,还要抽走变压器原边绕组寄生电容上的电荷。

图1 传统零电压开关的移相全桥电路
由于超前桥臂在开关过程中有输出电流的参与,因此,很容易实现ZVS。而滞后桥臂在开关过程中,变压器原边是短路的,此时整个变换器就被分成两部分,一部分是原边电流逐渐改变流通方向,其流通路径由逆变桥提供;另一部分是负载电流由整流桥提供续流回路。负载侧与变压器原边没有关系。此时用来实现ZVS的能量只是谐振电感(漏感和附加谐振电感)中的能量。而谐振电感很小,因此,滞后桥臂开关管实现零电压开通比较困难。
2 非拓扑结构性改变的解决方法
从上面的分析可知,滞后桥臂的开关动作发生在回流过程向能量传送过程的转化阶段,由于输出电感电流不能反馈到原边,使滞后桥臂的开关管并联电容只能依靠变压器原边的谐振电感进行充放电,而谐振电感中存储的能量很小,使得滞后桥臂开关管实现零电压开通变得很难,特别是在低负载的时候更为明显。
要实现滞后桥臂的ZVS,必须满足LrI22>ClagVin2+CtrVin2,要满足它就必须增加谐振电感Lr和增加电流I2。这样,就有两种非拓扑结构性改变的方法可以解决滞后桥臂开关管零电压开通难的问题:增加励磁电流和增加谐振电感。但是,增加励磁电流会增加变压器的损耗,增加谐振电感又将引起副边占空比的丢失。为了更容易实现滞后桥臂的开关管零电压开通,达到既不增加开通损耗,又减少占空比丢失的目的,近来一些新的拓扑结构被提出。
3 滞后桥臂并联谐振网络的零电压开关移相全桥变换器
为了克服滞后桥臂实现零电压开关难的问题,同时又不会引起占空比的丢失和开通损耗的增大,文献提出了一种在滞后桥臂并联一个谐振电感和两个谐振开关的拓扑结构,如图2所示。开关的控制策略如图3所示。本拓扑在半个周期内有6个工作模态。

图2 滞后桥臂并联谐振网络的ZVS移相全桥变换器

图3 滞后桥臂并联谐振网络变换器的控制策略
模态1 S1及S2同时导通,滤波电感电流线性增加。
模态2 S1关断,原边电流抽取S3并联电容C3上的电荷,同时对S1并联电容充电,在充放电完毕,D3导通。由于输出电路电感很大,因此,流过滤波电感上的电流可以看作为一个恒流源。
模态3 在D3导通后,就可以零电压开通S3。此时,变压器原边电压变为零,副边电压也同时变为零,4个整流二极管同时导通,以维持输出滤波电感电流。
模态4 关断S2,利用存储在漏感上的能量抽取C4上的电荷,并给C2充电,当漏感很小,存储在漏感中的能量不足以抽取C4上的电荷,并给C2充电时,D4就不会导通,那么S4就不能实现零电压开通。为了使S4实现零电压开通,在关断S2前先开通Sa来建立谐振电流。
模态5 当谐振电流建立到足够大时,同时关断S2及Sa,这样有谐振电感和漏感上的能量一同提供充放电所需的能量,使得S4实现零电压开通。
模态6 当D4导通,就可以在零电压条件下开通S4,输出电流反馈到原边流过S3及S4。在谐振电感上的能量经过S4和Db回馈到电源。
后半个周期工作状态跟前半个周期一样。
本电路的优点是:
1)滞后桥臂能够成功地实现零电压开通关断;
2)开关的开通损耗比较低;
3)占空比丢损比较小。
本电路中,谐振电感的设计比较重要,如果谐振电感选择得过大,就容易引起不必要的开通损耗,如果过小,又不能够使滞后桥臂实现零电压关断。谐振开关的开通时间也要合理选择,才能在实现滞后桥臂的零电压关断的条件下又不引起过多损耗。
上面电路的主要缺点是在负载比较小的时候,实现超前桥臂的零电压关断比较困难;电路中增加了两个谐振开关,使电路成本增大;控制电路比较复杂;谐振电路的开关是硬开关关断,将会产生额外损耗;两个谐振电路都是与同一个桥臂两个开关管并联,使得电路阻尼震荡加剧。
[p]4 一种新的并联谐振网络的零电压开关移相全桥变换器
文献中也提出了一种并联谐振网络的方法,是将谐振网络分别与两个桥臂的下管并联,如图4所示。这样需调整一下控制方法,其控制策略如图5所示。S2及S4的开通时间为DT/2,而S1及S3的开通时间为(1-D)T/2,占空比的调节不需要移相,只要调整S2及S4的驱动信号的宽度就可以实现。由于S1及S3的开通处于能量传送过程,其并联电容上的电荷能够在它们开通前由原边漏感电流和副边耦合过来的电流抽掉,它们能够实现零电压开通,但S2及S4处于换流阶段,存储在漏感上的电流不足以使S4或S2的并联电容的电压降到零,这样需要借助谐振电路。在S2(S4)导通前,打开谐振开关Sa1(Sa2),在谐振电感上建立谐振电流,当S1(S3)关断时,就可以参与桥臂并联电容的充放电。这样电路中的4个开关管可以全部实现零电压开通。在该电路中,谐振支路与主开关管并联,可以实现任意较宽负载的零电压开关。由于可以减少漏感,从而减少了占空比的丢失。有源辅助电路种类的增加,使得选择最合适的电路并使设计达到要求成为可能。

图4 一种新的并联谐振网络的ZVS移相全桥变换器

图5 新的并联谐振网络的ZVS移相全桥变换器控制策略
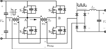
5 一种全新的PWM-ZVS-FB变换器
上述电路都有一个共同的缺点,即在轻载时实现零电压开关比较困难,并且增加了两个谐振开关,使得控制电路变得非常复杂。文献[4]中提出了一种全新的PWM瞆VS-FB变换器,如图6所示,变换器各点波形如图7所示。左桥臂是滞后桥臂,右桥臂是超前桥臂。左桥臂和左边两个电容(两个电容很大,可以看成是两个电压源),变压器T1构成一个半桥拓扑结构;左右桥臂和变压器T2构成一个全桥拓扑结构,左桥臂上下开关的导通时间为半个周期(死区时间忽略不计)。通过调节右桥臂与左桥臂开通和关断信号的相位,实现电压的调节。其滞后桥臂零电压开关主要通过变压器T1和变压器T2的励磁电流来实现。为减少占空比的丢失,将两个变压器的漏感取得比较小,变压器T1上的励磁电流波形如图8所示,因此,变压器T1的励磁电流的增大不会引起占空比的丢失,而变压器T2的励磁电流波形如图9所示,它的增大会引起开关导通损耗增加。为了降低占空比损失,避免引起过多的开通损耗,将变压器T1的励磁电流取得比较大,将变压器T2的励磁电流和两变压器的漏感取得比较小。由于输出电压等于变压器T1和变压器T2的副边电压值之和,当两个变压器副边电压和变为零时,开关S1上的电压已抽走了一部分,在原边被副边钳位后,S1上的电压不是Vin,而是低于Vin,使实现滞后桥臂开关管的零电压开通更加容易。由理想波形图图7分析可看出,由于两个变压器同时传送能量,该电路的输出电压的纹波也很小,这样输出滤波电感可以设计得很小,从而减少了设计成本和变换器的体积。

图6 全新的PWM-ZVS- FB变换器

图7 全新的PWM-ZVS-FB变换器各点波形

图8 变压器T1原边励磁电流波形

图9变压器T2原边励磁电流波形
该拓扑结构在没有增加任何开关管的情况下,成功实现零电压开关,而且由于变压器T1的存在,使得零电压开关可以在轻载时能够实现。同时又使输出的性能得到改善。
6 结语
传统移相桥通常用于大功率的开关电源中,其滞后桥臂开关管难以实现零电压开通制约着它的应用,为更好地改善滞后桥臂的开通条件,真正实现零电压开通,许多技术和拓扑被提出。本文通过对传统的移相PWM-ZVS-FB变换器的特点及其存在问题进行分析,并对最近出现的实现全桥零电压开关的解决方法进行详细的分析,比较了它们的优缺点。这几个方法和拓扑都大大改善了滞后桥臂的开通条件,特别是最后的那种方法不但实现了零电压开关,还改善了输出滤波条件,值得我们进行更深入的研究。
射频工程师养成培训教程套装,助您快速成为一名优秀射频工程师...
天线设计工程师培训课程套装,资深专家授课,让天线设计不再难...
上一篇:一种基于功率放大器的恒流源设计
下一篇:数字电源系统管理消除了“盲点”

