- 易迪拓培训,专注于微波、射频、天线设计工程师的培养
10kW全桥移相ZVSPWM整流模块的设计
0 引言
在大型发电厂中,由于需要的直流负荷比较大,蓄电池的容量通常都在2000A·h以上。若采用常规的10A或20A的开关整流模块,一般需要20个或10个以上的模块并联,并联数过多,对模块之间的均流会带来一定的影响,而且可靠性并不随着模块并联数的增加而增加,一般并联数最好在10个以下。目前,在电厂中大容量的直流充电电源采用相控电源的比较多,因此,很有必要开发针对电厂用户的大容量开关整流充电电源。本文介绍的10kW全桥移相ZVSPWM整流模块正是考虑了这种要求,它采用了加钳位二极管的ZVS-FBPWM直流变换技术,控制电路采用UC3879专用全桥移相控制芯片,同时在轻载时采用了降低开关频率等技术,具有重量轻,效率高等优点。
1 整流模块主电路设计与参数计算
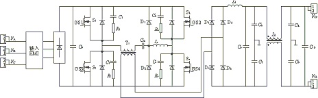
整流模块的主电路原理框图如图1所示,由输入EMI滤波器,整流滤波,ZVS全桥变换器,输出整流滤波和输出EMI滤波器等组成。

图1 主电路原理框图
图1中由开关管S1~S4,钳位二极管D1及D2,谐振电感Lr,隔直电容Cb,主变压器T1以及吸收电阻和电容等组成全桥移相ZVS变换器,其中S1及S3为超前管,S2及S4为滞后管。S1(S3)超前S4(S2)一定的角度,即移相角。S1~S4采用IGBT单管并联组成,开关频率为25kHz左右。
1.1 变压器参数的设计
由于设计的全桥移相ZVSPWM整流模块的最大输出功率接近10kW,若采用常规的铁氧体磁芯,由于功率比较大,磁芯不太好选择,实际设计中磁芯采用了超微晶磁环。和铁氧体相比,超微晶材质具有较高的饱和磁密(可达1.2~1.6T)和较低损耗和优良的温度稳定性等优点,非常适宜用作大功率开关电源的主变压器的磁芯。
本模块的输入输出指标为输入304~456V,输出198~286V/35A。
1)直流母线的最低电压Vdmin
Vdmin≈Vinmin×1.35=410.4V(1)
式中:Vinmin为三相输入电压最低值304V。
2)变压器副边的最低电压V2min
V2min=(Vomax+VD+Vr)/Dmax=(286+3+2)/0.95=306.3V(2)
式中:Vomax为模块输出电压最高值,取为286V;VD为整流二极管的压降,取为3V;Vr为变压器副边绕组内阻压降和线路压降,取为2V;Dmax为最大占空比,取为0.95。
3)变压器的变比n
n=Vdmin/V2min=410.4/306.3=1.33
实际变压器原边取为21匝,副边为16匝,变比为21/16=1.3125。
1.2 谐振电感Lr参数的设计
在全桥移相ZVS变换器中,在超前管S1(S3)的开关过程中,由于输出滤波电感L1与谐振电感Lr是串联的,而L1和谐振电感相比一般比较大,因此超前管很容易实现ZVS;而在滞后管S2(S4)的开关过程中,由于变压器副边是短路的,此时依靠谐振电感Lr的能量来实现ZVS,因此滞后管实现ZVS比较困难,一般设计在1/3满载负载以上实现零电压开关。
Lr=8CmosVdmax2/3I12[2](3)
式中:Cmos为开关管漏源极电容(包括外并电容),实际中取为3300pF;Vdmax为直流母线电压的最大值,取为
1.35×456=615.6V;
I1为滞后臂开关管关断时原边电流。
I1=(Iomax/3+ΔI1f/2)/n(4)
式中:Iomax为输出电流最大值,取为35A;ΔI1f为允许输出电感电流的脉动值,取为0.2×35=7.0A。
由以上数据计算可得Lr=24.7μH。
2 控制电路设计
控制电路采用了专用移相控制器件UC3879,原理框图如图2所示。

图2 控制电框图
图2中ISET为电流限流设定值,VSET为电压设定值,分别由微处理器产生;IO为输出电流值,VFB为输出电压反馈值;SHT为故障关机信号,IPR为原边电流采样值。
UC3879采用电流型PWM控制方式,把变压器原边电流引入到芯片内部,提高了模块的瞬态响应速度。UC3879输出的OA,OB,OC,OD4路信号再通过TLP250光耦组成了驱动电路,分别驱动S1~S4 4组开关管。OA/OB,OC/OD相位互补,OA(OB)分别超前OC(OD)一定的移相角。
由于本全桥移相开关管采用IGBT,电流关断时存在拖尾现象,开关管两端并联的电容比较大,导致空载损耗比较大。因此,在设计中采用了模块轻载时降低开关频率的方法,即在输出电流<0.5A时,使开关频率适当降低;而当输出电流>0.5A时,使模块开关频率恢复正常值。降频的实际电路如图3所示,IO′为输出电流值,IREF为设置的电流阈值。当输出电流超过设置的电流阈值时,Q1导通,UC3879的振荡电阻变为R28和R17(R17见图2)并联;而当输出电流小于设置的电流阈值时,Q1关断,UC3879的振荡电阻为R17。

图3 降频控制电路
实测样机在交流输入440V时,不降频的情况下,空载损耗有220W左右,而采用降频控制技术后,空载损耗只有130W左右。
3 实验结果
按照上述设计思想制作了2台试验样机,表1为其中一台实测的效率数据。
表1 实测效率

输入电压380V,输出电压240V。
图4为2A负载时超前管S1的驱动波形(CH1)和漏源极波形(CH2);

图4 2A负载时S1驱动波形与漏源极波形
图5为2A负载时滞后管S2的驱动波形(CH2)和漏源极波形(CH1),从图5可以看出滞后管还没有实现ZVS;

图5 2A负载时S2驱动波形与漏源极波形
图6为15A负载时滞后管S2的驱动波形(CH2)和漏源极波形(CH1),从图6可以看到滞后管已实现ZVS;

图6 15A负载时S2驱动波形与漏源极波形
图7为35A负载时变压器的原边波形(20A/div)。

图7 35A负载时变压器原边电流波形
4 结语
本文介绍的全桥移相ZVSPWM整流模块的开关管实现了ZVS,输出240V、35A时效率达到93.4%;而且由于采用了轻载变频的技术,使得空载损耗大为降低,具有广泛的应用前景。
射频工程师养成培训教程套装,助您快速成为一名优秀射频工程师...
天线设计工程师培训课程套装,资深专家授课,让天线设计不再难...
上一篇:性能优良的混合双路驱动器集成电路
下一篇:耦合电感拓展了
DC/DC
转换器的应用

