- 易迪拓培训,专注于微波、射频、天线设计工程师的培养
并联有源电力滤波器交流侧滤波电感的优化设计
0 引言
并联有源电力滤波器是一种用于动态抑制谐波和补偿无功的新型电力电子装置,近年来,有源电力滤波器的理论研究和应用均取得了较大的成功。对其主电路(VSI)参数的设计也进行了许多探讨,但是,目前交流侧滤波电感还没有十分有效的设计方法,然而该电感对有源滤波器的补偿性能十分关键。本文通过分析有源电力滤波器的交流侧滤波电感对电流补偿性能的影响,在满足一定效率的条件下,探讨了该电感的优化设计方法,仿真和实验初步表明该方法是有效的。
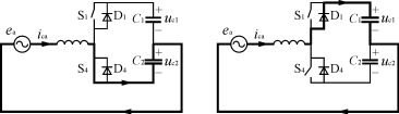
1 三相四线并联型有源电力滤波器的结构与工作原理
图1为三相四线制并联型有源电力滤波器的结构。主电路采用电容中点式的电压型逆变器。电流跟踪控制方式采用滞环控制。

图1 三相四线制并联型有源滤波器的结构
以图2的单相控制为例,分析滞环控制PWM调制方式实现电流跟踪的原理。在该控制方式中,指令电流计算电路产生的指令信号ic*与实际的补偿电流信号ic进行比较,两者的偏差作为滞环比较器的输入,通过滞环比较器产生控制主电路的PWM的信号,此信号再通过死区和驱动控制电路,用于驱动相应桥臂的上、下两只功率器件,从而实现电流ic的控制。

图2 滞环控制PWM调制方式实现电流跟踪的原理图
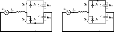
以图3中A相半桥为例分析电路的工作过程。开关器件S1和S4组成A相的半桥变换器,电容C1和C2为储能元件。uc1和uc2为相应电容上的电压。为了能使半桥变换器正常跟踪指令电流,应使其电压uc1和uc2大于输入电压的峰值。

(a)ica>0,dica/dt>0(b)ica>0,dica/dt<0

(c)ica<0,dica/dt<0(d)ica<0,dica/dt>0
图3 电压型逆变器A相工作过程图
当电流ica>0时,若S1关断,S4导通,则电流流经S4使电容C2放电,如图3(a)所示,同时,由于uc2大于输入电压的峰值,故电流ica增大(dica/dt>0)。对应于图4中的t0~t1时间段。
当电流增大到ica*+δ时(其中ica*为指令电流,δ为滞环宽度),在如前所述的滞环控制方式下,使得电路状态转换到图3(b),即S4关断,电流流经S1的反并二极管给电容C1充电,同时电流ica下降(dica/dt<0)。相对应于图4中的t1~t2时间段。

图4 滞环控制PWM调制器的工作状态
同样的道理可以分析ica<0的情况。通过整个电路工作情况分析,得出在滞环PWM调制电路的控制下,通过半桥变换器上下桥臂开关管的开通和关断,可使得其产生的电流在一个差带宽度为2δ的范围内跟踪指令电流的变化。
当有源滤波器的主电路采用电容中点式拓扑时,A,B,C三相的滞环控制脉冲是相对独立的。其他两相的工作情况与此相同。
2 滤波电感对补偿精度的影响
非线性负载为三相不控整流桥带电阻负载,非线性负载交流侧电流iLa及其基波分量如图5所示(以下单相分析均以A相为例)。指令电流和实际补偿电流如图6所示。当指令电流变化相对平缓时(如从π/2到5π/6段),电流跟踪效果好,此时,网侧电流波形较好。而当指令电流变化很快时(从π/6开始的一小段),电流跟踪误差很大;这样会造成补偿后网侧电流的尖刺。使网侧电流补偿精度较低。

图5 三相不控整流负载交流侧A相电流及基波分量

图6 指令电流与实际补偿电流波形
假如不考虑指令电流的计算误差,则网侧电流的谐波含量即为补偿电流对指令电流的跟踪误差(即图6中阴影A1,A2,A3,A4部分)。补偿电流对指令电流的跟踪误差越小(即A1,A2,A3,A4部分面积越小),网侧电流的谐波含量(尖刺)也就越小,当补偿电流完全跟踪指令电流时(即A1,A2,A3,A4部分面积为零时),网侧电流也就完全是基波有功电流。由于滞环的频率较高,不考虑由于滞环造成的跟踪误差,则如图6所示网侧电流的跟踪误差主要为负载电流突变时补偿电流跟踪不上所造成的。
分析三相不控整流桥带电阻负载,设Id为负载电流直流侧平均值。Ip为负载电流基波有功分量的幅值,I0=
Id。
下面介绍如何计算A1面积的大小,
在π/6<ωt<π/2区间内
ic*(ωt)=Ipsinωt-Id(1)
在π/6<ωt<ωt1一小段区间内,电流ic(ωt)可近似为直线,设a1为直线的截距,表达式为
ic(ωt)=a1-
×t(2)
ic(π/6)=ic*(π/6)(3)
ic(t1)=ic*(t1)(4)
由式(1)~式(4)可以求出a1及t1的值。
在π/6<ωt<ωt1(即1/600<t<t1)区间内,ic与ic*之间的跟踪误差面积A1为
A1=
(ic-ic*)dt=0.405![]()
同样可以求出A2,A3,A4的面积。
A2=0.405
由对称性,得到A3=A1,A4=A2
因此,在一个工频周期内,电流跟踪误差的面积A为
A=A1+A2+A3+A4=
+
(5)
这里假定上电容电压Uc1等于下电容电压Uc2,Usm为电网相电压峰值,L为滤波电感值(假设La=Lb=Lc=L),Id为非线性负载直流侧电流。
[p]3 滤波电感对系统损耗的影响
有源滤波器一个重要的指标是效率,系统总的损耗Ploss为
Ploss=Pon+Poff+Pcon+Prc(6)
式中:Pon为开关器件的开通损耗;Poff为开关器件的关断损耗;Pcon为开关器件的通态损耗;Prc为吸收电路的损耗。
3.1 IGBT的开通与关断损耗
有源滤波器的A相主电路如图7所示。假设电感电流ic为正时,则在S4开通之前,电流ic通过二极管D1流出,当S4开通后,流过二极管D1的电流逐渐转移为流过S4,只有当Dl中电流下降到零后,S4两端的电压才会逐渐下降到零。因此,在S4的开通过程中,存在着电流、电压的重叠时间,引起开通损耗,如图8所示。

图7 A相桥臂原理图

图8 开通损耗模型
由图8可知单个S4开通损耗为
P≈
dt(7)
开通损耗为
Pon=6×P=6×
×fs(8)
Iav=
|ic(t)|dt(9)
式中:ic(t)为IGBT集电极电流;Uc为集射之间电压(忽略二极管压降即为主电路直流侧电压);ton为开通时间;T0为一个工频周期;fs为器件平均开关频率;Iav为主电路电流取绝对值后的平均值。
类似可推得关断损耗为
Poff=6×
×fs(10)
式中:toff为关断时间。
3.2 IGBT的通态损耗
假设tcon为开关管导通时间,考虑到上下管占空比互补,可假设占空比为50%,即tcon=0.5Ts。
则通态损耗为
Pcon=6∑ic(t)Ucestcon/T0=3IavUces(11)
式中:Ts为平均开关周期;Uces为开关管通态时饱和压降。
3.3 RC 吸收电路的损耗
RC 吸收电路的损耗为
Prc=6×CsUc2fs (12)
式中:Cs为吸收电容值。
fs=
(13)
通过以上分析,可以得到系统总损耗为
Ploss=Pon+Poff+Pcon+Prc (14)
4 滤波电感的优化设计
在满足一定效率条件下,寻求交流侧滤波电感L,使补偿电流跟踪误差最小。得到如下的优化算法。
优化目标为 minA(Uc,L)
约束条件为 Ploss≤(1-η)SAPF (15)
应用于实验模型为15kVA的三相四线制并联有源滤波器,参数如下:
SAPF=15kVA,Vsm=310V,η=95%,
Id=103A,Iav=18A,δ=1A,
Cs=4700pF,Uces=3V,ton=50ns,
toff=340ns。
在约束条件下利用Matlab的优化工具箱求目标函数最小时L与Uc1的值。可得到优化结果为:跟踪误差A=0.1523,此时交流侧滤波电感L=2.9mH,直流侧电压Uc=799V。
5 仿真与实验结果
表1列出了有源电力滤波器容量为15kVA时,电感取值与补偿后网侧电流的THD的比较。
表1 不同电感L取值下仿真结果

图9,图10与图11是当Uc=2Uc1=800V,APF容量为5.2kVA时,电感L分别取7mH,5mH,3mH时的实验结果,补偿后网侧电流的THD分别为14.1%,18.3%,20.1%,与优化分析的结果相吻合。

时间5ms/div
( 上 ) 负 载 电 流iLa( 32 A/div)
( 中 ) 网 侧 电 流isa( 32 A/div)
( 下 ) 补 偿 电 流ica( 16 A/div)
图9 L取7mH时

时间5ms/div
( 上 ) 负 载 电 流iLa( 32 A/div)
( 中 ) 网 侧 电 流isa( 32 A/div)
( 下 ) 补 偿 电 流ica( 16 A/div)
图10 L取5mH时

时间5ms/div
( 上 ) 负 载 电 流iLa( 32 A/div)
( 中 ) 网 侧 电 流isa( 32 A/div)
( 下 ) 补 偿 电 流ica( 16 A/div)
图11 L取3mH时
6 结语
有源滤波器交流侧滤波电感直接影响谐波电流的补偿性能,因此,电感参数的选取十分关键,本研究基于15kVA的电力有源滤波器的实验模型,提出了一种优化设计交流侧滤波电感的方法,仿真和初步实验表明采用本方法选取的电感值,在满足一定效率的条件下,可获得较好的补偿性能,补偿后的网侧电流畸变率小。
射频工程师养成培训教程套装,助您快速成为一名优秀射频工程师...
天线设计工程师培训课程套装,资深专家授课,让天线设计不再难...
上一篇:多路接口与E1协议转换器设计与实现
下一篇:切换式LED驱动器调光技术

