- 易迪拓培训,专注于微波、射频、天线设计工程师的培养
D类音频系统中斩波运放电路的设计
1 引言
在D类音频放大器的运放电路设计中,信号的低谐波失真(Total Harmonic distortion)和噪声对运放的设计形成挑战。对于20~20KHz范围的音频信号而言,运放的失真主要是由电压失调和低频1/f噪声引起的。而CMOS工艺相对较高的1/f噪声和电压失调,使得这一问题尤为严重。当要求电路的失调电压低于1mV且输入等效噪声低于100nV/Hz时。普通的CMOS运放很难满足需求。而常见的静态失调消零技术,如trimming修调,虽然能很好地消除电压失调的影响,但是却不能降低1/f噪声。解决这个问题的最好方法就是采用动态消零技术(dynamic offset—cancellation techniques),如自动稳零和斩波技术。自动稳零技术(Auto zero tiechnique)是通过对低频噪声和失调进行采样,然后在运算放大器的输入或输出端将它们从信号的瞬间值中减去,实现对失调和噪声的降低。由于自动稳零技术使用的是电容采样的原理,因此在电路工作中极易将宽带热噪声折叠到基带频率内,并且运放的带宽越宽,采样电容上的噪声也越多,通常高达70nV/Hz。斩波技术(Chopper Technique)是采用调制和解调原理,将低频噪声和失调搬移到高频部分,使用低通滤波滤除,由于没有热噪声的混叠,因此运放的噪声电压比自动稳零技术的更低。但是斩波开关电荷注入和电荷馈通效应的影响,仍然可以产生100uV左右的残余电压失调(residual offset)。而且斩波开关的使用,器件的热噪声电平将会有所增加。
为此,本文在0.35微米N阱工艺的基础上,设计了单电源供电的全差分斩波运放电路,同时,为了减小残余电压的失调, 采用了T/H(跟踪-保持)解调技术,该电路在斩波频率150KHz工作时,输入等效噪声达到31.12nV/Hz。
2 斩波运放的工作原理
斩波运放的原理如图1所示,其中Vin是输入音频信号,被频率为fch,幅度为1的斩波开关调制,根据奈奎斯特采样原理,为了避免信输入信号的混叠,fch必须远大于2倍的信号带宽。

图1 斩波运放的原理
经过调制后,信号的被搬移到斩波方波的奇次谐波频率上。此信号被增益为Av的运算放大器放大,同时运放的输入噪声和输入失调电压也被运放放大,运放的输出经过幅度为1,频率为fch的斩波开关调制后,输出信号为:

从式(1)可以看出,经过第2次斩波后,输入音频信号被解调到低频段,而运放的电压失调和低频噪声只经过一次调制后被搬移到斩波方波的高频奇次谐波上,通过低通滤波后,输出信号中的高频分量被滤除,低频分量还原为音频信号,从而实现了对音频信号的精确放大。
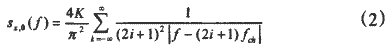
对输出信号进行傅立叶分析,得到运放的最终输入噪声谱密度(PSD)为:

其中系数K与工艺的噪声参数有关。
3 运放电路的设计
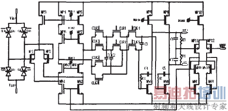
本文设计的斩渡放大器为CMOS全差分电路结构。由斩波开关、主运放电路、输出级和共模反馈电路四部分组成。电路的工作电压范围2.5V~5.5V。斩波运算放大器的电路结构如图2所示。

图2 斩波运放的电路结构
输入斩波开关完成对音频信号的调制作用,斩波开关在时钟上沿和下沿都会引入残余电压失调,图3为零输入时残余失调电压的波形。

图3(a)残余失调电压(b)斩波信号

图4T/H解调及控制时序
通过对CMOS开关特性分析可以得出等效输入残余失调电压为Vos,rmts=2Vspiketfch,其中t是MOS开关的时间常数,从此式可以看出消除残余电压失调有三种方法:
1.降低斩波频率:
2.减小输入电阻;
3.减小斩波开关的电荷注入效应。
由于MOS管1/f噪声的拐角频率一般都在几十KHz以上,减小斩波频率不能很好地对1/f噪声进行调制,而输入电阻只与信号源内阻有关,在设计中很难将输入电阻降低,因此只能考虑减小开关的电荷注入效应。为此输入斩波开关采用互补时钟结构,在尺寸上使用最小线宽,一方面能够减小传输的导通电阻,提供较大的电压摆幅;另一方面减小了电荷注入和馈通的影响,降低了残余电压失调。考虑到PMOS管比NMOS管的1/f噪声特性好,所以输入管MP1和MP2采用大面积的PMOS管,既能减小因器件的失配引起的电压失调,又可以降低晶体管1/f噪声的拐角频率,改善运放的噪声特性。
为了更小地降低残余电压失调,fold—cascode运放的输出采用T/H解调技术,电路结构和时序如图4。该电路的工作原理:在跟踪信号时K1~K4闭合,K5~K8断开,输出信号保持在电容C1和C2上,当电路输出时,K1~K4断开,K5~K8闭合,C1和C2的电压值加载到负载电容C3上求和。由于C2上的电压叠加到负载电容时经过了反向,因此放大器的残余电压失调能够有效地抵消。由于解调器采用高阻结点斩波。因此可以使用较小面积的NMOS管开关,减小对输出极点的影响。
发布者:小宇
射频工程师养成培训教程套装,助您快速成为一名优秀射频工程师...
天线设计工程师培训课程套装,资深专家授课,让天线设计不再难...
上一篇:恩智浦智能电表解决方案
下一篇:PS223在高性能ATX开关电源中的应用

