- 易迪拓培训,专注于微波、射频、天线设计工程师的培养
新颖的小功率集成的AC-DC转换器方案
随着半导体技术的不断进步,为系统设计师、电路设计师实现技术创新提供了一个先进的技术平台,从而有许许多多新颖的、时尚的便携式电子产品呈现在世人面前,像PDA、3G手机、各种个人电子医疗保健装置以及层出不穷的游戏机等等。这些便携式电子产品大多需要高档的开关电源来供电或充电,此外,还有许多先进的便携式仪器仪表,工控装置乃至像剃须刀这样的日常用具也需要开关电源。正是在这种背景下,PHILIPS推出了STARplug电源IC产品系列。
该系列不但满足了便携式电子产品微功耗、高可靠、微小型化等要求,还满足了使用安全性和环保的需求。
关于STARplug产品系列
STARplug有两个系列,即TEA152X系列和TEA162X系列(见表1)。TEA152X系列是早在2000年9月问世的,TEA162X系列则是对TEA152X系列的改进,并于2004年5月定型的,这两者在框图、电路结构、外引线排列及绝大多数电参数都是相同的。所不同的仅在芯片内部高压启动电流源上,TEA152X系列Icharge=1.5mA(典型值),TEA162X系列Icharge=500uA(典型值)。

STARplug采用多芯片结构。所有控制部分用BiCMOS工艺集成在一个芯片上,而功率部分则用EZ-HV工艺做在另一个芯片上,然后在同一个基片上优化组合而成。从制造工艺上看,飞利浦采用了先进的全氧化隔离工艺(或称介质隔离工艺),因此其有以下特点:
1. 可免除锁定效应(锁定效应是CMOS电路特有的一种失效模式);
2. 可以方便地在同一个芯片上实现模拟,数字和功率电路的集成;
3. 芯片面积也比标准的PN结隔离要小;
4. 漏电流极低,适于高温环境下工作;
5. 寄生电容小,通过衬底产生的串扰和EMC的概率很小;
6. 抵御外部电火花及反极性的能力强。
这些都有利于支撑STARplug的高性能和高可靠性。
从电路设计上看,一个重要的特点是提出了谷值转换的概念。
一般说来,功率MOS管耗散的功率是开关电源自身功耗的主要来源。它与电源的可靠性,稳定性,效率都密切相关。功率MOS管的功耗通常由三部分组成:
1. MOS管截止时的功耗,即VDS为高电平的功耗:这个功耗主要由漏极D和源极S之间的漏电流来决定,与芯片制造工艺有关,IDS(off)通常在微安量级,因此这部分功耗极低,一般可以忽略。
2. MOS管导通时的功耗,即VDS为低电平时的功耗,这个功耗主要决定于漏极和源极之间的导通电阻RDS(on)。这与芯片设计的几何参数有关。
3. MOS管动态功耗,即MOS管由截止向导通转换,或由导通向截止转换时的功耗。飞利浦的电路设计师,分析了上述公式,认识到要降低开关电源的动态功耗,只能由降低转换时的VDS和负载下降时的f入手。通常VDS为380V左右,如果利用电路谐振将VDS于谷底(接近于0V)时,使MOS管由截止进入导通,则MOS管的动态功耗将下降几个数量级。为此,在电路设计上,加上了谷值检测电路,一旦电路谐振,能正确地测出"谷底",并在VDS进入"谷底"之时,在栅极G和源极S之间输入经PWM后的脉冲上升沿。
上个世纪90年代的PWM芯片,工作频率f大多为固定频率。为了降低功耗,特别是降低待机功率,STARplug采取了可调变频率的灵活电路设计。用户设定的频率为满载时的工作频率。当负载下降时,工作频率也相应下降。从而保证了待机功耗低于100mW。
此外,STARplug系列芯片用高压电流源来启动,一旦IC进入正常工作状态,则高压电流源将自动切断,从而减少了电路的功耗。由此可知,电路的整个设计过程。都贯彻了一条减少功耗的思想,正是因为功率MOS管和控制部份都有效地大幅度地减少了功耗,因此就能够将功率器件和控制电路集成在一个封装中,有效地减少了外围元件。另外为了使电路能可靠地工作,还提供了完善的保护功能,包括了逐个周期过流保护、欠压锁定、过压保护、过温保护、绕组短路保护、退磁保护。
STARplug功能描述
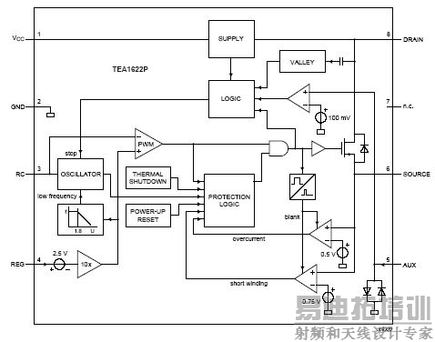
1. STARplug的结构
图1是STARplug的内部电路框图。不难看出,图中包括功率MOS管和控制电路两大部分。功率MOS管主要用来实现功率的传输和转换。而控制电路则肩负三大任务:
1. 实现所有保护功能的快速反应。
2. 谷值电平的准确检测。
3. 工作周期的控制(即PWM功能)。

图1:STARplug内部电路框图。
过压保护
在芯片的框图中,虽然没有为过压保护设计专门的通道,但这个功能是存在的。在实际应用过程中,一旦产生过电压,则必然将REG端的工作电平上拉,从而使初级绕组的工作行程 立即终止。只有当过压消除,REG端电压恢复到正常值,功率MOS管才能正常开关。
Starplug的应用
前已述及,STARplug有两种反馈方式,这两种方式就构成了STARplug作为反激式AC/DC转换器的两种典型应用电路。
图2是最简单最基本的应用电路,其特征就是由变压器的辅助绕组来反馈电网和负载的变化。
由图2可见,由整流桥和滤波器组成了电路的输入部分,并通过变压器初级绕组加到TEA162x的Drn端。显然,TEA162x是整个转换器的心脏,以下围绕TEA162x分析一下图2的各部分电路。
1. 由C3R2组成振荡电路
振荡电路元件的值是根据工作频率来确定的,STARplug的开关频率可在10kHZ到200kHZ之间工作,通常工作频率大都选在40~100kHZ之间。
频率选定了,则可按下式来计算元件值:
振荡器的充电时间tcharge,由STARplug的参数表中查出为1us。
至于RC的取值,可先选定C,然后再算R值,要保持电路的稳定,电容C必须大于220pF,但从效率方面来考虑,频率高时亦不宜将电容选得太大,例如200kHZ时,C取10nF,则振荡器的功耗达到12.5mW,这显然是不可取的。
推荐实例:开关频率取100kHZ,这时振荡器的时间常数为2.7us,C取330pF,R=7.5kΩ。
2. 过流保护和绕组短路保护电阻R3:
电阻R3设置了变压器初级峰值电流,也设定了最大传输的输出功率,电阻R3的值可用下式计算:
由STAR plug的手册可得知:
实例:一个3W的电源,开关频率为100kHZ,效率为75%,通过变压器的峰值电流为230mA(反射电压),则电阻R3设定为2Ω,限定峰值电流为250mA。
3. 稳压元件R4和R8:
在辅助绕组反馈的电路中,输出电压是受辅助绕组控制的。实际上在变压器中所有绕组都有同一个磁通变量,次级输出电压和辅助电压VCC是通过变压器的匝数比Na/Ns而关联的。VCC的电压信息又通过一个电阻分压器,即R4和R8提供给REG端的,因此,TEA162X直接稳定了VCC的输出电压,间接的稳定了输出电压。
这两个电阻的值可由下式确定:
为防止瞬时高压对REG的影响,推荐R4的值为3k-10kΩ之间。
4、退磁电阻R5:
这个电阻是用来限制流入Aux腿的电流的,根据产品的技术条件,流入Aux腿的最大电流为5mA,流出的最大电流为10mA,基于这点,产品的设计者给出了一个近似的估算式:
这个式子,不要从量纲上去考虑,仅作为一个经验的估算法。
5、供电电路C5、R6、D8:
前已述及,芯片内的高压启动电流源对电容C5充电,当充电电压达到电路启动电压9V以上时,TEA162x进行工作状态。C5的值应小1uF,实际上在所有的应用中都选用470nF。
与辅助绕组相连的二极管只需选用普通二极管。与二极管相连的电阻R6,是用来防止瞬时峰值电压的,其阻值要由实验确定,开始实验时可在56~560Ω之间选择。
图3是用光电藕合器来反馈的典型应用电路。从初级侧来看,其最大的区别就是在图3中用光电晶体管来取代图2中的电阻R8,而图3的次级则增加了发光二极管及其采样、驱动电路。
图2所示的AC/DC转换器适宜作电压源,其稳压精度与变压器各线圈的耦合度有关,大约在8%以内,对于那些对稳定度要求不高而对成本要求很高的场合,可选用此方案。
如果对稳压精度及其它参数要求较高的用户,如稳定精度要求达到1%左右的用户,则应采用图3所示的方案。
本文后记
近期的实践表明,STARplug已成功地在下列方面得到了应用:适配器产品系列:5V/1A,5V/2A,9V/1A,12V/1A等等,热工仪表,电力仪表,红外节水器具,LED灯驱动电源,DVD,机顶盒等.
发布者:小宇
射频工程师养成培训教程套装,助您快速成为一名优秀射频工程师...

