- 易迪拓培训,专注于微波、射频、天线设计工程师的培养
采用市电供电的LED驱动器
录入:edatop.com 点击:
LED的特点是工作电压低,即使是白光LED的工作电压也不会高于4V,相对于有效值220V的交流市电来说,就需要降压或限流。降压是通过工频变压器或高频逆变器将市电降低到与LED工作电压相匹配的电压等级,限流是通过电路的限流特性使得流过LED的电流达到合适的数值。前者是电压匹配,后者是电流匹配。就LED自身应用特性和有利于LED使用寿命而言,无论是电压匹配还是电流匹配最终均需要对电流进行控制,所不同的是电压匹配是将施加到LED的电压控制在LED工作电压数值上,这需要根据LED工作结温进行调节;电流控制方式则只控制流过LED电流值,无须考虑LED的串联数。
实际应用中经常需要多只LED串联应用,串联LED的总工作电压越接近电源电压,驱动器的运行效率越高,但随之而来的问题就是多只串联是否允许其中一只或数只LED损坏而不至于影响整个电路的工作。
照明用LED需要比较大的功率,在实际应用中会散发很多的热量,如果不能将LED发出的热量散发掉就会导致结温升高最终影响其光效和使用寿命。
与一般低电压直流电供电不同,市电供电不仅电压高,需要进行电压变换,而且还要将交流电整流成直流电,这使得市电供电的LED驱动电路会远比低压直流电LED驱动电路复杂的多,因此LED要步入照明领域就必须降低驱动电路的成本。由于市电供电的LED驱动器不需要隔离,因此采用非隔离变换器可以简化电路。
比较实用的市电供电LED驱动电路可以根据实际需要采用电容器限流、峰值电流型控制或电流时间迟滞型控制方式,也可以采用其他方式,其目的就是让LED可靠地工作,充分发挥其高光效、寿命长的特点。
采用电容镇流技术
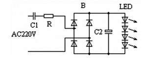
利用电容器限制电流可以在很多小功率电路中见到,如电动剃须刀的充电电路、电子电能表的辅助电源等。在市电供电条件下,LED驱动器的最简单实现方法是采用电容器镇流方式,电路如图1所示。其具有非常低的成本。
实际应用中经常需要多只LED串联应用,串联LED的总工作电压越接近电源电压,驱动器的运行效率越高,但随之而来的问题就是多只串联是否允许其中一只或数只LED损坏而不至于影响整个电路的工作。
照明用LED需要比较大的功率,在实际应用中会散发很多的热量,如果不能将LED发出的热量散发掉就会导致结温升高最终影响其光效和使用寿命。
与一般低电压直流电供电不同,市电供电不仅电压高,需要进行电压变换,而且还要将交流电整流成直流电,这使得市电供电的LED驱动电路会远比低压直流电LED驱动电路复杂的多,因此LED要步入照明领域就必须降低驱动电路的成本。由于市电供电的LED驱动器不需要隔离,因此采用非隔离变换器可以简化电路。
比较实用的市电供电LED驱动电路可以根据实际需要采用电容器限流、峰值电流型控制或电流时间迟滞型控制方式,也可以采用其他方式,其目的就是让LED可靠地工作,充分发挥其高光效、寿命长的特点。
采用电容镇流技术
利用电容器限制电流可以在很多小功率电路中见到,如电动剃须刀的充电电路、电子电能表的辅助电源等。在市电供电条件下,LED驱动器的最简单实现方法是采用电容器镇流方式,电路如图1所示。其具有非常低的成本。
![]() 图1 使用电容镇流的LED驱动器 该电路的原理为利用电容器的容抗限制回路电流值。在实际应用中,即使是多只LED串联,其工作电压相对市电电压而言也是很低的,电容器上的电压是绝大部分,因此可以近似的认为市电电压除以电容器容抗就是电容限流电路的电流。可以用15μF/A为标准来估算所需要的电容量。对于工作电流为20mA的LED驱动电路,仅需要0.3μF的电容。 接下来的问题就是将交流电整流成为直流电,因此图1电路中需要整流滤波电路。为了防止上电时电容器的浪涌电流对LED的冲击,需要在回路中串联电阻加以限制,同时在滤波电容器的选择上应注意其吸收了浪涌电流。 电容镇流的LED驱动电路仅适用于小功率LED照明应用,不适用于数瓦的LED照明,特别不适用于大电流的LED驱动。 峰值电流型控制方式 在没有专用LED市电驱动芯片时,可以利用峰值电流型开关电源控制芯片或开关电源芯片实现LED驱动电路。峰值电流型控制方式可以及时地在电感电流达到设定值时关闭开关管。应用单片开关电源NCP1010构成LED驱动器,电路如图2所示。
|






