- 易迪拓培训,专注于微波、射频、天线设计工程师的培养
采用电流差分跨导放大器的电流限幅器及其应用
通常,电流限幅器是处理非线性问题的一种变更方法。在模拟信号处理应用方面,电流限幅器是非线性元件和网络(如非线性电组器,不规则振荡器,精密整流器,逐段线性函数近似发生器)设计中的基本元件。
现在,有一种称之为电流差分跨导放大器(CDTA)的器件,这种器件是一种新的电流模式有源器件,它有两个电流输入和两种输出电流。此器件是用修正的差分电流传送器(MDCC)的差分特性和多输出跨导放大器合成,以便实现电流模式信号处理。因此,用CDTA做为有源元件实现了有源滤波器、振荡器和放大器。
希望非线性CDTA的其他应用,特别是在精密整流器,电流模式施密特触发器和电流模式倍增器中的应用。可惜,CDTA应用于合成电流限幅电路的实例不多。
本文描述CDTA做为设计简单电流限幅器的基本有源元件的应用情况。用CDTA的跨导增益gm可以编程传递曲线的断点和斜率。为了展示所提出的可调谐电流限幅器的通用性,在此给出电流限幅器在可编程电流模式精密全波整器和逐断线性函数近似发生器中的非线性应用。
电路描述
CDTA的电路表示和等效电路示于图1。下面的方程式表示CDTA的终端关系:
Vp=Vn=0
iz=ip-in
ix=gmVz=gmZziz
其中Zz是连接到输出Z的外部阻抗。通常,用供电偏置电流/电压可以在几十范围内线性调节gm值,这使得所设计的电路参量是可控制的。在此强调指出,在设计性能指标变化和集成电路形式下,电子可控制性变得非常重要。
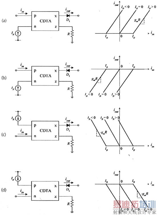
图2示出笔者建议的CDTA基电流限幅器的基本构建单元和相应的传递特性曲线。在图2a所示的电路中,iin是输入电流、IB是断点电流。假若iin≤IB,则二极管断路。由于没有电流流经二极管D1(ID1=0),所以,输出电流变为零(iout=0)。在iin> IB时,输出电流iout将流经二极管D1。因此,电路的输出电流iout与断点电流IB和增益gm的关系如下:
从方程(2)可见,传递特性曲线的断点和斜率,靠调谐电流IB和增益gm的值都可以进行电控制,这给出非线性函数近似设计中的更多灵活性。另外,根据相同的原理,图2b-d的电路,对方程(2)有类似的传递特性,这依赖于CDTA输出连接和二极管。
应用
图2所示的电流限幅器可有效地用于实现电流模式精密全波整流器(见图3和图4)。其中多输出电流跟随器级是从输入电流(iin),在同一方向产生多输出电流的电路。根据前面所述,CDTA基电流限幅器并置gml-1=gm2=gm,得这两个新电路的输入和输出电流关系:
这意味着图3和图4所示电路分别工作为正和负电流模式全波整器。有价值的是,传递曲线的斜率仍然可以继续靠调谐CDTA1的gm1控制传递曲线的负斜率、调谐CDTA2的gm2控制传递曲线的正斜率。
本文所示的电流限幅器,可以实现精密线性函数近似电路。做为一个实例,图5a示出所希望的传递特性,是由3个线性段组成。图2中每个CDTA基电流限幅器所需的各个斜率表示在图5a的下面部分。而实际的电路实现示于图5b。
注意,分别调节gm1R1,gm2R2和gmR3的值,可以很容易地确定构与有效传递特性的斜率S0,S1和S2。从以上讨论显然可见:可以合成任何非线性电路发生器。
结语
本文提出用CDTA做为有源元件合成电流限幅器的简单方法。所提出的CDTA基电流限幅器,可用于做为实现集成化非线性函数电路(如电流模式精密全波整流器,精密线性函数近似电路)的基本构建单元。所有得到的合成构建单元也具有所希望的特性,即通过改变CDTA的gm值,可以电调谐线性段的正和负斜率及断点。
![]() 图1 CDTA电路符号(a)和等效电路(b) |
![]() 图2 CDTA基电流限幅器构建单元 |
![]() 图3 正电流模式全波整流器电路(a)及传递特性曲线(b) |
![]() 图4 负电流模式全波整流器电路(a)及传递特性曲线(b) |
![]() 图5 精密线性函数近似电路(b)和传递特性曲线(a)
射频工程师养成培训教程套装,助您快速成为一名优秀射频工程师... 天线设计工程师培训课程套装,资深专家授课,让天线设计不再难...
上一篇:飞兆半导体Motion-SPM产品为美的集团全新银河系列低功耗直流变频空调优化功率设计 射频和天线工程师培训课程详情>>
|






