- 易迪拓培训,专注于微波、射频、天线设计工程师的培养
高清视频CMOS电流舵数/模转换器的设计
录入:edatop.com 点击:
0 引 言
在信号采集处理、数字通信、自动检测和多媒体技术等领域,数/模转换器往往是不可缺少的部分。近年来,电子通信市场的快速发展,尤其是高清晰电视 (HDTV)和无线通信网络的开发应用,大大增加了对转换器速度和精度的要求。高清晰电视逐渐在人们的生活中普及,为了使HDTV得到更好的性能,就要有更高速和更高精度的DAC,因为高速更有利于减少图像闪烁和眼部疲劳,高精度可使图像更清晰。同时还要求设计的DAC面积小,功耗低。然而现在人们生活中常用的HDTV用DAC的分辨率一般为8位或者更高,采样率为500 MHz左右。这里介绍一个适用于HDTV应用的新型8位DAC,采样率达到1.5 GHz,功耗为21 mW。
在一般的数/模转换器的设计中,译码结构通常采用分段结构。在一般的设计中,为了减少延时,通常使用锁存器,同时配合复杂电流源结构,这种结构通常需要较大的能耗,并且采样率不是足够高。为了得到更高的采样率和更好的线性度,在此基于TG结构,设计了单位电流单元矩阵和译码器电路,同时采用简单的电流单元电路设计。
1 结构选择
在此,采用电流舵型DAC设计。这是因为电压型DAC所需元器件多,开关层数也较多,一般用于低速转换器内;电荷型DAC随精度的升高,面积急剧增大,而且对寄生电容敏感;电流型DAC具有高速的优势,但不适用于低压电路。电流舵型DAC是对电流型DAC的改进,常用于分段电路中。
数/模转换器的译码方式一般分为二进制、温度计和分段式。温度计译码方式相对二进制译码方式,在减小DNL和INL方面有很大的优势,但是它的缺点是电路结构复杂。将二进制码和温度码结合起来,就产生了分段结构。在对匹配要求、高精度的高位采用温度计译码方式;低位采用二进制码方式,可以减少面积。这种分段结构既有二进制码结构简单的长处,又有温度码良好的线性特性。在这个设计中,提出使用电流源矩阵逻辑电路构成的高速8位DAC,根据Lin和Bult做了面积与分段比的关系图(见图1),为了在速度、分辨率、功耗、芯片面积、电路性能等多个方面得到一个折衷结果,分段的高6位采用温度计译码结构和低2位采用二进制译码结构。整个CS-DAC的结构如图2所示。
2 译码逻辑电路
在DAC设计中,电流源单元、译码器和消除毛刺(噪声)结构是重要部分,DAC的性能由这些部分决定。为了改进在高频率动态线性,在此提出由传输门和晶体管组成组合逻辑译码电路。
2.1 传输门逻辑
因为NMOS管可以通过逻辑变量0传输,PMOS管可以通过逻辑变量1传输,用这两个MOS平行放置构成互补结构。在此,可以得到传输门(TG),并且对于TG,逻辑变量0,1都可以很好的传输。大家都知道,译码器之间的延迟时间是毛刺发生的主要原因,并且与全部使用CMOS逻辑电路比较,用TG设计的逻辑电路性能更好,延迟更小。经过验证,所有二输入逻辑门的可由传输门和反相器组成。作为一个事例,实现与非门逻辑,全部CMOS技术要求6只晶体管,但采用TG结构只需要5只晶体管。在内在DAC芯片上,它有两个信号,并且有翻转信号,因此没有反相器的需要,因而二只晶体管被减少。实验结果说明,芯片面积和功耗的大大减少了。
2.2 逻辑译码电路
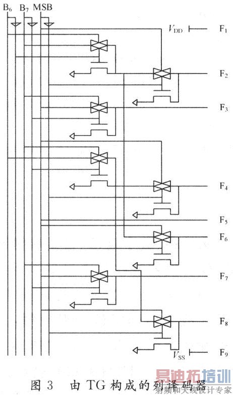
为减小功耗和减少延时,应该设计最少逻辑水平的行和列译码,运用TG逻辑电路组成3~8位行、列译码器。如此从高3位得到行译码器和从中间3位输入得到列译码器。运用TG的行译码器电路如图3所示。
用行列译码器进行译码,单位电流源是导通还是截止,共有三种情况。第一种是所在行和下一行都是"1",在这种情况下,无论列控制信号是否为"1",该电流源均被选中。也就是说,对应的电流源开关状态为接通状态。第二种情况是所在的行控制信号为"1",但是下一行的控制信号为"0",这时,电流源是否被选中,要根据列控制信号来决定。如果列控制信号为"1",则该电流源被选中;如果列控制信号为"0",则该电流源不被选中,处于截止状态。第三种情况是所在行和下一行的控制信号均为"0",那么不管其所在列的控制信号为多少,此电流源不会被选中,处于截止状态。TG构成的开关电路如图4所示。
电流源电路是DAC的重要部分,同时为了减小毛刺反应,下面将介绍减少毛刺的电路。
3.1 电流单元
一般常用的设计均采用减少电路噪声和降低电流源的复杂结构。例如,差分电路、偏置电路、参考电流等需要很多数量的晶体管。在这个设计中,使用一个简单的电流单元结构,并且电流源采用由二只晶体管组成的电流源单元。与其他芯片相比,电路的面积可以大大减小,如图5所示。
在基本的电流源单元,输出信号将是比较稳定的。在这个设计中电流源由开关电路输出信号控制,但输出信号不是足够的准确。因此,为了补偿这个缺点,同时改进电路的SNR,需要使用减少毛刺电路,如图7所示。
该文设计的DAC基于O.25 μm CMOS技术,8位高速DAC适用于高清晰视频使用,并且使用TG晶体管和电路级数的数量可以明显减少,同时使用TG结构也可使电路延迟时间有效地减少,且毛刺也被大大减少。结果显示:这个设计可以达到1.5 GHz采样率和21 mW低功耗。
具体参数指标如表2所示。
本文提出基于新型传输门(TG)结构组成的电流源单元矩阵、译码逻辑电路和一种适用于高清晰视频使用的高速8位CMOS电流舵数/模转换器(CS- DAC)。应用电流源单元矩阵结构和传输门结构的译码电路能有效减少毛刺等干扰信号;采用TG结构设计的电路,可使晶体管数量和电路的延时显著减少;基于 0.25μmCMOS技术的DAC电路设计,功耗仅为21 mW,采样率达到1.5 GHz。仿真结果表明,电路的积分线性误差(INL)范围为-2~+2 LSB,微分线性误差(DNL)为-1~+4 LSB。
在信号采集处理、数字通信、自动检测和多媒体技术等领域,数/模转换器往往是不可缺少的部分。近年来,电子通信市场的快速发展,尤其是高清晰电视 (HDTV)和无线通信网络的开发应用,大大增加了对转换器速度和精度的要求。高清晰电视逐渐在人们的生活中普及,为了使HDTV得到更好的性能,就要有更高速和更高精度的DAC,因为高速更有利于减少图像闪烁和眼部疲劳,高精度可使图像更清晰。同时还要求设计的DAC面积小,功耗低。然而现在人们生活中常用的HDTV用DAC的分辨率一般为8位或者更高,采样率为500 MHz左右。这里介绍一个适用于HDTV应用的新型8位DAC,采样率达到1.5 GHz,功耗为21 mW。
在一般的数/模转换器的设计中,译码结构通常采用分段结构。在一般的设计中,为了减少延时,通常使用锁存器,同时配合复杂电流源结构,这种结构通常需要较大的能耗,并且采样率不是足够高。为了得到更高的采样率和更好的线性度,在此基于TG结构,设计了单位电流单元矩阵和译码器电路,同时采用简单的电流单元电路设计。
1 结构选择
在此,采用电流舵型DAC设计。这是因为电压型DAC所需元器件多,开关层数也较多,一般用于低速转换器内;电荷型DAC随精度的升高,面积急剧增大,而且对寄生电容敏感;电流型DAC具有高速的优势,但不适用于低压电路。电流舵型DAC是对电流型DAC的改进,常用于分段电路中。
数/模转换器的译码方式一般分为二进制、温度计和分段式。温度计译码方式相对二进制译码方式,在减小DNL和INL方面有很大的优势,但是它的缺点是电路结构复杂。将二进制码和温度码结合起来,就产生了分段结构。在对匹配要求、高精度的高位采用温度计译码方式;低位采用二进制码方式,可以减少面积。这种分段结构既有二进制码结构简单的长处,又有温度码良好的线性特性。在这个设计中,提出使用电流源矩阵逻辑电路构成的高速8位DAC,根据Lin和Bult做了面积与分段比的关系图(见图1),为了在速度、分辨率、功耗、芯片面积、电路性能等多个方面得到一个折衷结果,分段的高6位采用温度计译码结构和低2位采用二进制译码结构。整个CS-DAC的结构如图2所示。


2 译码逻辑电路
在DAC设计中,电流源单元、译码器和消除毛刺(噪声)结构是重要部分,DAC的性能由这些部分决定。为了改进在高频率动态线性,在此提出由传输门和晶体管组成组合逻辑译码电路。
2.1 传输门逻辑
因为NMOS管可以通过逻辑变量0传输,PMOS管可以通过逻辑变量1传输,用这两个MOS平行放置构成互补结构。在此,可以得到传输门(TG),并且对于TG,逻辑变量0,1都可以很好的传输。大家都知道,译码器之间的延迟时间是毛刺发生的主要原因,并且与全部使用CMOS逻辑电路比较,用TG设计的逻辑电路性能更好,延迟更小。经过验证,所有二输入逻辑门的可由传输门和反相器组成。作为一个事例,实现与非门逻辑,全部CMOS技术要求6只晶体管,但采用TG结构只需要5只晶体管。在内在DAC芯片上,它有两个信号,并且有翻转信号,因此没有反相器的需要,因而二只晶体管被减少。实验结果说明,芯片面积和功耗的大大减少了。
2.2 逻辑译码电路
为减小功耗和减少延时,应该设计最少逻辑水平的行和列译码,运用TG逻辑电路组成3~8位行、列译码器。如此从高3位得到行译码器和从中间3位输入得到列译码器。运用TG的行译码器电路如图3所示。


用行列译码器进行译码,单位电流源是导通还是截止,共有三种情况。第一种是所在行和下一行都是"1",在这种情况下,无论列控制信号是否为"1",该电流源均被选中。也就是说,对应的电流源开关状态为接通状态。第二种情况是所在的行控制信号为"1",但是下一行的控制信号为"0",这时,电流源是否被选中,要根据列控制信号来决定。如果列控制信号为"1",则该电流源被选中;如果列控制信号为"0",则该电流源不被选中,处于截止状态。第三种情况是所在行和下一行的控制信号均为"0",那么不管其所在列的控制信号为多少,此电流源不会被选中,处于截止状态。TG构成的开关电路如图4所示。

电流源电路是DAC的重要部分,同时为了减小毛刺反应,下面将介绍减少毛刺的电路。
3.1 电流单元
一般常用的设计均采用减少电路噪声和降低电流源的复杂结构。例如,差分电路、偏置电路、参考电流等需要很多数量的晶体管。在这个设计中,使用一个简单的电流单元结构,并且电流源采用由二只晶体管组成的电流源单元。与其他芯片相比,电路的面积可以大大减小,如图5所示。


在基本的电流源单元,输出信号将是比较稳定的。在这个设计中电流源由开关电路输出信号控制,但输出信号不是足够的准确。因此,为了补偿这个缺点,同时改进电路的SNR,需要使用减少毛刺电路,如图7所示。

该文设计的DAC基于O.25 μm CMOS技术,8位高速DAC适用于高清晰视频使用,并且使用TG晶体管和电路级数的数量可以明显减少,同时使用TG结构也可使电路延迟时间有效地减少,且毛刺也被大大减少。结果显示:这个设计可以达到1.5 GHz采样率和21 mW低功耗。
具体参数指标如表2所示。

本文提出基于新型传输门(TG)结构组成的电流源单元矩阵、译码逻辑电路和一种适用于高清晰视频使用的高速8位CMOS电流舵数/模转换器(CS- DAC)。应用电流源单元矩阵结构和传输门结构的译码电路能有效减少毛刺等干扰信号;采用TG结构设计的电路,可使晶体管数量和电路的延时显著减少;基于 0.25μmCMOS技术的DAC电路设计,功耗仅为21 mW,采样率达到1.5 GHz。仿真结果表明,电路的积分线性误差(INL)范围为-2~+2 LSB,微分线性误差(DNL)为-1~+4 LSB。
射频工程师养成培训教程套装,助您快速成为一名优秀射频工程师...
天线设计工程师培训课程套装,资深专家授课,让天线设计不再难...
上一篇:新型脉冲氙灯起辉预燃电源的研制
下一篇:基于MATLAB的单相桥式整流电路研究
射频和天线工程师培训课程详情>>

