- 易迪拓培训,专注于微波、射频、天线设计工程师的培养
三种快速动态响应的VRM拓扑分析比较
1 引言
随着半导体技术的不断进步和集成技术的发展,微处理器的集成度越来越高。为了获得高效率,微处理器的驱动电压呈低压化走势。从原来的3.3V降到1.8V~1.1V左右,最终将降到0.6V。另一方面,微处理器的功能越来越强大,其内部功能电路也越来越多,其要求驱动电流也越来越大,从以前的13A到30A~50A,以后将达到100A。同时为了节约能量,微处理器需要根据不同的工作状态急剧改变工作电流,达到50A/μS。而且由于微处理器本身的工作电压很低,其对工作电压的稳定度要求很高,50mv的电压波动就有可能引起电路的错误操作。在如此低电压,大电流,大电流变化率的条件下,要保持很高的电压稳定度(电压纹波限制在2%以内,对1.1V仅22mv),就需要微处理器的供电模块-电压调节模块VRM(Voltage Regulate Modle)具有很好的动态性能。
提高VRM动态响应速度的最简单方法是减小输出电感,增大输出滤波电容。然而,仅仅简单的减小电感,增大电容是行不通的。小的电感将会产生大的电流纹波,这将会引起一系列问题。首先,由于大的均方根电流引起的开关导通损耗;其次,需要大电容来保持电压稳定;还有开关损耗和电感铁芯损耗增加。而输出滤波电容值的增加将会使后面解偶电容值更多倍的增加,并且占用更大的PCB板面积。为了实现快速的瞬态性能,人们在控制上和拓扑上进行了大量的研究,从不同的侧重点给出了几种拓扑,下面将对其进行分析比较。
2 三类拓扑的分析比较
2.1 多相交错Buck拓扑
上面提到减小电感值,可以在瞬态时提高电流跟随速度,但是会增大纹波,从而引起一系列问题。对于传统VRM电路,其电感设计要求满足:
L≥10×(Vin-Vo)×D/Io×f (1)
其中D为占空比;Vin 输入电压;Vo 输出电压;Io 满载电流;f开关频率
由(1)式知电流纹波限制在10%。为了减小电感值,必须减小电流纹波。人们提出了多相交错并联技术,来实现这一目的。
图一为两相交错Buck拓扑,其每相都有一个自己的输其纹波出电感。消除作用如图二所示。其两相作用的结果使输出电流的实际纹波频率为每相开关频率的两倍,而纹波大大小于每相电流的纹波。按照图三给出的占空比、相数、纹波的关系,当占空比为0.5时纹波完全消除。
![]() 图一 两相交错Buck拓扑 |
![]() |
![]() |
同样根据图三给出的关系当占空比很小时,要实现较好的纹波消除效果,相数就要变得很大。这样不仅电路复杂,而且由于驱动损耗,开关损耗,开关导通损耗,效率也将降低。为此人们提出了多相有源钳位耦合Buck电路,来提高占空比。而在Vin/Vo值很大的情况下,人们采用变压器来提高占空比,而在副边采用倍流技术(倍流技术实质上是两相交错技术)来进一步减小纹波。
综上所述,多相技术从消除纹波的角度出发,来减小滤波电感,从而获得比传统VRM好的多的动态性能。
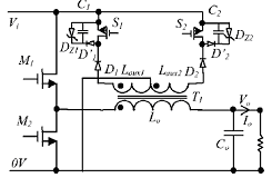
[p] 2.2 采用步进电感的变换器拓扑
多相技术从消除纹波的角度出发的。那么能不能直接从改变电感值的途径,来达到很好动态性能呢?为此人们提出了一种单相采用步进电感技术的VRM[4]。其电路图如图四所示。S1,S2,Lo,Co组成基本的BUCK电路。
M1,M2,C1,C2,D1,D2,D1’,D2’,Dz1,Dz2,Laux1和Laux2组成辅助电路,来改善变换器的动态速度。Laux1, Laux2和Lo是耦合电感。在稳态时辅助电路不公作。在Step—up负载突变时,M1导通,Vi使Lo饱和,使Lo相当于短路,使输出电感值减小到Lr,其值很小相当于漏感,从而大大提高了电流变化斜率,其工作波形如图五。在Step—down负载突变时,S2闭合,Lo仍相单于短路,输出电容上的不平衡电荷可以通过Lr快速泄放。可以看出,在稳态时,此电路电感是Lo,瞬态时电感为Lr,因此电路中的电感称为步进电感。
![]() (a) | |
![]() | |
![]() 图五 Step-up时电路工作波形图 与多相交错技术比较其具有更好的动态效果。
|








