- 易迪拓培训,专注于微波、射频、天线设计工程师的培养
直流稳压电源设计及其串联应用
随着电力电子技术的迅速发展,直流电源应用非常广泛,其好坏直接影响着电气设备或控制系统的工作性能,目前,市场上各种直流电源的基本环节大致相同,都包括交流电源、交流变压器(有时可以不用)、整流电路、滤波稳压电路等。本文以三相交流电源供电的直流电源设计为例,介绍直流电源设计中一些问题的处理办法。并就在实际应用中,多个直流稳压电源串联使用问题做了阐述。
2.直流稳压电源的设计
2.1 整流变压器的设计
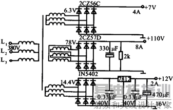
三相整流变压器的设计包括:一、二次绕组的联结方式,二次侧电压的计算,一、二次侧电流的计算,容量的计算与确定,结构形式的选择等环节。其中一、二次绕组的联结方式及二次侧电压的确定是我们重点分析的内容。本文以某一步进电机驱动器的3个直流电源设计为例进行详细介绍,原理图如图1。

图1 步进电机驱动器直流电源设计的原理图
1、二次侧电压的确定
二次电压不仅与负载电压(即要设计的直流稳压电源电压)和整流电路有关,而且与稳压器件有关。对于要求高的选桥式整流电路,用电容滤波稳压和稳压器稳压,对于要求低的则可以不稳压或用电容稳压。如在图1中,+7V低压驱动,主要是用来锁相,其电流小、电压低,电压波动对驱动电源的工作状态影响不大,不用稳压;+110V用以高压驱动,断续式供电且频率很高,大的电流和电流变化率会产生很高过电压,因此要用电解电容稳压,电阻限流;+12V用于计算机和集成电路的电源,电流小、电压低,但要求电压稳定、纹波系数小,因此用电容和三端稳压器两级稳压。对于不同的稳压手段,二次电压有着不同的确定方法,理论上这3个电压的计算式相同,即U2=Ud/2.34 或UL=Ud/1.35,计算的3个二次电压分别为:5.2V、81.5V和8.9V,但这样计算的结果在实际中不和适,因此,有些量必须用工程估算式来确定,如三相不可逆整流系统一般用公式UL=(0.9~1.0)•Ud估算,如果直流侧用电解电容滤波时、输出平均值会升高,一般用公式UL=Ud/2½估算;如果直流侧用电容和三端稳压器稳压,为了扩大稳压范围,Ud一般应升高3~6V,再用公式UL=(0.9~1.0)•Ud估算。这样确定的3个二次电压分别为:UL7=0.9×7=6.3V,UL110=110/2½=78V,UL12=16×0.9=14.4V。
2、一、二次例电流计算及容量确定
二次电流要根据负载电流的大小和整流电路来定,在图1中采用三相桥式整流电路,用式I2=(2/3)½Id求出3个二次电流有效值分别为:3.26A、6.5A、1.63A,就得到3个二次电压和电流。根据变压器一、二次功率近似相等原则,可求得一次电流I1=1.45A,变压器的容量为S=953VA,按1.5kVA选变压器型号。
3、一、二次例绕组联结方式的确定
三相交压器绕组可以根据需要接成星形或Δ形。三相整流电路一般用于大功率(即负载功率在4kW以上)整流,变压器通常接成Y/Δ、 Δ/Y 2种。Δ/Y接法可使电源线电流有2个阶梯,更接近正弦波,谐波影响小,可控整流电路用得比较多;Y/Δ接法可以提供单相交流电源,减小二次绕组电流,一般用于大功率二极管整流电路;对于小功率三相变压器有时也接成Y/Y型,虽然这种接法会给电网引入谐波.但毕竟其功率小,影响也较小。总之,选的时候既要考虑对电网的影响,又要尽量减小绕组电流,降低绕组绝缘等级。在图1中,7V和12V电流比较小,电压低,选星形接法;110V电流大,电压不是太高,选Δ形接法,可大大降低绕组中电流,减小绕组线径,延长使用寿命;一次绕组的线电压虽然高(380V),但变压器容量只有2kW,一次电流为1.45A,所以选星形接法,可降低绕组的电压和绕组的绝缘等。
2.2 整流电路设计
三相整流电路通常有三相半波整流电路和三相桥式整流电路,由于三相桥式整流电路输出平均电压高,电压脉动小,品质因数高,因此多使用桥式整流电路。桥臂上二极管型号的选择主要是由它的额定电压和额定电流决定,额定电流和电压则由负载平均电流和电压决定,其计算式为:ID=(1/3)½•Id,ID(AV)= ID /1.57,UDn=(1~2) 2½•U2,由ID(AV)和UDn查二极管手册就可确定整流管的型号。
2.3 滤波稳压电路设计
1、滤波电路及器件选择
整流滤波电路通常有电容、电感和RC等滤波电路。电感滤波是利用电感对脉动电流产生反电动势,阻碍电流变化来实现的,电感越大,滤波效果越好。它一般用于负载电流大、对滤波要求不高的场台。RC滤波电路是电阻和电容连接使用的滤波电路,由于电阻会降低一部分直流电压,直流输出电压会减小,因此只适用于小电流电路。电容滤波是利用电容的充放电作用使整流输出电压变得平稳,而且电压幅值升高,滤波效果好,适于各种整流电路。滤波电容的选择主要是种类和容量、耐压值的确定。常用的整流滤波电容有铝电解、钽电解、涤纶、独石电容等。铝电解电容漏电流大,耐压和工作温度(最高+70℃)较低,但容量大;钽电解电容漏电流小,耐压和工作温度比铝电解电容都高,一般用于要求较高的地方;涤纶电容绝缘电阻大,损耗小,工作温度(最高+55℃)低,容量小,但耐压高;独石电容体积可以做得很小,耐压也可以做得很高,化学性能和热性能比较稳定,但容量小。一般当整流输出电流大时,必须用电解电容滤波稳压;输出电流小时,用一般电容或电解电容滤波都可以,如果对直流输出电压有纹波系数要求或者为了防止高频噪音,用电解电容和小容量无极性电容并联使用效果较好:小容量电容可滤掉脉动直流中的高次谐波, 电解电容滤掉大幅值的低频成分,稳压范围宽、效果好。整流滤波电路对电容器的容量和耐压值要求不是太高,一般根据输出电流大小估算电容器的容量,输出电流大,容量就大;电流小,容量就小。但是,容量太大会降低输出电压值,太小则会导致电压脉动大、不稳定。容量确定可参考表1,耐压值一般取所接电路工作电压的1.5~2倍。
![]()
稳压电路有分立元件稳压电路和集成稳压电路2种,其中集成稳压电路主要用于低电压小电流的整流电路,具有体积小,电路简单,稳压精度高,使用调试方便等特点。选择时首先要确定系列,是正电源还是负电源,是可调的还是固定的,其次是根据它的额定电压和额定电流选择具体型号;同时,稳压器在接入整流电路时要适当加一些保护元件,如在I/O端接二极管可防止输入端短路,在输入端和地之间接一小电容,可限制输入电压幅值等。
直流电源的设计理论上比较简单,但在具体的工程设计中还需要进一步分析、研究、实践和总结。
3 直流稳压电源的串联应用
直流稳压电源应用非常广泛,有时会把两个或两个以上的电源串联使用,现就此应用做一简要介绍。
3.1 电路的组成及工作原理
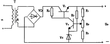
图2是一种串联型稳压电路,由取样电路、基准电路、比较放大和调整电路等部分组成。其中R1、R2和RP组成取样电路,R1、R2和RP称为取样电阻;R3和V2组成基准电路,R3是VZ的限流电阻,VZ给V2发射极提供一个基准电压;V2为比较放大管,作用是将稳压电路输出电压的变化量先放大,然后再送到调整管基极;V1是调整管,起调整作用。 稳压过程如下:当输出电压U0发生变化时,通过取样电路把U0的变化量取样加到放大管V2的基极。而由R3和Vz组成的基准电路为V2的发射极提供基准电压Uz。由V2和R4组成的放大电路把取样电压和基准电压进行比较放大后,输出调整信号送到调整V1的基极,控制V1进行调整,以维持U0基本不变。

图2 串联型稳压电路
3.2 直流稳压电源的串联使用
1、顺串使用
所谓顺串,指电源的极性首尾相连,如图3。

图3 电源串联示意图(顺串)
a、b端开路时,两电源分别是独立的电源,都能正常工作,输出的电压分别为E1、E2,a、b端的电压应为两个电动势的代数和,Uab=E1+E2;接上负载R1、R2后,由于负载电流的方向与两个电源正常工作时对外输出的电流方向一致,故两个电源也都能正常工作,Uab=E1+E2,且整个回路符合全电路欧姆定律I=( E1+E2)/(R1+R2),每个电源都有负载电流通过,电源上的电压保持不变(忽略内阻)。
2、反串使用
所谓反串指电源首首或尾尾相连,如图4,把图4可以等效成图5。

a、b端开路时,两电源分别是独立的电源,都能正常工作,输出的电压分别为E1、E2,a、b端的电压应为两个电动势的代数和,Uab=E2-E1;加上负载R1、R2,因E2>E1,所以负载上的电流方向如图所示(即I2),它与电源1对外输出的电流方向相反,迫使电源1停止工作,输出电压为0,而此时负载电流将通过取样电路形成回路,故左边电源"输出的电压"也就是取样电路R1、R2和RP上的电压,设电源1、2及取样电路上的电流参考方向如图所示,则I3=I1+I2,也就是说取样电路上的电压U取=I3(R1+R2+RP)。如果从取样电路向右看,可等效为一个电动势为E3、内阻为R0的电源,其中E3=U取。如E3>E1,迫使Iv1截止,IIVC1近似等于0,电源真正停止工作,此时"电源输出的电压"U取=I3(R1+R2+RP)(并不是真正电源1输出的电压,而是取样电阻分担E2的电压),其中I3=E2/(R1+R2+(1R1+2R2+1Rp)),其电压的大小主要由E2、R1、R2、lRl、lR2、1RP的大小决定,整个电路也不符合全电路欧姆定律,I2≠(E2-E1)/(R1+R2),此时的电压应大于E1;E3
通过上面的分析可知,对于直流稳压电源串联情况而言,如电源顺串,各个电源都能正常工作,整个电路符合全电路欧姆定律;电源反串,稳定电压输出比较小的那个电源不能真正起到一个电源作用,在任何情况下负载电流都没有通过电源。具体情况如下:当取样电路上的电压大于稳压电源输出电压时,迫使电源停止工作,此时只有电源的取样电路接入电路中,电源两端的电压也就是取样电路两端的电压(应大于稳定输出电压),整个电路不满足全电路欧姆定律;当取样电路上的电压小于稳定输出电压时,电源正常工作,整个电路满足全电路欧姆定律,但负载电流只通过取样电路,取样电路上的电流应是负载电流与电压比较小的电源调整电流之和,使用时应考虑取样电阻的功率。因此,我们在使用两个或两个以上稳压电源的过程中,应根据具体情况合理使用电源反串。以免造成实际值与理论值大相径庭的现象发生。
射频工程师养成培训教程套装,助您快速成为一名优秀射频工程师...
天线设计工程师培训课程套装,资深专家授课,让天线设计不再难...
上一篇:理解和应用数模转换器
下一篇:智能电源管理解决方案大幅度降低待机能耗

