- 易迪拓培训,专注于微波、射频、天线设计工程师的培养
DMX512 LED灯光控制器的设计与开发
录入:edatop.com 点击:
1 概述
近几年来,作为半导体照明领域的一部分,城市景观照明及室内外装饰照明的霓虹灯和部分传统光源必将逐步被具有节能、环保、寿命长、可靠性高及可实现全彩变化的LED光源所取代。目前,在装饰照明领域中用LED制作的各类灯具正被逐步推广。
DMX灯光控制器是广泛应用于LED灯光系统的控制设备,可以根据用户的需要实现不同的显示方案,实现令人眩目的色彩方案。本控制器采用DMX512协议进行通讯。
2 背景知识
本控制器采用DMX512协议进行通讯。下列知识必须具备:
1) DMX512协议,请参考文章《DMX512协议》。
2) PIC18单片机软硬件开发技术。
3) PCB及电子电路设计技术。
4) C语言。
3 DMX灯光控制系统介绍
如图1为一典型的DMX灯光控制系统,PC主机通过灯光控制系统进行显示方案的设定并通过DMX控台输出给DMX控制系统。图中绿色部分为本文介绍内容,系统中的其他节点将在其他文章中进行介绍说明。
近几年来,作为半导体照明领域的一部分,城市景观照明及室内外装饰照明的霓虹灯和部分传统光源必将逐步被具有节能、环保、寿命长、可靠性高及可实现全彩变化的LED光源所取代。目前,在装饰照明领域中用LED制作的各类灯具正被逐步推广。
DMX灯光控制器是广泛应用于LED灯光系统的控制设备,可以根据用户的需要实现不同的显示方案,实现令人眩目的色彩方案。本控制器采用DMX512协议进行通讯。
2 背景知识
本控制器采用DMX512协议进行通讯。下列知识必须具备:
1) DMX512协议,请参考文章《DMX512协议》。
2) PIC18单片机软硬件开发技术。
3) PCB及电子电路设计技术。
4) C语言。
3 DMX灯光控制系统介绍
如图1为一典型的DMX灯光控制系统,PC主机通过灯光控制系统进行显示方案的设定并通过DMX控台输出给DMX控制系统。图中绿色部分为本文介绍内容,系统中的其他节点将在其他文章中进行介绍说明。
|
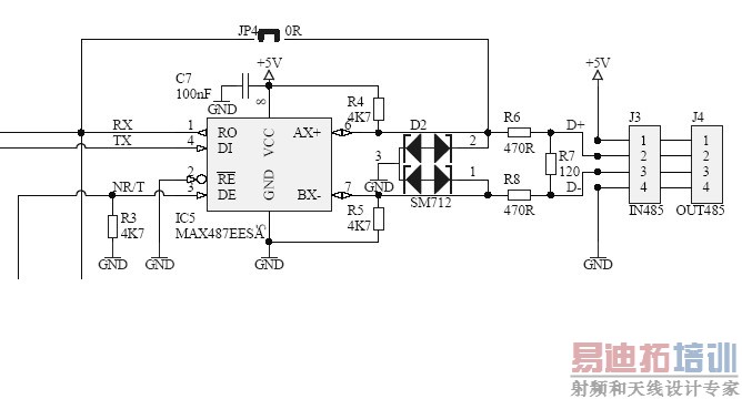
图 1DMX灯光控制系统 4 硬件实现 系统硬件框图如图 2系统硬件框图:
|






