- 易迪拓培训,专注于微波、射频、天线设计工程师的培养
基于LTC3780的开关电源模块及其在蓄电池中的应用
录入:edatop.com 点击:
0 引言 中国的蓄电池产量已是世界第一,并且出口到世界各地。但多是在拼价格,可获利润很有限。除了加大产量使中国蓄电池产业增值之外,提升蓄电池技术含量,更是使中国蓄电池产业增值的新思路之一,本文以LTC3780 为核心的开关电源模块与蓄电池相结合,就是实例之一。如果再加上法拉级电容,则综合外特性更好,技术含量更高,可获利润也更高。1 LTC3780 简介 LTC3780 是一款高性能的能降压-升压的开关型稳压器,可在输入电压高于、低于或等于输出电压的条件下工作。恒定频率电流模式架构提供了一个高达400 Hz的可锁相频率,可以在4~30 V宽输入和输出范围内实现不同工作模式间的无缝切换。 LTC3780 的引脚排列如图1 所示。
图1 LTC3780 的引脚图 LTC3780 的内部原理框图及外围电路如图2所示。
图2 LTC3780的原理框图及典型外围电路 在图2电路中,受LTC3780 控制的4 只MOS管,可简化为图3 所示。而LTC3780 的工作模式与占空比的关系如图4 所示。
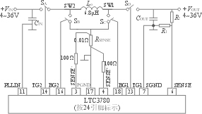
图3 LTC3780 输出开关的简化示意图 图4 LTC3780 工作模式与占空比的关系 在图5 中,LTC3780 控制4 个电子开关,其中SA、SB在输入电源半桥电路,SC、SD在输出电源半桥电路。实际上用低内阻大电流场效应管来作为上述4 个电子开关。LTC3780 控制这4 个功率场效应管栅极,使得图5 电路可以实现开关降压或者开关升压的效果。借助于LTC3780可以在输入电压为4~36 V的宽输入电压和宽输出电压范围内,无缝切换使电路工作于降压或升压,仅仅只需要一个6.8μH小电感,开关电源最高效率可以做到0.99。
图5 可实现开关降压或升压的电路 图6 当需要输出电压低于输入电压时
LTC3780 工作在Buck模式2 LTC3780的Buck 降压开关工作模式 当输入电压VIN、高于所需要设定的输出电压VOUT 时,LTC3780 工作在Buck 开关降压工作模式,这时LTC3780 令SD 常闭,SC 常开,只控制SA和SB交替接通和截止,用开关SA给电感L 供电,用开关SB来为电感续流,获得降压型Buck 开关稳压输出效果,如图6 所示。3 LTC3780 的Boost升压工作模式 当需要设置输出电压VOUT高于输入电源电压VIN时,LTC3780 自动切换为Boost 升压工作模式。这时LTC3780 令SA常闭,而SB 常开,输入电源经直通的SA供电给电感L,SC与SD交替通、断,当SC导通SD截止时,电源VIN给电感L 储存磁能,而在SC截止,同时SD导通时电感放电实现Boost 升压工作模式,如图7所示。
图7 当需要输出电压高于输入电压时
LTC3780 工作在Boost模式4 LTC3780的无缝切换工作模式 当需设定的输出电压VOUT接近输入电源电压VIN时,LTC3780 使SA 和SD 在每个周期的大部分时间内处于导通状态。仅仅为了适应输出与输入电源电压之间很小的电位差,LTC3780 在每个周期的暂短时间内,控制电感L 的充电、放电,是靠SA-SC在VIN对地之间接通,或者SB-SD在VOUT对地之间接通,来稳定输出电压。以LTC3780 为核心的开关电源,如图8 所示,选择图8 中定置R1 阻值,就可预置VOUT输出电压的数值,十分方便。
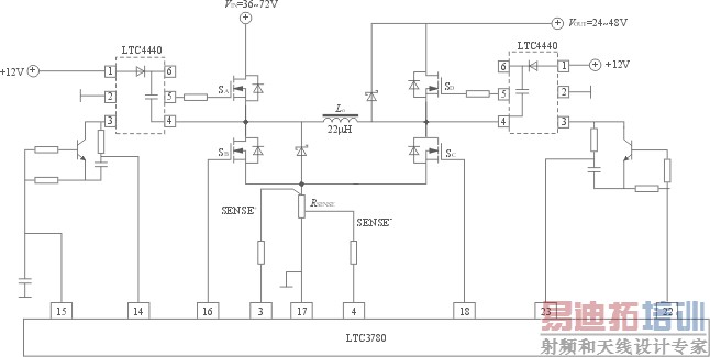
图8 以LTC3780 为核心的高效率开关电源5 LTC3780功能扩展 以LTC3780 为核心,只加两片凌特公司的悬浮栅极驱动电路(LTC4440),可以使LTC3780 的输入电压VIN扩展到36~72 V。而输出电压可在24~48V之间任意设定,如图9 所示。
图9 LTC3780 的扩展功能 当然,这只是LTC3780 功能扩展实例之一,其他还有许多方案,例如:可以满足蓄电池厂家的要求适配为任何预置电压,也可以适应用户的需要,把LTC3780 功能扩展到满足用户使用要求,只需要更换相应的场效应功率管规格及其驱动电路,并精心优化两端电感,就可达到目的。6 蓄电池智能化开关电源模块 利用LTC3780 为核心的开关电源模块,不经过图9 的扩展,可以使6~30 V 蓄电池,任意在6~30V范围内设定输出电压。 为了使蓄电池能够提供足够大的起动电流,而不危及蓄电池寿命,可以在蓄电池的端子,即开关电源的输入端,并联一个法拉级电容,并在开关电源输出端,再并联一个法拉级电容,借助于这两个法拉级电容,能够大幅度改善蓄电池的供电能力,使安装了以LTC3780 为核心的开关电源模块之后的输出端,具有十分优异的外特性,这对蓄电池生产厂家而言,是巨大的商业机会,而对应用电池的用户而言,提供了更大的灵活性。至于什么样的电池配什么样的法拉级电容,主要由用户订单需求而决定,也取决于定价,如图10 所示。
图10 常规蓄电池经智能化创新的示意图7 结语 借助于LTC3780 为核心控制芯片,可以无缝切换Buck-Boost 开关模式,高效率地升压或降压,具有自动稳定输出电压的作用,使蓄电池外特性有质的飞跃。 借助于LTC3780完善的保护功能,可以提升蓄电池更可靠更安全的应用性能。借助于法拉级电容可以瞬间吸纳和瞬间输出大电流的特点,可以延长蓄电池寿命,并可以使用户得到比直接使用电池更理想的效果。目前尚须另设两端,作为直接使用蓄电池放电使用端子,也作为蓄电池充电端子使用。下一步有必要把"蓄电池输出端"和"蓄电池充电端"取消,成为只有两个端子的智能蓄电池模块,这时须用"双向逆变开关电源技术"。下次将另撰文阐述。 参考文献 [1] LINEAR 公司,LTC3780 产品说明书[Z]. [2] Abraham I. Pressman 著,王志强译.开关电源设计[M].(第二版),北京:电子工业出版社,2006. [3] Wilsom Zhou, Theo Phillips. LINEAR设计要点[J]. 电子设计技术(EDN). 2005,(9). 作者简介 王桂风(1968-),男,佛光照明有限公司总工程师尧中国照明学会高级会员,研究方向为电力电子技术和磁集成技术。
图1 LTC3780 的引脚图 LTC3780 的内部原理框图及外围电路如图2所示。
图2 LTC3780的原理框图及典型外围电路 在图2电路中,受LTC3780 控制的4 只MOS管,可简化为图3 所示。而LTC3780 的工作模式与占空比的关系如图4 所示。
图3 LTC3780 输出开关的简化示意图 图4 LTC3780 工作模式与占空比的关系 在图5 中,LTC3780 控制4 个电子开关,其中SA、SB在输入电源半桥电路,SC、SD在输出电源半桥电路。实际上用低内阻大电流场效应管来作为上述4 个电子开关。LTC3780 控制这4 个功率场效应管栅极,使得图5 电路可以实现开关降压或者开关升压的效果。借助于LTC3780可以在输入电压为4~36 V的宽输入电压和宽输出电压范围内,无缝切换使电路工作于降压或升压,仅仅只需要一个6.8μH小电感,开关电源最高效率可以做到0.99。
图5 可实现开关降压或升压的电路 图6 当需要输出电压低于输入电压时LTC3780 工作在Buck模式2 LTC3780的Buck 降压开关工作模式 当输入电压VIN、高于所需要设定的输出电压VOUT 时,LTC3780 工作在Buck 开关降压工作模式,这时LTC3780 令SD 常闭,SC 常开,只控制SA和SB交替接通和截止,用开关SA给电感L 供电,用开关SB来为电感续流,获得降压型Buck 开关稳压输出效果,如图6 所示。3 LTC3780 的Boost升压工作模式 当需要设置输出电压VOUT高于输入电源电压VIN时,LTC3780 自动切换为Boost 升压工作模式。这时LTC3780 令SA常闭,而SB 常开,输入电源经直通的SA供电给电感L,SC与SD交替通、断,当SC导通SD截止时,电源VIN给电感L 储存磁能,而在SC截止,同时SD导通时电感放电实现Boost 升压工作模式,如图7所示。
图7 当需要输出电压高于输入电压时LTC3780 工作在Boost模式4 LTC3780的无缝切换工作模式 当需设定的输出电压VOUT接近输入电源电压VIN时,LTC3780 使SA 和SD 在每个周期的大部分时间内处于导通状态。仅仅为了适应输出与输入电源电压之间很小的电位差,LTC3780 在每个周期的暂短时间内,控制电感L 的充电、放电,是靠SA-SC在VIN对地之间接通,或者SB-SD在VOUT对地之间接通,来稳定输出电压。以LTC3780 为核心的开关电源,如图8 所示,选择图8 中定置R1 阻值,就可预置VOUT输出电压的数值,十分方便。
图8 以LTC3780 为核心的高效率开关电源5 LTC3780功能扩展 以LTC3780 为核心,只加两片凌特公司的悬浮栅极驱动电路(LTC4440),可以使LTC3780 的输入电压VIN扩展到36~72 V。而输出电压可在24~48V之间任意设定,如图9 所示。
图9 LTC3780 的扩展功能 当然,这只是LTC3780 功能扩展实例之一,其他还有许多方案,例如:可以满足蓄电池厂家的要求适配为任何预置电压,也可以适应用户的需要,把LTC3780 功能扩展到满足用户使用要求,只需要更换相应的场效应功率管规格及其驱动电路,并精心优化两端电感,就可达到目的。6 蓄电池智能化开关电源模块 利用LTC3780 为核心的开关电源模块,不经过图9 的扩展,可以使6~30 V 蓄电池,任意在6~30V范围内设定输出电压。 为了使蓄电池能够提供足够大的起动电流,而不危及蓄电池寿命,可以在蓄电池的端子,即开关电源的输入端,并联一个法拉级电容,并在开关电源输出端,再并联一个法拉级电容,借助于这两个法拉级电容,能够大幅度改善蓄电池的供电能力,使安装了以LTC3780 为核心的开关电源模块之后的输出端,具有十分优异的外特性,这对蓄电池生产厂家而言,是巨大的商业机会,而对应用电池的用户而言,提供了更大的灵活性。至于什么样的电池配什么样的法拉级电容,主要由用户订单需求而决定,也取决于定价,如图10 所示。
图10 常规蓄电池经智能化创新的示意图7 结语 借助于LTC3780 为核心控制芯片,可以无缝切换Buck-Boost 开关模式,高效率地升压或降压,具有自动稳定输出电压的作用,使蓄电池外特性有质的飞跃。 借助于LTC3780完善的保护功能,可以提升蓄电池更可靠更安全的应用性能。借助于法拉级电容可以瞬间吸纳和瞬间输出大电流的特点,可以延长蓄电池寿命,并可以使用户得到比直接使用电池更理想的效果。目前尚须另设两端,作为直接使用蓄电池放电使用端子,也作为蓄电池充电端子使用。下一步有必要把"蓄电池输出端"和"蓄电池充电端"取消,成为只有两个端子的智能蓄电池模块,这时须用"双向逆变开关电源技术"。下次将另撰文阐述。 参考文献 [1] LINEAR 公司,LTC3780 产品说明书[Z]. [2] Abraham I. Pressman 著,王志强译.开关电源设计[M].(第二版),北京:电子工业出版社,2006. [3] Wilsom Zhou, Theo Phillips. LINEAR设计要点[J]. 电子设计技术(EDN). 2005,(9). 作者简介 王桂风(1968-),男,佛光照明有限公司总工程师尧中国照明学会高级会员,研究方向为电力电子技术和磁集成技术。射频工程师养成培训教程套装,助您快速成为一名优秀射频工程师...
射频和天线工程师培训课程详情>>

