- 易迪拓培训,专注于微波、射频、天线设计工程师的培养
一种新颖的电容降压型直流稳压辅助电源
一、 概述
电子工程师总是在不断追求减小设备体积,优化设计,以期最大限度地降低设备成本。其中,减小作为辅助电源的直流稳压电源电路部分的体积,往往是最难解决的问题之一。
普通的线性直流稳压电源电路效率比较低,电源的变压器体积大,重量重,成本较高。
开关电源电路结构较复杂,成本高,电源纹波大,RFI和EMI干扰是难以解决的。
下文介绍的是一种新颖的电容降压型直流稳压电源电路。
这种电路无电源变压器,结构非常简单,具体有:体积小、重量轻、成本低廉、动态响应快、稳定可靠、高效(可达90%以上)等特点。
二、 电容降压原理
当一个正弦交流电源U(如220V AC 50HZ)施加在电容电路上时,电容器两极板上的电荷,极板间的电场都是时间的函数。也就是说:电容器上电压电流的有效值和幅值同样遵循欧姆定律。
即加在电容上的电压幅值一定,频率一定时,就会流过一个稳定的正弦交流电流ic。容抗越小(电容值越大),流过电容器的电流越大,在电容器上串联一个合适的负载,就能得到一个降低的电压源,可经过整流,滤波,稳压输出。
电容在电路中只是吞吐能量,而不消耗能量,所以电容降压型电路的效率很高。
三、 原理方框图
电路由降压电容,限流,整流滤波和稳压分流等电路组成。

1.降压电容:相当于普通稳压电路中的降压变压器,直接接入交流电源回路中,几乎承受全部的交流电源U,应选用无极性的金属膜电容(METALLIZED POLYESTER FILM CAPACITOR)。
2.限流电路:在合上电源的瞬间,有可能是U的正或负半周的峰_峰值,此时瞬间电流会很大,因此在回路中需串联一个限流电阻,以保证电路的安全。
3.整流滤波:有半波整流和全波整流,与普通的直流稳压电源电路的设计要求相同。
4.稳压分流:电压降压回路中,电流有效值I是稳定的,不受负载电流大小变化的影响,因此在稳压电路中,要有分流回路,以响应负载电流的大小变化。
四、 设计势实例
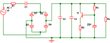
1.桥式全波整流稳压电路:

规格要求:输出DC电压12V,DC电流300mA;输入电源220V AC/50HZ 市电。
1)降压电容C1的选择:
a. C1容值的选择:
电容值取决于负载电流,负载电流I确定后,可得:
C1≥1/2лfU
式中交流电源U值计算时取负10%,即:I=300mA,U=220V*(-10%)=198V,f=50HZ,
C1≥0.3(2*3.14156*50*198)=4.82(µF)
电容值只可取大,不可取小,本例电容C1取值5µF。
b. 耐压值的选择:
要考虑电源正10%的情况,如本例用市电,C1要选择250V AC的金属膜电容。
c. 耐瞬间冲击电流的选择:
金属膜电容的内阻是很低的,允许电容在吞吐能量时,有大的电流流过,这个电流的大小取决于电容值和它的du/dt值,此值由电容的结构,金属膜的类型,引出线的方式决定的。
du/dt值与电容的耐压值有关,耐压越高,du/dt值越大,不同厂家产品du/dt值也有很大的差别,如耐压为250VAC电容值为5µF的金属膜电容的du/dt值一般在3-30之间选择。
在本例中:C1=5µF,du/dt值取3,则C1耐瞬间冲击电流值为:
I=Cdu/dt=5*3=15(A)
2)限流电阻R1的选择:
先求C1的容抗:
Xc=1/2лfC=1/(2*3.1416*50*0.000005)=636.36Ω
则复阻抗:|Z|=638.3Ω (R1取值为47Ω)
求得电流有效值为:
I=U/|Z|=220/638.3344.7mA
电阻实际承受的有效电压值:
UR=344.7mA*47Ω =16.2V
求出电阻实际承受的功率:
PR=16.2V*344.7mA=5.58W (R1选用线绕电阻器,功率取7.5W)
3)稳压分流电路:
稳压管ZD1和T1管E-B结,R3组成稳压电路,T1,R2组成分流电路。
ZD1选用11.3V的稳压管;R3阻值取180Ω1/6W;T1管响应负载电流的大小变化,负载电流可在0-300mA内变化,T1选用2W的PNP管,电流放大倍数≥200;R2用作负载电流较小时,分担一部分T1管的功率,R2取值30Ω/3W。
2.半波整流稳压电路: 
规格要求:输出一组24V DC电压(如提供继电器工作用),一组DC电压5V(如供微控制器工作或双向可控硅触发电流用),输出DC电流60mA;输入电源220V/50HZ。
1)降压电容C1的选择:
a.流过电容C1的电流约是负载电流的两倍,即120mA,得出:
C1≥1/2лfU=0.12(2*3.14156*50*198)=1.93(µF)
C1的实际取值2µF。
b.选择耐压值为250V AC的金属膜电容。
c.瞬间冲击电流值为:
I=Cdu/dt=2*3=6(A)
2)限流电阻R1的选择:
电路的复阻抗:
Xc=1/(2*3.14156*50*0.000002)=1.464KΩ
|Z|=1.467 KΩ (R1取值100Ω)
求得电流有效值:
I=U/|Z|=220/1.467=150mA
再求出电阻承受的有效电压值为:
UR=150mA×100 =15V
求出电阻实际承受的功率:
PR=15V×150mA=2.25W (R1的功率取3W)
3)半波整流电路:D1作半波整流用,C2、C3为滤波电容,交流电源U上半周时,经C1、R1降压,由D1整流后给电容C2平滑滤波输出
D2的作用:交流电源U下半周时,降压电容C1经由D2放电。
4)稳压分流:
ZD1、ZD2、R3组成DC 24V稳压即分流电路,T1、ZD3和R4组成DC 5V稳压电路。
五、结语
1、电路结构非常简单,具有体积小、重量轻,有利于实现电子设备的小型化;
2、省去了电源变压器,对元器件的要求也不高,成本非常低,有力于降低电子设备的成本;
3、电容降压电路是一个电流源,只需改变基准电压元件,就可得到很宽范围内的任一DC电压源;
4、这种电路,输出DC电压与输入AC电源之间是不隔离的,因此,它用在不需隔离的电子设备中,如在一些控制、检测、分析电子装置中,在家用电器等电子设备中,特别是在小家电领域具有广泛的实用价值;
5、金属膜电容的容量还不能做得很大,因此,这种电路通常用在小功率直流稳压电源的电子设备中。
射频工程师养成培训教程套装,助您快速成为一名优秀射频工程师...

