- 易迪拓培训,专注于微波、射频、天线设计工程师的培养
高效率大功率适配器的研究
录入:edatop.com 点击:
1 引言
随着技术的发展,电脑CPU的工作频率越来越高,其信息处理能力及各方面功能越来越强,这样就要求为之供电的适配器功率相应较大。目前DELL等公司已为其生产销售的移动PC、笔记本电脑,向电源生产商提出了150W甚至200W适配器的供货要求。对于如此大功率适配器,从安全角度考虑,要求适配器的密封性能要好;为便于携带,同时又希望适配器的体积小。但这些要求却不利于适配器的散热(由于损耗所产生的热量),为此必须采用高效率、低损耗的解决方法。
针对下一代大功率笔记本电脑适配器,本文提出了一种高效率的拓扑结构,并分析研究了其电路工作原理,最后给出了电路参数的选取方法和实验结果。
2 工作原理
笔记本电脑适配器是一种高质量直流输出电源,一般要求它具有宽的交流输入电压范围:90V~264V,并且能够适应输入电压频率的波动: 47Hz~63Hz。对于输入功率大于75瓦的适配器,还要求其输入电流谐波满足IEC-1000-3-2 Class D标准,为此适配器须有功率因数校正(PFC)功能。
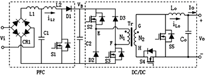
本文介绍的大功率150瓦笔记本电脑适配器,其输出电压:直流12V;电压调整率: £ ±5%;额定输出电流:12.5A。为满足高功率密度及低成本等要求,经综合考虑,该适配器采用两级电路架构,如图1所示。前级PFC是升压Boost变换器结构,采用电流临界断续模式(DCMB )控制;后级直流变换DC/DC部分采用双管正激变换器并对二次侧实行同步整流。
![]() |
| 图1 适配器的电路结构 |
2.1 功率因数校正(PFC)电路
由图1可知,交流输入电压Vi经整流桥CR1、输入滤波器L1、C1后,通过电感L2、开关S1、二极管D1组成的Boost 电路变换为直流母线输出电压VB。
![]() |
| 图2 PFC电流临界断续模式控制原理时序 |
PFC工作原理时序[1],如图2所示。PFC输出电压VB的反馈信号与PFC控制芯片(如ST公司L6561)内部基准信号比较后,产生一电压误差信号;在误差放大器的带宽足够低时(如20Hz以下),该电压误差信号就是一个直流量;此信号和输入整流电压相乘后,得到PFC电感峰值电流基准信号(见图 2)。开关S1开通后,PFC电感电流iL2线形上升,达到峰值电流基准时,S1关断;随后iL2通过二极管D1续流,同时向电容C2充电,在电压VB的压迫下,iL2线形下降;当PFC控制芯片检测到电感电流iL2为零时,开关S1将再次开通,开始下一个开关周期。电感电流iL2经输入滤波器L1、C1 滤波,得到连续光滑的正弦输入电流,即图2中所示的平均电流,其值为PFC电感峰值电流基准的一半。
由于开关S1是在电流iL2为零时开通的,故开关S1是零电流开通(ZCS),因此PFC的开关损耗大为减少;另外由于S1开通时,二极管D1的电流已经为零,所以D1的反向恢复问题也得到解决,由反向恢复引起的损耗将不存在, D1用普通的二极管即可。因控制简单,PFC可采用低成本的控制芯片。
由上分析可知,电流临界断续模式控制的 PFC不仅变换效率高,而且还具有控制简单、成本低等优点。
2.2 双管正激DC/DC直流变换电路
为将较高的直流母线电压VB(约390V)变换成较低的适配器输出电压Vo(12V),DC/DC部分采用了双管正激直流变换器,它由开关管S2、 S3、续流二极管D2、D3、变压器Tr、同步整流管S4、同步续流管S5、输出滤波器Lo、Co构成(参看图1)。变压器的作用是实现原、副边隔离及输入、输出电压匹配。
![]() |
| 图3 双管正激直流变换器控制原理时序 |
双管正激直流变换器的控制原理时序,见图3所示(以滤波电感电流iLo连续为例)。为分析方便,假定开关管S2、S3的漏源电容为零,这样其漏源电压就能够瞬时变化。其中Vgs2、Vgs3分别是S2、S3的控制信号,两者时序完全相同。
t0~t1:t0时刻,S2、S3同时开通,变压器Tr原边绕组EF的电压为VB,即VEF=VB,则副边电压VGH=VB*N2/N1,输出滤波电感 Lo中的电流iLo经电感Lo、电容Co(包括负载)、同步整流管S4、变压器副边绕组HG流通,电感Lo的前端电压VG=VGH=VB*N2/N1。由于此时VG大于适配器输出电压Vo,故iLo从iLomin线形上升到iLomax。
t1~t2:t1时刻,S2、S3同时关断,变压器原边绕组电流经二极管D2、D3续流,同时变压器进行磁复位,此时VEF=-VB,副边电压VGH=-VB*N2/N1,S2、S3的漏源电压VDS2= VDS3=VB;iLo经电感Lo、电容Co(包括负载)、同步续流管S5流通,Lo的前端电压VG=0。由于VG小于输出电压Vo,故iLo从 iLomax线形下降。
t2~t3:t2时刻,变压器原边绕组电流续流完毕且磁复位结束,S2、S3仍然关断,此时VEF=0,原边电压由开关S2、S3分担,即VDS2=VDS3=VB/2(假定S2、S3型号相同),这样开关S2、S3在下一次开通时的损耗就大大降低了。副边电压VGH= 0,iLo经电感Lo、电容Co(包括负载)、同步续流管S5流通。t3时刻,iLo线形下降至iLomin后,S2、S3同时开通,开始下一个开关周期。
为提高效率,用开关管S4、S5代替二极管以减低二次侧的导通损耗。同步整流管S4的导通时间和开关S2、S3的导通时间同步,同步续流管S5的导通时间和开关S2、S3的关断时间同步。为保证变压器可靠复位,双管正激直流变换器的最大占空比应小于0.5。
3 参数选择和试验结果
3.1 参数选择
本文研制的150瓦笔记本电脑适配器,其中PFC控制芯片采用ST公司生产的L6561,其价格较低,外围控制电路所用元器件少;设定PFC的输出电压VB=390V(略大于最大输入电压的幅值);PFC其他器件参数如下:
共模滤波电感(图1中未画出):LFZ2805V08;
差模滤波电感L1:73uH;PFC Boost电感L2:165uH;
全波整流桥CR1:RBV-406;二极管D1:8ETH06;
开关管S1:ST公司STP12NM50FP,12A/500V,Rds=0.30W(Typ);
输入滤波电容C1:1uF/400V;直流母线输出滤波电容C2:100uF/400V。
双管正激直流变换器的控制芯片采用价格便宜的UC3845;考虑到负载动态响应要求及输出阻抗,设定满载时占空比为0.38;变压器原、副边匝比为N1:N2=56:5,选用philips公司生产的铁芯EFD30-3F3;其他器件参数如下:
原边开关管S2、S3:STP12NM50FP;续流二极管D2、D3:MUR160;
副边开关管S4、S5:Fairchild公司FDP038AN06A0, 3.8mW/80A/60V;
输出滤波电容Co:Rubycon ZL series,1500uF/16V;
输出滤波电感Lo:20uH;开关频率:180k Hz。
3.2 试验结果
图4为Vi=90V时PFC满载输入电压及输入电流试验波形,可以看出输入电流波形的正弦性好,经测定功率因数PF值大于0.99;图5为双管正激直流变换器输出滤波电感前端电压VG、原边下管S3漏源电压VDS3的试验波形,由图可知在原边开关管S2、S3开通前,S3的漏源电压VDS3=VB/2。由于S2、S3的漏源电容实际不为零,VDS3(以及VDS2)从VB下降到VB/2是通过其漏源电容和变压器激磁电感谐振来完成的,故VDS3下降(从 VB到VB/2)需要一定的时间,并具有一定的斜率。
![]() | ![]() |
| 图4 PFC满载90V时输入电压、输入电流试验波形 | 图5 DC/DC输出电感前端电压、原边下管漏源电压试验波形 |
图6为PFC在不同输入电压下的满载效率曲线(不包括控制损耗),该效率随输入电压的升高而升高,在90V时最低,但也高达95.08%;图7为 DC/DC变换器在不同输出负载时的效率曲线(不包括控制损耗),其150W满载时效率高达96.04%;图8为不同输入电压下适配器的满载效率曲线(包括控制损耗),满载时适配器的整体效率超过90.80%,该效率曲线的特点也是随输入电压的升高而升高,在230V时可高达93.57%。
![]() |
| 图6 不同输入电压下PFC满载效率曲线 |
![]() |
| 图7 DC/DC不同输出负载时的效率曲线 |
![]() |
| 图8 不同输入电压下适配器的满载效率曲线 |
4 结论
本文研制的150瓦笔记本电脑适配器具有两级电路拓扑结构,前级PFC采用电流临界断续模式控制,后级DC/DC部分采用双管正激变换器。PFC和 DC/DC各自独立,控制电路简单,成本相对低廉。适配器的整体效率高,满载时超过90.80%。实验结果表明该适配器具有高效率、高功率因数、及低成本等优点。
参考文献:
1、ST公司,"L6561,enhanced transition mode power factor corrector"(AN966).
2、IEC 1000-3-2, First Edition 1995-03,International Electrotechnical Commission,3,Geneva,Switzerland.
射频工程师养成培训教程套装,助您快速成为一名优秀射频工程师...
射频和天线工程师培训课程详情>>









