- 易迪拓培训,专注于微波、射频、天线设计工程师的培养
智能铅酸蓄电池充电器的设计
录入:edatop.com 点击:
0 引言
铅酸蓄电池具有价格低廉、供电可靠、电压稳定等优点,因此广泛应用于国防、通信、铁路、交通、工农业生产部门。近年来全密封免维护铅酸蓄电池其密封好、无泄漏、无污染等优点,能够保证人体和各种用电设备的安全,而且在整个寿命期间,无需任何维护,从而揭开了铅酸蓄电池发展历程新的一页。众所周知,通信设备一般都采用免维护电池作为备用电源,许多电子设备必须的不间断电源系统(UPS)也离不开免维护电池,此外在应急灯、汽车、游艇中也越来越多的选用免维护电池。然而,由于充电方法不正确,充电技术不能适应免维护电池的特殊需求,造成电池很难达到规定的循环寿命。基于此,本文提出了一种用于全密封免维护铅酸蓄电池的智能充电器设计方案,采用先进的三段式充电控制方法,有效地提高充电效率,延长电池寿命。
1 蓄电池充电特性及充电技术现状
容量和寿命蓄是电池的重要参数,蓄电池的额定容量(C)通常作为电池充放电速率的单位,例如100A·h的蓄电池,采用20A电流充电时,充电速率为C/5。不正确的充电方式不仅会降低电池的储能容量,还会缩短电池的使用寿命。上世纪60年代末期,美国科学家马斯(Mascc)提出了以最低出气率为前提的蓄电池可接受充电电流曲线如图1所示,其充电电流轨迹为一条呈指数规律下降的曲线。

图1 蓄电池可接受充电电流曲线
传统的充电方式无论是定电压充电还是定电流充电均不能提高电池的充电效率,而依据图1充电曲线提出的三段式充电理论则可以大大提高电池的充电效率,缩短充电时间,并能有效延长电池寿命。三段式充电采用先恒流充电,再恒压充电,最后采用浮充进行维护充电。一般分为快速充电、补足充电、涓流充电三个阶段。
快速充电阶段:用大电流对电池进行充电以迅速恢复电池电能,充电速率可以达1C以上,此时充电电压较低,但会限制充电电流在一定数值范围之内。
补足充电阶段:相对于快速充电阶段,补足充电阶段又可以称为慢速充电阶段。当快速充电阶段终止时,电池并未完全充足,还需加入补足充电过程,补足充电速率一般不超过0.3C,因为电池电压经过快速充电阶段后有所升高,所以补足充电阶段的充电电压也应该有所提升,并且恒定在一定范围之内。
涓流充电阶段:在补足充电阶段后期,当检测到温度上升超过极限值或充电电流减小到一定值之后,开始用更小的电流进行充电直至满足一定的条件后结束充电。
2 电路组成部分
本文所介绍的充电器其充电对象为24V铅酸蓄电池,输入电压范围为交流100~240V,28V输出时额定输出电流为4A。该充电器电路由三部分组成,主电路、PWM芯片UC3842控制电路、单片机S3C9454控制电路,整体电路结构如图2所示。由于该充电器功率为100W左右,故功率部分采用成本较低的单端反激电路,利用UC3842作为主电路控制IC。输出端继电器仅在单片机检测符合充电条件后闭合,充电器才能对电池进行充电。

图2 充电器电路原理框图
UC3842为电流型脉宽调制器,具有管脚数量少、外围电路简单、安装与调试简便、性能优良、价格低廉等特点,特别适合用于低成本的小功率反激电路。由于该应用电路已极为成熟,此处就不详加叙述。
S3C9454是三星推出的一款性价比很高的8位单片机,仅20个引脚,具有多个可编程配置的I/O口和一个8位高速PWM输出端口,内部集成了定时/计数器、9通道10位A/D转换器,可以分别对电压、电流及温度信号进行采样,丰富的资源可以很方便地实现三段式充电控制功能及输出过压、过流保护、温度补偿、计时充电等功能。
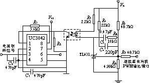
为实现三段式充电,电路必须能够改变充电电压进而改变充电电流。充电电压的调整电路如图3所示,单片机对电流、电压和温度信号检测之后进行判断,再输出一定大小占空比的PWM信号,送至与输出电压取样电阻R6并联的电阻R7,改变PWM信号的占空比即改变它的平均电平,再通过电阻R7来改变输出电压基准值设定。

图3 输出电压反馈调整电路
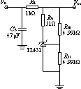
本方案中MCU电路供电电源不需要额外的辅助电源,只需从主电路的输出端引出,利用精密稳压器件TL431和电阻、电容等少数元件即可得到较为精确的+5V电平,其电路如下图4所示。

图 4 MCU供 电 电 路
3 控制过程介绍
上电之后,MCU先检测电池有无反接、电池电压、电池温度等信息,然后进行判断是否让继电器导通对电池进行充电。满足条件之后,即开始充电。为保护由于过放电而造成电压偏低的电池遭
受进一步损害,还设置了预充电阶段,即检测电池电压偏低时,先给予一小电流充电直至电池电压回复至正常水平再转入快速充电阶段。
快速充电阶段:刚开始充电时电池电压较低,初始充电电流会较大,利用UC3842的脚3实现限流功能,当输出电流变大,脚3检测电压超过1V时, UC3842输出脉冲便会关断直至下个周期脚3电平降为1V以下。经简单计算,设定原边电流取样电阻大小即可调整限流值。本方案中限制快速冲电电流不能超过4.5A。由图3可知,当充电电压小于27.5V时,光耦为断路,电压环未参与调节,依靠原边限流电路实现恒功率输出。经过快速充电阶段以后,电池电压会有所上升,充电电流会减小,当单片机检测到充电电流减小到一定值或达到一定时间之后即转入补足冲电阶段。
补足充电阶段:当输出电压上升至27.5V以上,光耦回路开通,电压环开始起作用参与输出电压的调整,实现恒压功能,同时单片机PWM端口一定占空比的脉冲以调整输出电压,使充电电压稳定在28.8~29.8V的范围之内。当单片机检测充电电流减小到一定值之后或者达到一定时间之后即转入涓流充电阶段。
涓流充电阶段:在此阶段用不超过0.7A的电流对电池进行充电,以补充电池由于自放电而损失的电量。单片机PWM端口输出一定占空比的脉冲调整输出电压稳定在26.8~27.4V之间。当检测到充电电流下降到0.3A或浮充时间结束时,停止充电。同时单片机不断检测电池端电压,当端电压下降到一定程度,充电器自动进入大电流充电状态。
4 保护功能简介及程序流程图
电池反接保护功能:当MCU检测到电池极性接反之后,继电器不会开通充电。
过放电电池充电保护:电池过放电之后电压会偏低,此时若进行大电流充电很容易过充损坏电池,当单片机检测到电池电压较低时就先转入预充电阶段。
输出过压保护:当MCU检测到电池电压过高,充电器立刻转入浮冲阶段。
输出过流保护:此项保护功能由UC3842完成。
过温保护:通过附加在电池表面的热敏电阻实现温度采样,由MCU改变PWM占空比来实现温度补偿,防止电池温度上升过高。
软件基本流程如下图5所示。实测的充电电压、电流如图6所示。

图5 软件基本流程

图6 充电器充电曲线
5 结语
依据此设计方案制作的三段式蓄电池充电器,可适应AC 100~240V宽范围电压输入,可对24V/48A·h以下容量的蓄电池进行高效率充电,经实际测试,较好地实现了三段式充电,该产品现已顺利实现量产。
作者:丁志亮,李建婷,李又几
铅酸蓄电池具有价格低廉、供电可靠、电压稳定等优点,因此广泛应用于国防、通信、铁路、交通、工农业生产部门。近年来全密封免维护铅酸蓄电池其密封好、无泄漏、无污染等优点,能够保证人体和各种用电设备的安全,而且在整个寿命期间,无需任何维护,从而揭开了铅酸蓄电池发展历程新的一页。众所周知,通信设备一般都采用免维护电池作为备用电源,许多电子设备必须的不间断电源系统(UPS)也离不开免维护电池,此外在应急灯、汽车、游艇中也越来越多的选用免维护电池。然而,由于充电方法不正确,充电技术不能适应免维护电池的特殊需求,造成电池很难达到规定的循环寿命。基于此,本文提出了一种用于全密封免维护铅酸蓄电池的智能充电器设计方案,采用先进的三段式充电控制方法,有效地提高充电效率,延长电池寿命。
1 蓄电池充电特性及充电技术现状
容量和寿命蓄是电池的重要参数,蓄电池的额定容量(C)通常作为电池充放电速率的单位,例如100A·h的蓄电池,采用20A电流充电时,充电速率为C/5。不正确的充电方式不仅会降低电池的储能容量,还会缩短电池的使用寿命。上世纪60年代末期,美国科学家马斯(Mascc)提出了以最低出气率为前提的蓄电池可接受充电电流曲线如图1所示,其充电电流轨迹为一条呈指数规律下降的曲线。

图1 蓄电池可接受充电电流曲线
传统的充电方式无论是定电压充电还是定电流充电均不能提高电池的充电效率,而依据图1充电曲线提出的三段式充电理论则可以大大提高电池的充电效率,缩短充电时间,并能有效延长电池寿命。三段式充电采用先恒流充电,再恒压充电,最后采用浮充进行维护充电。一般分为快速充电、补足充电、涓流充电三个阶段。
快速充电阶段:用大电流对电池进行充电以迅速恢复电池电能,充电速率可以达1C以上,此时充电电压较低,但会限制充电电流在一定数值范围之内。
补足充电阶段:相对于快速充电阶段,补足充电阶段又可以称为慢速充电阶段。当快速充电阶段终止时,电池并未完全充足,还需加入补足充电过程,补足充电速率一般不超过0.3C,因为电池电压经过快速充电阶段后有所升高,所以补足充电阶段的充电电压也应该有所提升,并且恒定在一定范围之内。
涓流充电阶段:在补足充电阶段后期,当检测到温度上升超过极限值或充电电流减小到一定值之后,开始用更小的电流进行充电直至满足一定的条件后结束充电。
2 电路组成部分
本文所介绍的充电器其充电对象为24V铅酸蓄电池,输入电压范围为交流100~240V,28V输出时额定输出电流为4A。该充电器电路由三部分组成,主电路、PWM芯片UC3842控制电路、单片机S3C9454控制电路,整体电路结构如图2所示。由于该充电器功率为100W左右,故功率部分采用成本较低的单端反激电路,利用UC3842作为主电路控制IC。输出端继电器仅在单片机检测符合充电条件后闭合,充电器才能对电池进行充电。

图2 充电器电路原理框图
UC3842为电流型脉宽调制器,具有管脚数量少、外围电路简单、安装与调试简便、性能优良、价格低廉等特点,特别适合用于低成本的小功率反激电路。由于该应用电路已极为成熟,此处就不详加叙述。
S3C9454是三星推出的一款性价比很高的8位单片机,仅20个引脚,具有多个可编程配置的I/O口和一个8位高速PWM输出端口,内部集成了定时/计数器、9通道10位A/D转换器,可以分别对电压、电流及温度信号进行采样,丰富的资源可以很方便地实现三段式充电控制功能及输出过压、过流保护、温度补偿、计时充电等功能。
为实现三段式充电,电路必须能够改变充电电压进而改变充电电流。充电电压的调整电路如图3所示,单片机对电流、电压和温度信号检测之后进行判断,再输出一定大小占空比的PWM信号,送至与输出电压取样电阻R6并联的电阻R7,改变PWM信号的占空比即改变它的平均电平,再通过电阻R7来改变输出电压基准值设定。

图3 输出电压反馈调整电路
本方案中MCU电路供电电源不需要额外的辅助电源,只需从主电路的输出端引出,利用精密稳压器件TL431和电阻、电容等少数元件即可得到较为精确的+5V电平,其电路如下图4所示。

图 4 MCU供 电 电 路
3 控制过程介绍
上电之后,MCU先检测电池有无反接、电池电压、电池温度等信息,然后进行判断是否让继电器导通对电池进行充电。满足条件之后,即开始充电。为保护由于过放电而造成电压偏低的电池遭
受进一步损害,还设置了预充电阶段,即检测电池电压偏低时,先给予一小电流充电直至电池电压回复至正常水平再转入快速充电阶段。
快速充电阶段:刚开始充电时电池电压较低,初始充电电流会较大,利用UC3842的脚3实现限流功能,当输出电流变大,脚3检测电压超过1V时, UC3842输出脉冲便会关断直至下个周期脚3电平降为1V以下。经简单计算,设定原边电流取样电阻大小即可调整限流值。本方案中限制快速冲电电流不能超过4.5A。由图3可知,当充电电压小于27.5V时,光耦为断路,电压环未参与调节,依靠原边限流电路实现恒功率输出。经过快速充电阶段以后,电池电压会有所上升,充电电流会减小,当单片机检测到充电电流减小到一定值或达到一定时间之后即转入补足冲电阶段。
补足充电阶段:当输出电压上升至27.5V以上,光耦回路开通,电压环开始起作用参与输出电压的调整,实现恒压功能,同时单片机PWM端口一定占空比的脉冲以调整输出电压,使充电电压稳定在28.8~29.8V的范围之内。当单片机检测充电电流减小到一定值之后或者达到一定时间之后即转入涓流充电阶段。
涓流充电阶段:在此阶段用不超过0.7A的电流对电池进行充电,以补充电池由于自放电而损失的电量。单片机PWM端口输出一定占空比的脉冲调整输出电压稳定在26.8~27.4V之间。当检测到充电电流下降到0.3A或浮充时间结束时,停止充电。同时单片机不断检测电池端电压,当端电压下降到一定程度,充电器自动进入大电流充电状态。
4 保护功能简介及程序流程图
电池反接保护功能:当MCU检测到电池极性接反之后,继电器不会开通充电。
过放电电池充电保护:电池过放电之后电压会偏低,此时若进行大电流充电很容易过充损坏电池,当单片机检测到电池电压较低时就先转入预充电阶段。
输出过压保护:当MCU检测到电池电压过高,充电器立刻转入浮冲阶段。
输出过流保护:此项保护功能由UC3842完成。
过温保护:通过附加在电池表面的热敏电阻实现温度采样,由MCU改变PWM占空比来实现温度补偿,防止电池温度上升过高。
软件基本流程如下图5所示。实测的充电电压、电流如图6所示。

图5 软件基本流程

图6 充电器充电曲线
5 结语
依据此设计方案制作的三段式蓄电池充电器,可适应AC 100~240V宽范围电压输入,可对24V/48A·h以下容量的蓄电池进行高效率充电,经实际测试,较好地实现了三段式充电,该产品现已顺利实现量产。
作者:丁志亮,李建婷,李又几
射频工程师养成培训教程套装,助您快速成为一名优秀射频工程师...
天线设计工程师培训课程套装,资深专家授课,让天线设计不再难...
上一篇:高效率大功率适配器的研究
下一篇:通信电源监控系统下位机硬件电路的设计
射频和天线工程师培训课程详情>>

