- 易迪拓培训,专注于微波、射频、天线设计工程师的培养
DC-DC电荷泵的研究与设计
电源是电子设备的心脏部分,其质量好坏直接影响着电子设备的可靠性。随着电子技术的不断发展,功耗、体积及转换效率等要求的不断提高,开关电容技术在电源中得到了越来越广泛的应用。开关电源频率要高,这样动态响应才能快,配合高速微处理器工作是必须的,也是减小体积的重要途径。电器产品的体积重量与其供电频率的平方根成反比,所以当把频率从工频50Hz提高到20kHz时,用电设备的体积重量大体上降至工频设计的(5~10)%。由于功率MOS管具有快速开启、关断的特点,满足高速开关动作的需求,这正是开关电源实现变频带来明显效益的基本原因。单片开关电源采用电荷泵技术通过功率MOS管控制电容的充放电来实现电压的转换,从而极大地缩小了电源体积,提高了转换效率,具有高集成度、高性价比、最简外围电路、最佳性能指标等优点,一般说来其重量是线形电源的1/4,体积是其1/3。本文从电荷泵的基本原理[1]出发,设计开发了一种负电压电荷泵,详细分析了它的工作原理,并在基本模型的基础上针对开关速度以及功耗和转换率等方面提出了一定的改进。
2 Dickson电荷泵基本原理
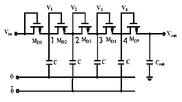
最早的理想电荷泵模型是J. Dickson在1976年提出的,其基本思想就是通过电容对电荷的积累效应而产生高压使电流由低电势流向高电势,当时这种电路是为了提供可擦写 EPROM所需要的电压。后来J. Witters, Toru Tranzawa等人对J . Dickson的电荷泵模型进行改进,提出了比较精确的理论模型,并通过实验加以证实提出了一些理论公式。随着集成电路的不断发展,基于低功耗、低成本的考虑,电荷泵在集成电路中的应用越来越广泛了。图1为简单的倍(multiplier charge pump)开关电源的基本原理图[1]。

当f 为低电频时,MD1管导通,Vin对与结点1相连的电容进行充电,直到结点1的电压为Vin-Vtn;当f为高电频时,结点1的电压变为Vf+Vin- Vtn,此时MD2导通,对与结点2相连的电容进行充电,直至结点2的电压变为Vf+Vin-2Vtn;f再度变为低电频,结点2上电压为2Vf+Vin -2Vtn;如此循环,直到完成四级电容的充放电,可以推得输出电压:
Vout=Vin+4 (Vf-Vtn)-Vtn
由此可以得到对于N级倍压电荷泵的电压增益为:
Vout=Vin+N(Vf-Vtn)-Vtn (1)
但在实际电路中由于Vf受到开关管寄生电容Cs的影响,其真实值应为
Vf=(C/(C+Cs))×Vf (2)
将(2)式代入(1)式可得
Vout=Vin+N((C/(C+Cs))×Vf-Vtn)-Vtn (3)
当考虑负载后,由于负载会从电路中抽取电流Iout,负载上具有NIout/((C+Cs)fosc)大小的压降,代入(3)式得到输出电压
Vout=Vin+N ((C/(C+Cs))×Vf -Iout/((C+Cs)fosc-Vtn))-Vtn (4)
对于Dickson型电荷泵,单级电压增益
Gv=VN-VN-1=( C / ( C + Cs ) )×Vf
- Iout / (( C + Cs ) fosc)- Vtn
Dickson倍压电荷泵需要满足很重要的一个条件就是
(C/(C+Cs))×Vf-Vtn-Iout/((C+Cs)fosc)>0
由于该式与N无关,故而从理论上来说,电压可以通过倍压泵放大从而得到理想的电压值。
3 Dickson电荷泵模型的推广
由Dickson电荷泵理论可以推广得到产生负电压的开关电容电路,如图2所

其基本原理与Dickson电荷泵是一致的,但是利用电容两端电压差不会跳变的特性,当电路保持充放电状态时,电容两端电压差保持恒定。在这种情况下将原来的高电位端接地,从而可得到负电压输出。由原理图分析可知,当时钟信号为高电频时功率开关管S1、S2同时导通,S3,S4同时关断,VIN对电容 CFLY进行充电,Vcap+=VIN-Vtp-Vtn,Vcap-= Vtn;当时钟信号为低电频时S1、S2关断,S3,S4同时导通,CFLY上存储的电荷通过S3,S4传送到Cout上,由于Cout高电位端接地,故输出端VOUT=-(VIN-Vtp)。当考虑负载后,由于负载会从电路中抽取电流Iout,负载上具有-Iout/((C+Csn+Csp)fosc) 大小的压降,输出电压
VOUT=-(VIN-Vtp-Iout/((CFLY+Csn+Csp)fosc)
-Iout/((COUT+Csn+Csp)fosc)) (5)
4 对输出为负电压电荷泵的改进
(1) 功率MOSFET作为开关管的特点:
图2中的S1、S2、S3、S4采用功率MOS管器件,功率MOSFET是压控元件, 具有输入阻抗大、开关速度快、无二次击穿现象等特点。功率场效应管(MOSFET)由于是单极性多子导电,显著地减小了开关时间。但是对于MOS管来说决定开关速度的因素有二:一是开关电容的导通电阻,二是充放电电容的大小,为了获得较高的采样速度需要采用大宽长比的器件(采用大尺寸的功率MOS管)和较小值的电容。然而栅极的驱动速度在很大程度上也决定了功率MOSFET 的开关速度,这就需要提供具有高速驱动能力的电路来满足这一要求。为了减小开关时间,对MOS管的驱动电路进行一定的改进。实际应用中功率MOSFET的输出级还要带负载,因此影响开关速度的大小不光有驱动速度的问题,还有输出负载大小的问题。
(2)功率MOSFET驱动特性分析:
功率MOSFET的极间电容较大,其等效电路如图3所示[3],输入电容Cin=CGS+CGD,输出电容COUT=CDS+CGD,CGD作为反馈电容。

开关管开通延迟时间td=-CinRonln|1-VGS/VGG|
上升时间tr=2.2Ron(Ciss+(1-A)Cgd),其中A为与△VDS/△VGS相关的系数。
整个开通时间ton=td+tr (6)
由于Ron=VGS/IOM为开关管的导通电阻,代入式(6)可得:
由(7)式可知,开关的导通速度与通过开关的电流大小成正比,电流越大,ton越小,开关的速度越快。为提高MOSFET管的驱动速度,要求驱动电路:
a)能够提供足够大的驱动电流, 即驱动电路的充电电阻要充分小, 以缩短导通时间。
b)具有足够的泄流能力, 即放电电阻要充分小,以提高开关管的关断速度。
根据以上要求,考虑到由于三极管的导通电阻小的特点,并且对管互补作用消除了少数载流子存储时间的影响,可以达到很高的驱动速度,因此采用互补对称型射极输出器(图4)来驱动功率MOS

该驱动电路利用V4、R1、R2组成模拟电压源,产生正向偏压,使其值等于或稍大于导通电压,只要有信号输入,R1、R2即可轮流导通,克服了互补对称管必然存在的交越失真现象。忽略IB4,
5 时钟控制信号
(1)为了提高MOS管的开关速度,我们来考察一下电容两端电压与时间的关系从而确定最小时钟周期,减小功耗,提高转换效率。
在不考虑沟道调制效应的前提下,电容在放电过程中所产生的电压输出与时间的关系:
VOUT=
其中t1为充电过程中MOS管从饱和导通到进入线性区的时间是一个和工艺有关的常数。
充电过程的输出电压和时间的关系:
VOUT=VDD-VTH-
由(8)、 (9)两式明确了输出电压与时间的比例关系后根据工艺和仿真工具确定最小时钟频率,既要保证电容充放电完全又要尽量使用高频时钟减小电路功耗提高转换率。
(2)为了避免电容在没有完全充放电时即进入相对工作状态影响导通时间的准确性及对开关管性能的影响采用非交叠时钟信号。图5即为非交叠时钟的产生电路,CLK为原始的时钟信号,Φ1和Φ2为相位相反的非交叠时钟信号。

6 仿真结果
本文介绍的电路采用贝岭1μP阱工艺在Cadence IC 5.0下仿真工具SPECTRE的电路仿真波形如图6所示。

由仿真结果可知输出基本达到了预定要求-3V,误差不超过0.09V
小结
本文介绍了一种采用开关电容技术产生负电压的电荷泵电路,通过对其工作原理的分析找到一系列改进性能的切口。同时通过提高MOS管的驱动,提高了开关管的速度,增强了电路的稳定性及转换效率,实践证明这一电路是很有使用价值的。
参考文献:
[1] JOHN F DICKSON. On chip High-Voltage Generation in MNOS Integrated Circuits Using an Improved voltage Multiplier Technique. IEEE JOURNAL OF SOLID-STATE CIRCUITS, JUNE 1976:374
[2] Toru Tanzawa and Tomoharu Tanaka. A Dynamic Analysis of the Dickson Charge Pump Circuit. IEEE JOURNAL OF SOLID-STATE CIRCUITS, AUGUST 1997;VOL.32: 1231
[3] 张立等. 现代电力电子技术. 科学出版社. 1995
射频工程师养成培训教程套装,助您快速成为一名优秀射频工程师...
天线设计工程师培训课程套装,资深专家授课,让天线设计不再难...
上一篇:一种通信电源监控系统组网方案的设计
下一篇:各电源开关系列主要技术指标

