- 易迪拓培训,专注于微波、射频、天线设计工程师的培养
一种通信电源监控系统组网方案的设计
录入:edatop.com 点击:
1 引言
《通信电源和空调集中监控系统技术要求》中规定监控系统在结构上是一个多级的分布式计算机监控网络[2],一般可分为三级,即监控中心(SC—Supervision Center)、监控站(SS—Supervision Station)和监控单元(SU—Supervision Unit)。对于通信电源监控系统来说,没有必要设置监控中心,因此可以简化为两级集散式结构,由上位机和下位机组成[1-2]。
2 通信电源监控系统组网方案探讨
通信电源监控系统的组网目前主要可以考虑采用以下几种方案:
第一种是目前仍然广泛使用的主从式总线网络,这种网络结构以上位机为中心,通过RS485或RS422接口将各种具有通信功能的下位机连接起来,采用查询方式来实现遥测、遥信和遥控功能,下位机与智能设备之间则可以采用点对点的串行通信(RS232)。这种结构的优点是可以十分方便的实现小规模监控系统,缺点是组网受到通信距离的限制。
第二种是现场总线网络,它放弃了传统的主从式网络结构,实现了真正意义上的全分布式结构,使得每一个下位机都可以当作网络中一个对等的节点。同时它还提供了到上一层网络的接口,可以方便的接入SCADA系统,实现远程通信及远程下载功能。其缺点是在与计算机互联时,还需要专门的网关,而且标准众多,难以普及。
第三种是以太网网络,随着计算机技术的发展,目前在有些通信电源监控系统中应用了以太网技术。这里的以太网是指由下位机和上位机直接通过以太网互连而生成的对等网络,在这种结构中,不仅下位机之间是对等的,而且计算机作为 "上位机"的概念也变得非常模糊。与前两种方案相比较而言,它具有较高的速度,但其缺点是造价不菲,难以适用于通信电源监控系统。
通过上述分析可以看出,传统的主从式网络最适合于通信电源监控系统的组网,但由于受到距离限制,因此必须加以改进。本系统利用现有的PSTN网解决了这一问题,即下位机与上位机之间的通信通过PSTN网实现,下位机与智能设备之间的通信则通过RS485构成主从式网络实现。
3 通信模块硬件电路设计
下位机作为直接面向设备的从机需要与上位机进行远程通信,同时下位机还要作为主机与各种智能设备通信。因此在本系统中同时采用了RS232和RS485 两种通信方式,其中下位机与上位机之间的通信通过RS232接入PSTN网实现,完成获取参数、传输数据以及远程报警等功能;下位机与各种智能设备之间的通信则通过RS485组网实现,获取数据及其工作状态[4]。
在本系统中,通信模块采用了单独的微处理器DS80C320,它在普通单片机基础上为P1口也定义了第二功能,从而拥有四个全双工串行通信口、六个外部中断、三个定时/计数器,而且在指令上与8051完全兼容,对于监控系统的通信单元来说十分适用。
3.1 下位机与上位机之间的通信
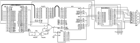
下位机与上位机之间的通信采用了PSTN网作为媒介,可以通过以下三种方案实现:第一种方案是采用专用Modem芯片,将Modem的功能直接在下位机中实现;第二种方案是扩展一个类似PCI或ISA的插槽,通过内置Modem连至PSTN网;第三种是扩展一个标准的全双工RS232通信接口,通过外置 Modem连至PSTN网。以上三种方案中,第一种方案具有成本低、便于集成化设计的优点,但缺点是软硬件的设计较为复杂,系统可靠性不高;第二种方案与内置Modem和扩展槽的硬件设计密切相关,不利于维护和升级;第三种方案具有通用性好、可靠性高、维护方便的优点,因此在本系统中采用第三种方案来实现下位机与上位机之间的通信。其具体实现电路如图1所示:
图1中,8251是通用同步/异步收发器,它具有独立的接收器和发送器,通过编程可以以单工、半双工或全双工的方式进行通信。同时它还提供了多个控制信号,可以方便的实现与Modem之间的互联。由DS80C320的ALE、
、
组合产生2MHz脉冲作为8251的时钟信号,同时这一脉冲经过CD4024组成的分频器进行64分频后作为8251的接收、发送时钟。8251的片选信号 与地址译码器74LS138的 相连,控制/数据端
接地址线A0,因此,8251的控制字寄存器和状态字寄存器的地址为BFFFH,数据缓冲地址为BFFEH。RXD和TXD完成数据的接收和发送,其他控制信号完成单片机与Modem之间的状态控制和检测:振铃指示信号RI经电平转换以后接至DS80C320的外部中断
;载波检测信号CD经电平转换以后接至DS80C320的P1.1。当上位机拨号呼叫下位机时,振铃指示信号RI产生振铃,作为外部中断源产生中断,通信处理器复位P1.1输出有效DTR信号,摘机进入应答通信状态。
3.2 下位机与智能设备之间的通信
下位机与智能设备之间采用RS485主从式通信。RS485采用平衡发送和差分接收的方式来实现通信,具有很强的抗共模干扰能力,传输距离在10Kbps传输速率下可达1.2公里。其具体实现方案如图2所示。
在采用这种通信方案时应注意以下几点:
(1) 在总线末端应接一个匹配电阻,吸收总线上的反射信号,消除信号传输中的毛刺,保证信号纯度;
(2)当总线上无信号传输时,处于悬浮状态,易受到干扰。因此应在差分信号的正、反端之间,正端与电源之间,反端与地之间各串接一个10K电阻,这样一来,当总线上无信号传输时,正端电平约为3.3V,负端电平约为1.7V,此时即使有干扰信号,也很难产生串行通信的起始信号"0";
(3)由于RS485是一种半双工的通信方式,发送和接收共用一条通道,本系统采用MAX485对其进行扩展,接收、转换功能由和DE控制,因此必须采用处理器的一根口线控制其工作方式。由于单片机复位时,各端口均为高电平,因此在连接时必须注意将该口线与DE相连,其反向信号与相连,以保证系统复位时,主从机都处于接收状态。
4 通信模块软件设计
4.1 上位机与下位机通信流程
上位机与下位机之间的通信包括上位机主动呼叫、下位机响应呼叫和下位机报警呼叫、上位机响应呼叫两种情况,其软件流程分别如图3、图4所示(只给出了下位机部分的程序流程)。

4.2 下位机与智能设备通信流程
由于RS485是半双工的通信方式,发送和接收均由同一器件和同一通道完成,因此控制信号高低电平的转换十分关键。本系统将单片机的发送中断标志TI和接收中断标志RI作为切换的参考,但此时必须注意应保证控制端 、DE的信号有效脉宽大于发送或接收一帧信号的长度。其具体的软件流程如图5所示。
5 实验结果
以交、直流电压为例给出该监控系统测试结果(测试用标准表为ESCORT3155A;测试环境温度均为180C)。直流电压信号测试结果如表1所示;交流电压测试结果(以A相交流输入为例)如表2所示。

从以上实验结果可以看出,系统具有较高的测量精度,完全可以满足《通信电源和空调集中监控系统技术要求》中的规定。
6 结束语
文章首先对通信电源监控系统目前存在的几种主要组网方案进行了分析,得出了传统的主从式网络优于其它组网方案而更适合于通信电源监控系统组网的结论,并针对传统的主从式网络受距离限制的缺点提出了一种改进方案。实践证明该改进方案对于目前已相当普遍的通信电源监控系统十分适用,基于该组网方案的通信电源监控系统具有采集精度高、成本低廉、便于升级等优点。
参考文献:
[1] YDN023—1996.通信电源和空调集中监控系统技术要求及通信协议[S].
[2] 刘希禹.通信电源与空调及环境集中监控系统[M].北京:人民邮电出版社,1999.
[3] 马明建,数据采集与处理技术[M]. 西安:西安交通大学出版社,2000.
[4] 曹保根,主从式RS485应用系统的设计与调式[J],电子技术2000,NO.2.
《通信电源和空调集中监控系统技术要求》中规定监控系统在结构上是一个多级的分布式计算机监控网络[2],一般可分为三级,即监控中心(SC—Supervision Center)、监控站(SS—Supervision Station)和监控单元(SU—Supervision Unit)。对于通信电源监控系统来说,没有必要设置监控中心,因此可以简化为两级集散式结构,由上位机和下位机组成[1-2]。
2 通信电源监控系统组网方案探讨
通信电源监控系统的组网目前主要可以考虑采用以下几种方案:
第一种是目前仍然广泛使用的主从式总线网络,这种网络结构以上位机为中心,通过RS485或RS422接口将各种具有通信功能的下位机连接起来,采用查询方式来实现遥测、遥信和遥控功能,下位机与智能设备之间则可以采用点对点的串行通信(RS232)。这种结构的优点是可以十分方便的实现小规模监控系统,缺点是组网受到通信距离的限制。
第二种是现场总线网络,它放弃了传统的主从式网络结构,实现了真正意义上的全分布式结构,使得每一个下位机都可以当作网络中一个对等的节点。同时它还提供了到上一层网络的接口,可以方便的接入SCADA系统,实现远程通信及远程下载功能。其缺点是在与计算机互联时,还需要专门的网关,而且标准众多,难以普及。
第三种是以太网网络,随着计算机技术的发展,目前在有些通信电源监控系统中应用了以太网技术。这里的以太网是指由下位机和上位机直接通过以太网互连而生成的对等网络,在这种结构中,不仅下位机之间是对等的,而且计算机作为 "上位机"的概念也变得非常模糊。与前两种方案相比较而言,它具有较高的速度,但其缺点是造价不菲,难以适用于通信电源监控系统。
通过上述分析可以看出,传统的主从式网络最适合于通信电源监控系统的组网,但由于受到距离限制,因此必须加以改进。本系统利用现有的PSTN网解决了这一问题,即下位机与上位机之间的通信通过PSTN网实现,下位机与智能设备之间的通信则通过RS485构成主从式网络实现。
3 通信模块硬件电路设计
下位机作为直接面向设备的从机需要与上位机进行远程通信,同时下位机还要作为主机与各种智能设备通信。因此在本系统中同时采用了RS232和RS485 两种通信方式,其中下位机与上位机之间的通信通过RS232接入PSTN网实现,完成获取参数、传输数据以及远程报警等功能;下位机与各种智能设备之间的通信则通过RS485组网实现,获取数据及其工作状态[4]。
在本系统中,通信模块采用了单独的微处理器DS80C320,它在普通单片机基础上为P1口也定义了第二功能,从而拥有四个全双工串行通信口、六个外部中断、三个定时/计数器,而且在指令上与8051完全兼容,对于监控系统的通信单元来说十分适用。
3.1 下位机与上位机之间的通信
下位机与上位机之间的通信采用了PSTN网作为媒介,可以通过以下三种方案实现:第一种方案是采用专用Modem芯片,将Modem的功能直接在下位机中实现;第二种方案是扩展一个类似PCI或ISA的插槽,通过内置Modem连至PSTN网;第三种是扩展一个标准的全双工RS232通信接口,通过外置 Modem连至PSTN网。以上三种方案中,第一种方案具有成本低、便于集成化设计的优点,但缺点是软硬件的设计较为复杂,系统可靠性不高;第二种方案与内置Modem和扩展槽的硬件设计密切相关,不利于维护和升级;第三种方案具有通用性好、可靠性高、维护方便的优点,因此在本系统中采用第三种方案来实现下位机与上位机之间的通信。其具体实现电路如图1所示:
![]() |
| 图1 DS80C320与Modem硬件接口图 |
图1中,8251是通用同步/异步收发器,它具有独立的接收器和发送器,通过编程可以以单工、半双工或全双工的方式进行通信。同时它还提供了多个控制信号,可以方便的实现与Modem之间的互联。由DS80C320的ALE、
3.2 下位机与智能设备之间的通信
下位机与智能设备之间采用RS485主从式通信。RS485采用平衡发送和差分接收的方式来实现通信,具有很强的抗共模干扰能力,传输距离在10Kbps传输速率下可达1.2公里。其具体实现方案如图2所示。
![]() |
| 图2 RS485通信的整体实现方案 |
在采用这种通信方案时应注意以下几点:
(1) 在总线末端应接一个匹配电阻,吸收总线上的反射信号,消除信号传输中的毛刺,保证信号纯度;
(2)当总线上无信号传输时,处于悬浮状态,易受到干扰。因此应在差分信号的正、反端之间,正端与电源之间,反端与地之间各串接一个10K电阻,这样一来,当总线上无信号传输时,正端电平约为3.3V,负端电平约为1.7V,此时即使有干扰信号,也很难产生串行通信的起始信号"0";
(3)由于RS485是一种半双工的通信方式,发送和接收共用一条通道,本系统采用MAX485对其进行扩展,接收、转换功能由和DE控制,因此必须采用处理器的一根口线控制其工作方式。由于单片机复位时,各端口均为高电平,因此在连接时必须注意将该口线与DE相连,其反向信号与相连,以保证系统复位时,主从机都处于接收状态。
4 通信模块软件设计
4.1 上位机与下位机通信流程
上位机与下位机之间的通信包括上位机主动呼叫、下位机响应呼叫和下位机报警呼叫、上位机响应呼叫两种情况,其软件流程分别如图3、图4所示(只给出了下位机部分的程序流程)。

4.2 下位机与智能设备通信流程
由于RS485是半双工的通信方式,发送和接收均由同一器件和同一通道完成,因此控制信号高低电平的转换十分关键。本系统将单片机的发送中断标志TI和接收中断标志RI作为切换的参考,但此时必须注意应保证控制端 、DE的信号有效脉宽大于发送或接收一帧信号的长度。其具体的软件流程如图5所示。
![]() |
| 图5 本地通信程序框图 |
5 实验结果
以交、直流电压为例给出该监控系统测试结果(测试用标准表为ESCORT3155A;测试环境温度均为180C)。直流电压信号测试结果如表1所示;交流电压测试结果(以A相交流输入为例)如表2所示。

从以上实验结果可以看出,系统具有较高的测量精度,完全可以满足《通信电源和空调集中监控系统技术要求》中的规定。
6 结束语
文章首先对通信电源监控系统目前存在的几种主要组网方案进行了分析,得出了传统的主从式网络优于其它组网方案而更适合于通信电源监控系统组网的结论,并针对传统的主从式网络受距离限制的缺点提出了一种改进方案。实践证明该改进方案对于目前已相当普遍的通信电源监控系统十分适用,基于该组网方案的通信电源监控系统具有采集精度高、成本低廉、便于升级等优点。
参考文献:
[1] YDN023—1996.通信电源和空调集中监控系统技术要求及通信协议[S].
[2] 刘希禹.通信电源与空调及环境集中监控系统[M].北京:人民邮电出版社,1999.
[3] 马明建,数据采集与处理技术[M]. 西安:西安交通大学出版社,2000.
[4] 曹保根,主从式RS485应用系统的设计与调式[J],电子技术2000,NO.2.
射频工程师养成培训教程套装,助您快速成为一名优秀射频工程师...
天线设计工程师培训课程套装,资深专家授课,让天线设计不再难...
上一篇:变频电源系统原理
下一篇:DC-DC电荷泵的研究与设计
射频和天线工程师培训课程详情>>




