- 易迪拓培训,专注于微波、射频、天线设计工程师的培养
开关电源的软起动电路
录入:edatop.com 点击:
1引言
开关电源的输入电路大都采用整流加电容滤波电路。在输入电路合闸瞬间,由于电容器上的初始电压为零会形成很大的瞬时冲击电流(如图1所示),特别是大功率开关电源,其输入采用较大容量的滤波电容器,其冲击电流可达100A以上。在电源接通瞬间如此大的冲击电流幅值,往往会导致输入熔断器烧断,有时甚至将合闸开关的触点烧坏,轻者也会使空气开关合不上闸,上述原因均会造成开关电源无法正常投入。为此几乎所有的开关电源在其输入电路设置防止冲击电流的软起动电路,以保证开关电源正常而可靠的运行。
2常用软起动电路
(1)采用功率热敏电阻电路
热敏电阻防冲击电流电路如图2所示。它利用热敏电阻的Rt的负温度系数特性,在电源接通瞬间,热敏电阻的阻值较大,达到限制冲击电流的作用;当热敏电阻流过较大电流时,电阻发热而使其阻值变小,电路处于正常工作状态。采用热敏电阻防止冲击电流一般适用于小功率开关电源,由于热敏电阻的热惯性,重新恢复高阻需要时间,故对于电源断电后又需要很快接通的情况,有时起不到限流作用。
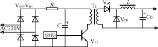
(2)采用SCR睷电路
该电路如图3所示。在电源瞬时接通时,输入电压经整流桥VD1睼D4和限流电阻R对电容器C充电。当电容器C充电到约80%的额定电压时,逆变器正常工作,经主变压器辅助绕组产生晶闸管的触发信号,使晶闸管导通并短路限流电阻R,开关电源处于正常运行状态。
这种限流电路存在如下问题:当电源瞬时断电后,由于电容器C上的电压不能突变,其上仍有断电前的充电电压,逆变器可能还处于工作状态,保持晶闸管继续导通,此时若马上重新接通输入电源,会同样起不到防止冲击电流的作用。
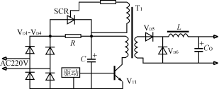
(3)具有断电检测的SCR睷电路
该电路如图4所示。它是图3的改进型电路,
VD5、VD6、VT1、RB、CB组成瞬时断电检测电路,时间常数RBCB的选取应稍大于半个周期,当输入发生瞬间断电时,检测电路得到的检测信号,关闭逆变器功率开关管VT2的驱动信号,使逆变器停止工作,同时切断晶闸管SCR的门极触发信号,确保电源重新接通时防止冲击电流。
(4)继电器K1与电阻R构成的电路
该电路原理图如图5所示。电源接通时,输入电压经限流电阻R1对滤波电容器C1充电,同时辅助电源VCC经电阻R2对并接于继电器K1线包的电容器C2充电,当C2上的充电电压达到继电器的动作电压时,K1动作,旁路限流电阻R1,达到瞬时防冲击电流的作用。通常在电源接通之后,继电器K1动作延时0.3~0.5秒,否则限流电阻R1因通流时间过长会烧坏。
然而这种简单的RC延迟电路在考虑到继电器吸合电压时还必须顾及流过线包的电流,一般电阻的阻值较小而电容的容量较大,延迟时间很难准确控制,这主要是电容容量的误差和漏电流造成,需要仔细地挑选和测试。同时继电器的动作阈值取决于电容器C2上的充电电压,继电器的动作电压会抖动及振荡,造成工作不可靠。
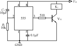
(5)采用定时触发器的继电器与限流电阻的电路
该电路如图6所示(仅画出定时电路,主电路同图5),它是图5的改进型电路。电源接通时,输入电压经整流桥和限流电阻R1对C1充电,同时定时时基电路555的定时电容C2由辅助电源经定时电阻 R2开始充电,经0.3秒后,集成电路555的2端电压低于二分之一电源电压,其输出端3输出高电平,VT2导通,继电器K1动作,限流电阻R1被旁路,直流供电电压对C1继续充电而达到额定值,逆变器处于正常工作状态。由于该电路在RC延迟定时电路与继电器之间插入了单稳态触发器和电流放大器,确保继电器动作干脆、可靠,有效地起到防止冲击电流的效果,而不会像图5电路那样由于继电器动作的不可靠性而烧坏限流电阻及继电器的自身触点。
(6)过零触发的光耦可控硅与双向可控硅构成的电路
该电路如图7所示。集成稳压器输出稳定的 5V电压,为软起动电路提供电源电压。晶体管VT1、反相器IC2构成过零触发电路,IC1555构成单稳态触发器,R1、C1为定时周期,但因5端至1 端接有延迟电路R2、C2,所以555是逐步达到满周期的。当电网电压过零时,晶体管VT1截止,反相器IC2输出低电平,起动定时电路555工作,软起动延迟时间由时间常数R1C1及R2C2共同决定。
开关电源的输入电路大都采用整流加电容滤波电路。在输入电路合闸瞬间,由于电容器上的初始电压为零会形成很大的瞬时冲击电流(如图1所示),特别是大功率开关电源,其输入采用较大容量的滤波电容器,其冲击电流可达100A以上。在电源接通瞬间如此大的冲击电流幅值,往往会导致输入熔断器烧断,有时甚至将合闸开关的触点烧坏,轻者也会使空气开关合不上闸,上述原因均会造成开关电源无法正常投入。为此几乎所有的开关电源在其输入电路设置防止冲击电流的软起动电路,以保证开关电源正常而可靠的运行。
2常用软起动电路
(1)采用功率热敏电阻电路
热敏电阻防冲击电流电路如图2所示。它利用热敏电阻的Rt的负温度系数特性,在电源接通瞬间,热敏电阻的阻值较大,达到限制冲击电流的作用;当热敏电阻流过较大电流时,电阻发热而使其阻值变小,电路处于正常工作状态。采用热敏电阻防止冲击电流一般适用于小功率开关电源,由于热敏电阻的热惯性,重新恢复高阻需要时间,故对于电源断电后又需要很快接通的情况,有时起不到限流作用。
(2)采用SCR睷电路
该电路如图3所示。在电源瞬时接通时,输入电压经整流桥VD1睼D4和限流电阻R对电容器C充电。当电容器C充电到约80%的额定电压时,逆变器正常工作,经主变压器辅助绕组产生晶闸管的触发信号,使晶闸管导通并短路限流电阻R,开关电源处于正常运行状态。
这种限流电路存在如下问题:当电源瞬时断电后,由于电容器C上的电压不能突变,其上仍有断电前的充电电压,逆变器可能还处于工作状态,保持晶闸管继续导通,此时若马上重新接通输入电源,会同样起不到防止冲击电流的作用。
(3)具有断电检测的SCR睷电路
该电路如图4所示。它是图3的改进型电路,
![]() | ![]() |
| 图1合闸瞬间滤波电容电流波形 | 图2采用热敏电阻电路 |
![]() | ![]() |
| 图3采用SCR睷电路 | 图4具有断电检测的SCR睷电路 |
![]() | ![]() |
| 图5由继电器与电阻构成的电路 | 图6定时电路 |
![]() |
| 图7过零触发的光耦可控硅与双向可控硅构成的电路 |
VD5、VD6、VT1、RB、CB组成瞬时断电检测电路,时间常数RBCB的选取应稍大于半个周期,当输入发生瞬间断电时,检测电路得到的检测信号,关闭逆变器功率开关管VT2的驱动信号,使逆变器停止工作,同时切断晶闸管SCR的门极触发信号,确保电源重新接通时防止冲击电流。
(4)继电器K1与电阻R构成的电路
该电路原理图如图5所示。电源接通时,输入电压经限流电阻R1对滤波电容器C1充电,同时辅助电源VCC经电阻R2对并接于继电器K1线包的电容器C2充电,当C2上的充电电压达到继电器的动作电压时,K1动作,旁路限流电阻R1,达到瞬时防冲击电流的作用。通常在电源接通之后,继电器K1动作延时0.3~0.5秒,否则限流电阻R1因通流时间过长会烧坏。
然而这种简单的RC延迟电路在考虑到继电器吸合电压时还必须顾及流过线包的电流,一般电阻的阻值较小而电容的容量较大,延迟时间很难准确控制,这主要是电容容量的误差和漏电流造成,需要仔细地挑选和测试。同时继电器的动作阈值取决于电容器C2上的充电电压,继电器的动作电压会抖动及振荡,造成工作不可靠。
(5)采用定时触发器的继电器与限流电阻的电路
该电路如图6所示(仅画出定时电路,主电路同图5),它是图5的改进型电路。电源接通时,输入电压经整流桥和限流电阻R1对C1充电,同时定时时基电路555的定时电容C2由辅助电源经定时电阻 R2开始充电,经0.3秒后,集成电路555的2端电压低于二分之一电源电压,其输出端3输出高电平,VT2导通,继电器K1动作,限流电阻R1被旁路,直流供电电压对C1继续充电而达到额定值,逆变器处于正常工作状态。由于该电路在RC延迟定时电路与继电器之间插入了单稳态触发器和电流放大器,确保继电器动作干脆、可靠,有效地起到防止冲击电流的效果,而不会像图5电路那样由于继电器动作的不可靠性而烧坏限流电阻及继电器的自身触点。
(6)过零触发的光耦可控硅与双向可控硅构成的电路
该电路如图7所示。集成稳压器输出稳定的 5V电压,为软起动电路提供电源电压。晶体管VT1、反相器IC2构成过零触发电路,IC1555构成单稳态触发器,R1、C1为定时周期,但因5端至1 端接有延迟电路R2、C2,所以555是逐步达到满周期的。当电网电压过零时,晶体管VT1截止,反相器IC2输出低电平,起动定时电路555工作,软起动延迟时间由时间常数R1C1及R2C2共同决定。
射频工程师养成培训教程套装,助您快速成为一名优秀射频工程师...
天线设计工程师培训课程套装,资深专家授课,让天线设计不再难...
上一篇:高温镍氢电池关键技术
下一篇:基于MAX1501的锂离子电池充电器的研制
射频和天线工程师培训课程详情>>








