- 易迪拓培训,专注于微波、射频、天线设计工程师的培养
基于电源芯片VB409的无变压器供电电源设计
1 VB409概述
VB409是ST公司推出的电源处理产品。其PENTAWATTHV(022Y)封装形式的产品大小与普通TO220封装的7805相近,只是引出脚为5个;还有一种PowerSO10封装的产品是10脚表面贴装式IC。输入端可以直接接入AC 220 V,且输入端允许的最高输入电压为AC 580 V。输出部分有2个: 一个是最终输出OUTPUT1,为+5V;另一个是芯片的中间输出OUTPUT2,典型值为16 V。对负载的供电能力为:OUTPUT1最大为80 mA,OUTPUT2最大为25mA。图1为VB409的内部结构图[1]。

图1 VB409内部结构图
VB409采取的是导通角技术,即在交流电的一个周期中,根据负载的电流大小,自动调整每个周期的导通时间。也就是说,只在每个正周期的低压部分,从电源吸收电能,因此极大地降低了功耗,电流输出能力是线性电源的3倍。其工作波形如图2所示。

图2 VB409的工作波形
从图1中还可以看出,VB409还有输入、输出电流的限制和热保护功能。其作用在于:一方面当输出短路时限制电流的输出;另一方面当过载时关断芯片。
需要说明的是,OUTPUT1的输出范围为4.75~5.25 V,典型值为5 V,负载电流每增大1 mA,对输出影响为0.5mV,精度是比较高的;而OUTPUT2的输出范围为8~16V。因此,OUTPUT2的输出比较适合于作为继电器一类的驱动电源使用。如果想作为放大器的工作电源,则需要再进行一次降压式稳压。
2 VB409构成的电源系统
图3为VB409组成的电源电路。

图3 VB409组成的电源电路
图3中,D1实现半波整流,C2为涤纶电容,C3为高压电解电容,R1、R2为金属膜1/4 W电阻,C1耐压为25 V。
图1中,Vref1的电压为12V左右,Threshold端的电压高于Vref1将关断输入向输出的传送,Threshold端的工作电流最小为30μA。因此,R1与R2之和决定工作电流,R1与R2之比确定加在Threshold端的最高电压。图2中,t1、t2所处的位置对应的输入电压V1即关断的门限电压值。这个值的大小为: V1=Vref1。
V1是变化的交流电,变化规律为:
![]()
在这里,将VIN等比例缩小至V1,可以提高期间的工作可靠性。
当输入电压为AC 220 V,Threshold端的工作电流约为120 μA时,R1+R2=1.86 MΩ。按此参数设置,当输入电压为AC 60 V时,Threshold端的工作电流约为30 μA,还能够正常工作。同理,适当配置R1和R2的值,还可以确定输入电压的有效范围,VB409允许最小输入电压可至12V。C1值的确定参见图1和图2。
C1提供输入短路关断时维持输出电路的电压,同时提供OUTPUT2较为稳定的输出。由于充、放电时间变慢,C1的值越大,OUTPUT2的输出电压值越低,但是能够提供较大的输出电流;反之,C1的值小,充、放电时间越快,OUTPUT2的输出电压值也就越高,但是能够提供的输出电流变小。一般C1的值在47~220 μF之间选择,典型值为100 μF。
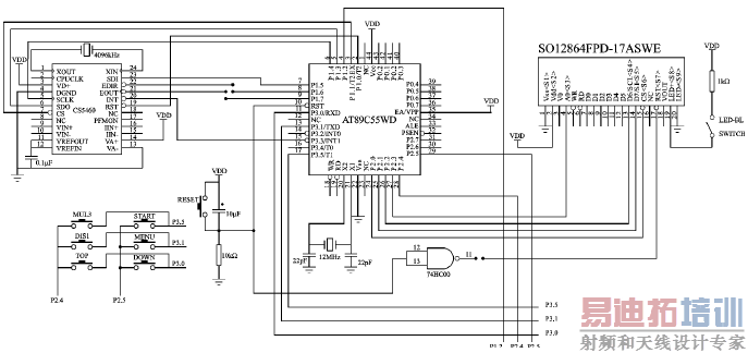
3 实例MCU应用系统
使用VB409为主电源供给MCU应用系统,在设计之前,应首先估算系统的5 V电源的总功耗。计算时要将灌电流、拉电流一并计算。
图4为笔者设计的一个典型应用系统的原理图。图4为测量电能并在LCD上显示的MCU应用系统。CPU采用AT89C55WD,最大耗电量为20 mA(若采用STC89C58RD+,则耗电量可降至9 mA左右);LCD选用SO12864,采用COG式,连同背光最大耗电为20mA;功率/电能计量芯片CS5460的最大耗电量为5 mA,加上复位、键盘等最大耗电量小于50 mA;继电器输出没有画出,耗电量为12mA。因此,完全可以使用VB409供电,且系统体积小,完全可以放置在LCD背后。

图4 一个典型应用系统原理图
结语
由于没有变压器,因此就失去了电流的绝缘,所以采用VB409作为供电电源,要用在对电流绝缘没有要求的场合,例如洗衣机、中央供热、功率计量等。对于需要电流绝缘的场合,需在供电输入端加一个1∶1的小型隔离变压器,因为输入功率低,所以变压器的尺寸可以做得比较小,同时变压器的输出还可以使用电阻分压后再输入到VB409中。
射频工程师养成培训教程套装,助您快速成为一名优秀射频工程师...
天线设计工程师培训课程套装,资深专家授课,让天线设计不再难...
上一篇:锂离子电池智能充电器硬件的设计
下一篇:锂离子电池的充放电

