- 易迪拓培训,专注于微波、射频、天线设计工程师的培养
简析BOOST-BUCK变换器
Ⅰ 引言
目前,功率因数校正问题是许多电器设备都需要解决的问题。对此,人们提出了许多的电路拓扑和控制方案来解决它。其中运用较为广泛的是利用BOOST型变换器来做功率因数校正。这是因为BOOST变换器具有许多其他电路拓扑所不具有的优点,例如输入电流连续,控制简单等。但是BOOST变换器的输出电压必须要比输入电压高,这使得在许多场合中需要再增加一级直流变换器来调整其输出电压,例如BUCK变换器。电路如图1所示,造成了电路成本高,驱动复杂等缺点。对此本文提出了一种新型的BOOST-BUCK电路拓扑,其电路结构如图2所示。该变换器具有BOOST型变换器的大多数的优点,同时还具有输出电压可调范围大,输出电流连续等优点。比较图1和图2,我们可以看出BOOST-BUCK变换器是由BOOST变换器加BUCK变换器集成而成的,通过共用功率MOS管Ms来实现功率因数校正和输出电压的调节的。

文献「2」指出,当利用BOOST变换器做功率因数校正时存在两种主要方法,利用乘法器方法和电压跟随方法。相对于前一种方法,后一种方法仅需要一个开环控制来保持恒定的占空比。当BOOST电路工作在恒占空比的DCM状态就可以实现很高的功率因数。输入电流连续并且近似为正弦波,而且输入电流连续可以进一步减小输入的EMI滤波器。本文采用恒占空比方法来实现功率因数校正。
在稳定状态,功率MOS管工作在固定的频率和固定的脉宽。相对于BOOST变换器,其工作于DCM状态来实现输入的高功率因数;而BUCK变换器则随着负载的变化或工作在CCM或DCM状态。在一个开关周期内,输入电源相当于一个直流电源,为了分析的方便,我们把图2简化一下,如图3所示。

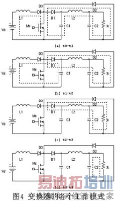
假设该变换器已工作在稳定状态。对应与图4,该变换器的一个开关周期内的各个工作模式分析如下:
模式(a)t0-t1:在t0时刻,功率MOS管导通。相对于BOOST变换器而言,二极管D1反向截止;电感电流iL1 流经Vs, L1, D3, Ms返回Vs.而对于BUCK变换器,二极管D1反向截止;电感电流iL2 流经C1, L2, C2&R2, D2, Ms返回C1.两电感均存储能量。 模式(b)t1-t2;在t1时刻,功率MOS管关断。相对于BOOST变换器而言,电感电流iL1通过二极管D1续流;电感电流iL1 流经Vs, L1, D3, D1,C1返回Vs.而对于BUCK变换器,电感电流iL2 也通过二极管D1续流,电感电流iL2 流经L2, C2&R2, D2, D1返回L2.两电感均释放能量。 模式(c)t2-t3;在t2时刻,功率MOS管保持关断状态。电感电流iL1降为零,BOOST变换器暂停工作。BUCK变换器仍然工作在续流状态。 模式(d)t3-t4;在t3时刻,功率MOS管保持关断状态。电感电流iL2 也降为零。电容C2提供能量给负载。图5(a)显示该变换器工作时的一个开关周期内的关键波形。在设计过程中,BOOST变换器的电感L1必须被设计工作在断续状态。如图5(b)所示,输入电流的峰值会自动跟随输入电压,从而实现功率因数校正。
![]() |
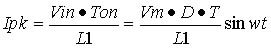
当要实现功率因数校正时,本变换器采用恒频率恒占空比的控制方法来实现功率因数校正。 (1) 当功率开关管关断后,电感向BOOST的输出电容充电,电流下降。电流下降间
由(6)式可以确定输入电感L1. Ⅲ 仿真及实验结果 仿真所采用的主电路如图2所示,参数设计如下:交流输入为正弦波,幅值Vin=310V,频率f=50hz;BOOST电感L1=2mH,BUCK电感L2=2mH;BOOST电容C1=470u,BUCK电容C2=100u;功率开关管用IRF840;二极管采用MUR840.输入滤波器电感为2mH,电容为50nf. 当输出Vout=86V时,负载R=200 欧姆。输入电压、输入电流、输出电压的波形如图6所示。
一个实验电路被用于验证所用电路的实用性。实验参数如下:开关周期为33Khz;输入交流120V;输入滤波器参数为电感2mH,电容0.33uf;BOOST电感L1=1.3Mh,电容C1=470uf;BUCK电感L2=2.1mH,电容C2=1uf;功率开关管为IRF840;二极管为HER107.驱动采用UC3844进行控制。
|







