- 易迪拓培训,专注于微波、射频、天线设计工程师的培养
利用EL7516作为高效、高电流的白光LED驱动器
录入:edatop.com 点击:
前言
随着白光LED的发展,它的应用越来越广。从前,白光LED最常见的应用是作为小尺寸LCD彩屏的背光。现在白光LED的亮度加大,它的应用已普及到其它方面,例如手电筒或手机照相辅助照明。本文介绍一种利用普通的升压芯片来驱动大电流LED的高效电路。
电路设计
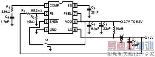
一般白光LED的电流在20mA 左右,但高亮度的LED需要200~300mA 电流。如果产品需要用三至四颗高亮度的白光LED,为了亮度平均,一般的做法都是把它们串连接在一起。市场上绝大部分的白光LED驱动芯片都只能驱动 20mA左右。碰上串联大电流LED的应用便要另想办法。 Intersil 的EL7516是一颗典型的升压芯片,此芯片工作于1.2MHz 定频PWM模式,内置1.5A,200mΩ MOSFET。图1示出EL7516的典型应用电路。通过DC-DC升压作用,EL7516将2.7~5.5V输入转化成12V的恒定电压。跟一般PWM控制芯片一样, FB引脚是接到与1.3V比较的误差放大器。通过选定R1, R2的电阻值来设置输出电压。
随着白光LED的发展,它的应用越来越广。从前,白光LED最常见的应用是作为小尺寸LCD彩屏的背光。现在白光LED的亮度加大,它的应用已普及到其它方面,例如手电筒或手机照相辅助照明。本文介绍一种利用普通的升压芯片来驱动大电流LED的高效电路。
电路设计
一般白光LED的电流在20mA 左右,但高亮度的LED需要200~300mA 电流。如果产品需要用三至四颗高亮度的白光LED,为了亮度平均,一般的做法都是把它们串连接在一起。市场上绝大部分的白光LED驱动芯片都只能驱动 20mA左右。碰上串联大电流LED的应用便要另想办法。 Intersil 的EL7516是一颗典型的升压芯片,此芯片工作于1.2MHz 定频PWM模式,内置1.5A,200mΩ MOSFET。图1示出EL7516的典型应用电路。通过DC-DC升压作用,EL7516将2.7~5.5V输入转化成12V的恒定电压。跟一般PWM控制芯片一样, FB引脚是接到与1.3V比较的误差放大器。通过选定R1, R2的电阻值来设置输出电压。
![]() 图1 EL7516的升压应用电路 将EL7516的恒压电路改成驱动LED的恒流电路是非常简单的。如图2所示,只要将在FB端的R1换成LED,改变R2就可以调节通过LED的电流。可从下式选定R2值:R2=VFB/Iled其中VFB是FB引脚的电压,即1.3V;Iled是通过LED的电流。
|






