- 易迪拓培训,专注于微波、射频、天线设计工程师的培养
电流源电路
录入:edatop.com 点击:
在集成电路的制作工艺中,在硅片上制作各种类型的晶体管比制作电阻容易的多,所占用的硅片面积也小的多,所以集成电路中的三极管除了作放大管外,大量的被用作恒流源或有源负载,为放大管提供合适的静态工作点及提高放大器的放大倍数。下面先来介绍集成电路中的恒流源和有源负载电路。 基本电流源电路 1.镜像电流源电路 如图7-2-1所示的电路就是典型的镜像电流源电路。
该电路的工作原理是:在电路完全对称的情况下,电阻R上的电流IR可作为电路的基准电流,根据节点电位法可得该电流的表达式为:
在β»2的条件下,移项整理可得
(7-2-1) 由上式可见,当Vcc和R的数值确定之后,三极管T0的集电极电流有确定的值IR。因电路的对称性,三极管T1集电极的电流与三极管T0集电极电流成镜像关系,也随着有确定的值IC。 镜像电流源电路结构简单,应用广阔,但存在着IC大时,电阻R上的功耗也大的缺点。改进的方法是在两三极管的发射极上增加电阻Re,使镜像电流的关系变成比例的关系,组成比例电流源电路。 2.比例电流源电路 比例电流源电路如图7-2-2所示。
该电路的工作原理是:由电路的结构可知
(7-2-2) 根据三极管的电流方程
可得
根据T0和T1的对称性可得
将上式代入式7-2-2中可得:
当β»2时,有IC0≈IE0≈IR,IC1≈IE1,将这些关系代入上式可得
在一定的范围内,IR≈IC1,上式中的对数项可忽略,则
(7-2-3) 与7-2-1式相比可得,在相同IC1的情况下,可以用较大的R,以减少IR的值,降低R的功耗。同时Re0和Re1是两个三极管的发射极电阻,引入电流负反馈,使两三极管的输出电流更加稳定。 [p]
3.多路电流源电路 集成运放是一个多级放大电路,因各级放大器的静态工作点不同,所以需要多个电流源电路,在集成电路的制造工艺中,可将多个比例电流源电路组合在一起,组成多路电流源电路,如图7-2-3所示。
该电路的工作原理是:在基准电流IR确定的情况下,根据式7-2-3可得,选择不同的Re1、Re2和Re3就可获得不同的偏置电流IC1、IC2和IC3。 多路电流源电路也可以用MOS管来组成,由MOS管组成的多路电流源电路如图7-2-4所示。
4.以电流源为有源负载的放大器 由前面的知识已知,共发射极或共源极放大电路的开路电压放大倍数
或
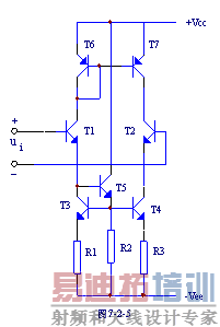
。由电压放大倍数的表达式可见,放大器的电压放大倍数与RC或Rd成正比。要提高放大器的电压放大倍数,在β和gm保持不变的情况下,必须加大Rc或Rd的阻值。 Rc或Rd变大了,要保持三极管的静态工作点不变,电路的直流供电压也必须提高,这将引起集成电路功耗的增加。为了解决这一问题,在集成电路中,采用电流源为有源负载取代Rc或Rd。 利用电流源做有源负载,可实现在电源电压不变的情况下,使放大器既可获得合适的静态工作点电流。对交流信号而言,又可得到很大的等效电阻rce或rds来替代Rc或Rd。利用电流源为有源负载的差动放大电路如图7-2-5所示。
该电路的工作原理是:在电路完全对称的情况下,电阻R上的电流IR可作为电路的基准电流,根据节点电位法可得该电流的表达式为:
该电路的工作原理是:由电路的结构可知
该电路的工作原理是:在基准电流IR确定的情况下,根据式7-2-3可得,选择不同的Re1、Re2和Re3就可获得不同的偏置电流IC1、IC2和IC3。 多路电流源电路也可以用MOS管来组成,由MOS管组成的多路电流源电路如图7-2-4所示。
4.以电流源为有源负载的放大器 由前面的知识已知,共发射极或共源极放大电路的开路电压放大倍数 
图中的三极管T1和T2组成差动放大器;三极管T3、T4和T5组成电流源电路为差动放大器提供合适的静态工作点电流;T6和T7组成差动放大器的有源负载,该电路既可使差动放大器有合适的静态工作点电流,对交流信号,又有很大的等效电阻rce,以替代原电路中的RC,获得很大的电压放大倍数。
更多关于电流源的技术资讯,欢迎访问 电流源技术专区
射频工程师养成培训教程套装,助您快速成为一名优秀射频工程师...
天线设计工程师培训课程套装,资深专家授课,让天线设计不再难...
上一篇:在多节电池组应用中使用DS2755电池电量计
下一篇:稳定模拟表头读数的机电阻尼法
射频和天线工程师培训课程详情>>

