- 易迪拓培训,专注于微波、射频、天线设计工程师的培养
简易隔离式偏压电源的设计
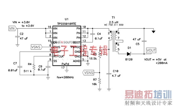
图1的例子示范了专为简易隔离式偏压电源所开发的IC,任何允许下沉操作(sink operaton)的同步降压电路均可使用。这种电路称为非对称半桥返驰电路(asymmetrical half-bridge flybuck) ,其运作方式与同步降压稳压器相当类似。连接输入电压的FET图腾柱 (totem pole) 输出会供应电感电容滤波器。接下来透过分压器(voltage divider)及误差放大器负输入调节滤波器输出。误差放大器会控制FET图腾柱(totem pole)输出的负载周期,使DC电压维持在感测点(sense point)。
C6的电压相当于负载率(duty factor)乘以输入电压。和降压功率级一样,电感的伏秒(voltage-second)必须等于零。但此电路在电感加入一个耦合绕组(coupled winding),并且使用二极管修正低位FET启动时所反射的电感电压。由于这段期间的电感电压等于输出电压,因此电路的输出将获得调节。不过一次侧及二次侧的电压降幅差异将降低调节的效果。在此电路中,负载的电压调节将受到二极管D1正向电压降幅的影响,若将二极管改换成FET,即可提升负载调节的效果。

图1:同步降压电路提供隔离式电源供应
和耦合电感SEPIC一样,此拓朴的寄生组件也会影响电路性能。在导通时间内,电路状况相当良好,大部份的电流都流入耦合电感T1的磁化电感,使C6充电。输出电容C3则供应负载电流。不过,在关闭期间,两个电容将透过电感的耦合绕组平行放置。这两个电容具有不同的电压,只有回路中的寄生组件会限制两者之间的电流。这些寄生组件包括这两个电容的ESR、耦合电感的绕组电阻、低位MOSFET与二极管的阻抗,以及耦合电感的漏损电感。
图2显示不同漏损电感值的模拟电流。上半部为T1一次侧的电流,下半部为输出二极管D1的电流。紧密耦合电感10 nH与松散耦合电感1μH的漏损电感各不相同。对于紧密耦合电感,峰值电流较高,也受到回路阻抗的实质限制。
对于松散耦合电感,峰值电流较低。较高的漏损可减少RMS电流,有助于改善电源供应的效率。图2显示两者的比较。松散耦合电感的电流最多可减少50%,可减少少数组件的耗损达 75%。松散耦合的缺点是输出电压的调节不佳。

图2:低漏损增加循环电流
图3显示如图1的转换器所呈现的负载调节结果。如果负载电流受限制,在大部分的情况下,此转换器将提供足够的调节。在轻负载时,可看出二极管接面电压变化及振铃的影响。可能需要最小负载或Zener箝位,才能降低这些轻负载效应。在重负载时,电路的寄生组件会降低调节的效果。因此减少组件数有助于提升效果。例如,将二极管改换成同步切换,将大幅提升负载调节。

图3:返驰负载调节在大多数情况下均良好
总而言之,返驰式(Flyback)转换器是相当具吸引力的拓朴,能够提供低成本且简单的隔离式电源供应,承受输出5%至10%的电压变化。二极管整流器在5V下的输出效率能够维持80% 的良好状态,而且同步整流器的状态也将更为改善。
作者:Robert Kollman
德州仪器
射频工程师养成培训教程套装,助您快速成为一名优秀射频工程师...
天线设计工程师培训课程套装,资深专家授课,让天线设计不再难...
上一篇:一种基于变压器的电动汽车电池主动均衡方案设计
下一篇:基于白光LED光源的光谱调谐

