- 易迪拓培训,专注于微波、射频、天线设计工程师的培养
一种基于变压器的电动汽车电池主动均衡方案设计
资深系统工程师
英飞凌集成电路(北京)有限公司
何耀华
应用工程师
英飞凌科技(中国)有限公司
引言
新能源汽车体系内,无论是混合动力(HEV)还是电动汽车(EV)离不开作为储能介质的动力电池,目前锂离子电池已经占据了汽车动力电池的主导地位,为了实现更长的续航里程,通常需要多节电池串/并联组成电池组使用,考虑到汽车对能量、功率和环境的要求,安全、可靠地使用大型锂离子电池组绝对不是一个简单的任务。因此需要采用适当的电池管理系统,才能充分利用新型锂电池的优势。
1.1主动均衡技术在电动汽车电池管理中的必要性
1.1.1电动汽车电池组系统架构
锂电池储能能力强,但单个电池的电压和电流都太低,不足以满足混合动力电机的需要。为增加电流需将多个电池并联起来,为获得更高的电压,则要把多个电池串联起来。单个锂电池的电压一般介于3.3~3.6V之间。例如,将多达12 个电池串联组成一个电池块(block)输出电压介于30~45V 之间,而混合动力汽车驱动需要336V左右的直流电源电压,因此通常需要8-10个电池块(block)串联起来使用,意味着电动汽车的电池组是数量众多的的单体电池组成(100节以上)。

图1.1.1:电动汽车电池组系统架构。
1.1.2 平衡的必要性
电池组中的单体电池,制造和使用条件的不同,特性是存在差异的。而这些差异,如果在充、放电过程中没有得到应有的控制,将进一步加大,日积月累,可能会明显地减低整个电池组的表现,导致部分电池发生过充、过放电现象,造成电池容量和寿命的急剧下降,降低车辆的续航里程甚至电池组的损坏,统计上表现为电池组中的单个电池单元容量的正态分布的均值左移,且峭度逐渐减小,如图1.1.2 所示。在经过一段时间的使用后,将会有一小部分电池单元的有效容量接近于零,导致失效。因此,为了提高整个电池组的寿命,如何均衡这些老化较快的电池单元也是电池管理系统设计者需要考虑的一个重要课题。

图1.1.2:长期使用后的电池单元容量的分布。
1.1.3 电池的工作电压范围
电池一旦电压超出允许范围,锂电池很容易被损坏(见图1.1.3)。如果超出电压的上限和下限(例如,nanophosphate锂电池的电压上限和下限分别为3.6V和2V),电池就可能会受到不可逆的损坏,至少也会增加电池的自放电率。在相当宽的荷电状态范围内,输出电压可以保持稳定,因此正常情况下超出安全范围的可能性比较小。但是,在接近安全范围上限和下限的区域,变化曲线非常陡峭。作为预防措施,仔细监测电压水平非常必要。

图1.1.3:锂电池(nanophosphate型)的放电特性。
当电池电压接近临界值时,必须立即停止放电或充电。平衡电路的功能就是调节相应电池的电压,使其保持在安全区域。为了达到这个目的,当电池组中任一电池的电压与其他电池不同时,就必须将能量在电池之间进行转移。
1.2 采用基于变压器主动均衡方案的优势
1.2.1 被动均衡法
在传统被动均衡的电池管理系统中,每个电池单元都通过一个开关连接到一个负载电阻。这种被动电路可以对个别被选中的单元放电。该方法只适用于在充电模式下抑制最强电池单元的电压攀升。被动均衡方式的优点是电路结构简单,成本较低。但是其缺点也很明显,它只能做充电均衡。同时,在充电均衡过程中,多余的能量是作为热量释放掉的,使得整个系统的效率低、功耗高。有些场合为限制功耗,电路一般只允许以100mA左右的小电流放电,从而导致充电平衡耗时可高达几小时。

图1.2.1:被动均衡典型电路结构。
1.2.2 基于变压器的主动平衡法:
相关资料中有很多种主动平衡法,均需要一个用于转移能量的存储元件。如果用电容来做存储元件,将其与所有电池单元相连就需要庞大的开关阵列。
更有效的方法是将基于电感设计的主动平衡电路。关键元件是一个变压器,其作用是实现能量在单体电池之间转移,该电路是按照反激变压器原理构造的。该变压器两侧分别做了如下连接:
a. 初级线圈与整个电池组相连
b. 次级线圈与每个电池单元相连
该方案可以完整地实现在充电和放电时的实时均衡,发挥出每节电池的潜力。保证充电时每节电池都能够充满,放电时每节电池都能放至最低的极限,充放电过程中每节电池也能够保持相同的电压,使电池组的每个节电池的能力能得到最充分的发挥。

图1.2.2:主动均衡典型电路结构。
1.2.3采用基于变压器主动均衡方案的优势
1)可以实现底部均衡
相对被动平衡,不仅提供低顶部均衡,也可以实现底部均衡,当某节电池电压过低时,通过接在电池组上的绕组可以把电池组的能量转移到该节电池上,提高的系统能量的利用率
2)系统效率高损耗低
控制系统在在不进行充放电时,静态电流小于2μA。充电或放电时系统均衡电路自动开启,控制部分的总功耗小于1 W。均衡电流的有效值达到5 A 以上,峰值达到20 A。通过放电和充电过程中的实际均衡功率测试看,该方案转移能量的利用效率都达到了85% 以上。其余15% 的能量,除了供给电路部分(单片机,电源芯片等)外,只有少部分是消耗在变压器、MOSFET 和线路内阻中的。

图1.2.3:几种不同均衡方式的对比。
[p]
2 均衡方法
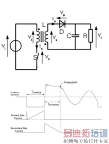
采用一个反激式变压器作为核心,通过磁场与电场的转换,实现能量在单个电池单元与整个电池组间双向传递。当某节电池电压过高时,可以通过并接在该电池上的绕组将多余的能量转移到整个电池组上去,这个过程我们称之为顶部均衡法。当某节电池电压过低时,通过接在电池组上的绕组可以把电池组的能量转移到该节电池上,这个过程我们称之为底部均衡法。

图2:反激式平衡电路原理及典型波形。
2.1 顶部均衡
如果某个电池单元的电压高于其他单元,那么就需要将其中的能量导出,这在充电模式下尤其必要。如果不进行均衡,充电过程在第一块电池单元充满之后就不得不立即停止。均衡可以保持所有电池单元的电压相等而避免发生过早停止充电的情况。图2.1给出了顶部平衡模式下的能量流动情况。在电压扫描之后,发现电池单元5 是整个电池组中电压最高的单元。此时闭合开关sec5,电流从电池流向变压器。在开关sec5 断开后闭合主开关,此时,变压器就从储能模式进入了能量输出模式。能量通过初级线圈送入整个电池组。

图2.1:顶部均衡原理。
2.2 底部均衡
底部均衡法中的电流和时序条件与顶部均衡法非常类似,只是顺序和电流的方向与顶部均衡法相反。扫描发现电池单元2 是最弱的单元,必须对其进行补充充电。此时闭合主开关“( prim”),电池组开始对变压器充电。主开关断开后,变压器存储的能量就可以转移至选定的电池单元。相应的次级“( sec”)开关在本例中是开关sec2 闭合后,就开始能量转移。尤其是当某个电池单元的电压已经达到SoC 的下限时,底部平衡法能够帮助延长整个电池组的工作时间。只要电池组提供的电流低于平均平衡电流就能持续放电,直到最后一块电池单元也被耗尽。

图2.2:顶部均衡原理。
2. 3 电池组间均衡法
如图2.3所示,闭合其中一个电池组的电子开关SP1 和SP2,就可以对最左边的绕组的初级进行充电,之后关闭SP1和SP2,就可以把能量放入总电池组中。这样就可以实现更多电池单体的串联。

图2.3:组间平衡。
2.4 电压检测
为了对每个电池的荷电状态进行管理,每个电池的电压都要加以测量。由于只有1号电池处于微控制器模数转换范围内,因此不能直接测量电池块中其他电池的电压。一种可能的方案是采用差分放大器阵列,但这需要保持整个电池块的电压水平。
下面提出一种只需添加少量硬件就可以检测所有电池电压的方法。变压器的主要作用是电荷平衡,但同时我们也可将它作为多路复用器使用。在电压检测模式下,变压器的反激模式没有被使用。当S1至SN开关中的某一个闭合时,所接通的电池的电压被传输至变压器的所有绕组。经过一个分立滤波器简单的预处理,检测信号被输入至微控制器ADC输入管脚。S1至SN中的任一开关闭合时所产生的检测脉冲的持续时间非常短暂,实际的导通时间可能只有4μs,因此变压器中存储的能量并不多。当该开关断开后,磁场中存储的能量将通过主晶体管馈回整个电池块,因此电池块的能量不受影响。对全部电池扫描一遍后,一个扫描周期结束,系统回到初始状态。也就读取了电池组中每一节电池的电压信号。
[p]
3 设计方案
3.1 硬件部分
电池管理系统采用独立的内部CAN总线进行数据和指令传输,每个内部CAN总线子节点电路和最大12节串联电池单元相连,组成电池包。各个电池包串联组成电动汽车所需的电池总成。主节点采用汽车级16位单片机XC2267连接内部CAN网络,同时接入电动汽车上的公共CAN网络,收发相关的指令和数据。见图3.1.1

图3.1.1:电池管理系统框图。
每个子节点可对所在电池包的12节电池进行SOC监测并执行电池均衡功能。见图3.1.2

图3.1.2:子节点电路示意图。
子节点变压器采用1个原边线圈12个副边线圈的设计方案。原边线圈串联汽车级MOSFET(即Sp1)连接至电池包的正负极。每个副边线圈串联汽车级MOSFET(即S1,S2—Sn)连接至每个电池单元的正负极。这样组成一个反激模式的双向电源来进行能量转移。
控制原边线圈的MOSFET(即Sp1)采用IPD70N10S3L,耐压100V、Rdson为11.5m ,可工作在12节电池串联产生的30~60V电压状态下,满足多种锂电池如磷酸铁锂、锰酸锂、三元材料电池等应用需求。对于电压平台较低的磷酸铁锂电池或者节数较少时,也可采用耐压稍低但Rdson较小的MOSFET来提高系统效率。如耐压75V、Rdson达到6.5 m 的IPB100N08S2。
控制副边线圈的MOSFET(即S1,S2—Sn)采用IPG20N04S4L,耐压40V、Rdson为7.6 m ,可满足控制单节电池能量转移的需求。IPG20N04S4L的另一个好处是它在很小的封装里集成了两只独立的MOSFET,为电路板布局节省了较多空间。为了进一步提高效率还可选用更小Rdson的产品,如IPD90N03S4L、IPB180N03S4L等。
3.2 软件部分
控制上述MOSFET工作的是汽车级8位单片机XC886CM,该单片机具有8通道10位AD,可以方便的采集各个电池单元的电压数据和温度数据。QFP-48的封装使它有足够的IO完成多达13个MOSFET的控制工作。CAN、SPI、UART等丰富的通信接口使子节点具有CAN总线通信功能之外,能够实现和PC的通信,以方便试验阶段的控制和演示。硬件乘除单元MDU可进行16位数据的乘除,实现快速运算。
子节点软件负责图3.2.1所示的功能实现,执行状态机。

图3.2.1:子节点软件功能。
[p]
4 实验数据
实验采用12节超级电容(U0~U11)作为均衡对象。被试电容初始电压最高2.131V伏(U6),最低1.767V(U7)。经过130秒左右的主动均衡,所有12节的超级电容的电压趋于集中,停止主动均衡操作。被试电容初始电压最高1.962V伏(U11),最低1.939V(U2)。

图4.1:超级电容主动均衡和被动均衡测试。
采用被动均衡时,用于电容容量和电容电压成正比,采用固定电阻进行被动均衡时,电压曲线接近斜率固定的直线,图中虚线为模拟被动均衡时的电压曲线。经18分钟的被动均衡后,超级电容电压趋于一致达到1.76V。
5 系统的平衡性和改进
变压器体积与均衡速度的平衡:为了达到较快的均衡效果,即较大的均衡电流,本实验采用了较大体积的变压器。在追求更紧凑的系统设计中,可采用体积较小的变压器。但是减小体积的同时,降低了每次均衡所传递的能量,减慢了均衡速度。对于某些电池容量较小的微混、中混汽车可降低均衡速度以获得更小的变压器体积。
变压器体积与系统效率的平衡:如果提高主动均衡时的开关频率,同样可以采用更小体积的变压器。带来的问题是MOSFET的开关功耗与开关频率成正比,系统功耗因开关频率提高而升高,导致系统功率降低。在纯电动汽车系统里电池容量较高,可通过牺牲一些开关损耗来减小变压器体积,达到系统更加紧凑的目的。
通信系统的改进:由于每10~12个串联电池为一个子节点,整套电池管理系统的内部CAN总线多达10~20个节点,每个节点的参考地电平不同,需要采用隔离CAN总线方案才能通信,产品成本较高。如果根据具体应用,开发专用的串联总线方案,将大大降低整体成本。
电池电压检测的改进:本设计采用10位ADC加软件校正的方式采样电压,精度可达5mV。但是对于如磷酸铁锂等电压平台非常平坦的系统,电压检测精度需进一步提高。如果采用12~13位的ADC和更加完善的软件校正方案,电压精度可达2mV甚至1mV。这样就可以满足各种锂离子电池的应用需要。
6 结束语
采用变压器的主动均衡方案不仅能够克服以往方案的各种缺点,更好的实现了能量的平衡和分配功能;大大降低了均衡功耗,有助于降低系统散热要求及增加车辆的续航里程,较大的均衡电流,降低了均衡时间,这对使用大容量电池的电动汽车具有实用意义。节能环保是中国乃至全世界当今的努力目标和技术发展方向,无论是混合动力(HEV)还是电动汽车(EV)离不开作为储能介质的动力电池,电池技术的发展水平成为了目前新能源车普及最大的瓶颈之一。选择适合的电池管理方案,能大大提高电池的使用寿命及发挥最大的电池容量,充分发挥新型锂离子电池所具备的优势和巨大的市场潜力。
射频工程师养成培训教程套装,助您快速成为一名优秀射频工程师...
天线设计工程师培训课程套装,资深专家授课,让天线设计不再难...
上一篇:理解模数转换器的噪声、ENOB和有效分辨率
下一篇:简易隔离式偏压电源的设计

