- 易迪拓培训,专注于微波、射频、天线设计工程师的培养
您能降到多低?降低下一代适配器的待机能耗
待机能耗有时候也称作“吸血鬼能耗”或是“虚负载”,指的是电子设备及电器在关断电源但仍然插在电源插座上时消耗的电能。以美国为例,待机能耗约占美国家庭平均总能耗约10%。这相当于令人惊愕的129太瓦时(即为1,290亿千瓦时)的电能,或者是36座400兆瓦发电厂输出的电能,导致每年排放7,500万吨二氧化碳。
在美国,2008年7月1日生效的现行联邦标准要求功率低于250 W的电源空载能耗低于500 mW。最近,美国能源部(DOE)提出了更严格的电池充电器及电子产品电源能效标准,并将于2013年7月1日生效。根据新标准,铭牌输出功率介于49至250 W之间(典型笔记本视频器功率位于此范围)的交流-直流(AC-DC)外部电源的最大空载能耗必须低于0.210 W。然而,这些国家标准通常落后于其它标准及市场要求。美国1975年能源政策及节能法案(EPCA)规定:任何新的节能标准的制定必须旨在提供最大程度的能效提升,不仅要在技术上可行,也要具备经济合理性。因此,这些国家标准通常并不代表“一流的”性能。诸多电源制造商要求将空载能耗限制到尽可能地低,从而将其产品与竞争产品区别开来。

图1:美国能源部提出的AC-DC外部电源节能标准
在能效标准上最为进取的政府机构很可能是美国加州。电源制造商可不想提供仅针对加州的特定型号产品,因此,加州标准的实际影响范围要广得多。例如,美国加州在2012年1月出台的新的电器能效规范将电池充电器系统作为重要焦点。加州每年有超过1.7亿个充电器被用于充电,根据推测,在此特别领域提升能效,每年将可节省2,200吉瓦时(即22亿千瓦时)的电能。这些电路足够为35万个家庭供电,相当于为住宅/商业用电账单每年节省3.06亿美元。美国加州能源委员会(CEC)实施的这些能效规范要求手机、个人照护设备及电动工具所使用的所有消费类充电器在2013年2月前必须遵从,而工业类充电器须在未来12个月内遵从。美国其他几个州希望遵循加州降低待机能耗限制值的范例。

图2:电动工具所用的典型老式充电系统
图2介绍了过去常用的基本充电器系统电路图。此特别案例使用镍铬(NiCd)电池来为电动工具充电。电池在1小时内的电量标为C。例如,以0.5 C的充电速率来为额定容量600 mAh的电池充电,使用300 mA充电电流要经历超过2小时才能完全充满电池。
图2中的电路能以0.1 C的恒定充电速率。由于充电器的60 Hz变压器的设计意图是维持低成本,而非提供高能效等级,空载能耗通常将高于0.5 W,如此高的空载能耗不再能够令人接受。早期想法是使充电器能效更高,但不注意事实上充电后电路会持续无限期地浪费电能。这已经被证明是一种有点误导的视角。
即便是当今市场上的许多充电器,也仍然缺乏检测电池是否完全充满的能力,且因此在充电过程完成后仍然持续提供电能给电池,因而浪费电能(释放为热量)。通过使用可以关闭完全充满之电池的充电通道,电能就不会无谓地浪费,电池也不会置于损坏的风险。
[p]
提供低待机能耗工作的创新方案
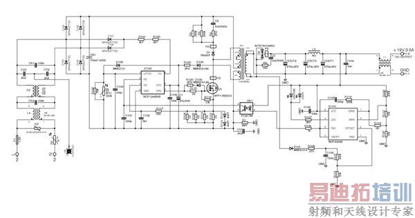
家庭中一项常见的待机能耗源头就是笔记本适配器。这些适配器相当多的使用时间是在笔记本电脑断开连接或关断的情况下在桌子底下度过的。如今典型的市售笔记本适配器在空载条件下约消耗300 mW至500 mW的能耗。然而,许多领先制造商如今要求下一代笔记本适配器的空载能耗限制到低于30 mW,从而使其产品与竞争产品区域开来。图3显示了65 W笔记本适配器用下一代充电系统的简化示例。此电路最重要的元器件就是固定频率电流模式控制器IC及次级端开关电源(SMPS)控制器IC。

图3:带空载检测功能的先进充电电路简化电路图
这示例中指定的固定频率电流模式控制器(即安森美半导体的NCP1246)经过了专门优化,在空载及轻载条件下消耗极低的能耗。交流-直流(AC-DC)电源空载条件下输入能耗的其中一项主要来源是X2电容放电电路。典型适配器包含高压X2电容,它连接至交流输入端,作为电磁干扰(EMI)滤波器的一部分。出于安全原因,强制要求此电容在从墙上拔出适配器插头后的1秒时间内放电至安全电压电平。否则,接触交流插头的扁脚(prong)就面临电击的危险。符合此要求的标准方法是使用一串与电容并联的高阻抗泄放电阻。当用于230 Vac应用时,这恒定的电阻型消耗源约消耗25 mW输入能耗。当顾及到空载能耗时,这25 mW就变得相当大了。NCP1246解决此问题的方法是加入带有源放电电路的内置交流线路检测器。这控制器在检测到不再存在交流信号时,激活内置开关来使电容放电。有了这个功能,就不再需要泄放电阻了,消除了恒定的25 mW能耗源头。
次级端开关电源控制器(即安森美半导体的NCP4354)是NCP1246的伴侣IC,能够检测空载条件,并使电源进入低能耗关闭模式。在关闭模式期间,初级端控制器停止工作,能量由输出电容提供。适配器的输出电压开始下降,因为初级端不再在存在开关工作。这并不构成什么问题,因为适配器在此模式下不再连接至笔记本电脑。输出电压被允许下降至某个可调节电平,直到NCP4354通知初级端重启,重新为输出电容充电并因此维持工作。当适配器重新连接至电池时,NCP4354控制器自动重启初级端控制器。能仅以一颗光耦提供反馈控制及导通/关闭信号。当在此类电路中一起使用时,NCP1246和NCP4354能够采用美国规格的交流主电源提供低于10 mW的空载能耗,且在宽交流主电源电压范围下提供低于20 mW的空载能耗。

图4:65 W适配器电路图(点击可放大)
虽然许多消费电子OEM生产高能效产品,但他们常常会对低能耗的充电系统感到失望。如今已经出现重要进展,电池充电器可以消耗更少电能,同时提供市场所要求的高性能基准。诸如本文所介绍的系统致力于满足这些标准,并降低系统复杂度、节省珍贵的电路板空间及使物料单(BOM)成本受到控制。
作者:Grant Floyd
安森美半导体产品营销工程师
射频工程师养成培训教程套装,助您快速成为一名优秀射频工程师...

