- 易迪拓培训,专注于微波、射频、天线设计工程师的培养
小功率LED驱动电源技术拓扑介绍
一 阻容降压:
1. 阻容降压的原理和应用:
电容降压实际上是利用容抗限流, 而电容器实际上起到一个限制电流和动态分配电容器和负载两端电压的角色。
2. 采用电容降压时应注意以下几点:
根据负载的电流大小和交流电的工作频率选取适当的电容, 而不是依据负载的电压和功率, 限流电容必须采用无极性电容, 不能采用电解电容。而且电容的耐压须在400V以上, 最理想的电容为聚丙烯金属薄膜电容。 电容降压不能用于大功率条件, 一般用于5W以下小功率应用场合, 电容降压不适合动态负载条件, 电容降压不适合容性和感性负载, 在LED电源的驱动方面应用上适合单电压应用。
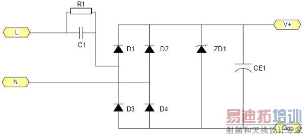
3. 阻容降压式简易电源的基本电路如(图1)

图1:C1为降压电容器, D1, 2, 3, 4为桥式整流二极管, ZD1是稳压二极管, R1为关断电源后C1的电荷泄放电阻。
4. 器件选择
电路设计时, 应先测定负载电流的准确值, 然后参考示例来选择降压电容器的容量。因为通过降压电容C1向负载提供的电流Io, 实际上是流过C1的充放电电流Ic。C1容量越大, 容抗Xc越小, 则流经C1的充、放电电流越大。当负载电流Io小于C1的充放电电流时, 多余的电流就会流过稳压管, 若稳压管的最大允许电流Idmax小于Ic-Io时易造成稳压管烧毁。为保证C1可靠工作, 其耐压选择应大于两倍的电源电压。泄放电阻R1的选择必须保证在规定的时间内泄放掉C1上的电荷。
5. 实际参数计算方法:
已知C1为0.33μF, 交流输入为220V/50Hz, 求电路能供给负载的最大电流。
C1在电路中的容抗Xc为:
Xc=1 /(2 πf C)= 1/(2*3.14*50*0.33*10-6)= 9.65K
流过电容器C1的充电电流(Ic)为:
Ic = U / Xc = 220 / 9.65 = 22mA。
详细全文请见pdf文挡:小功率LED驱动电源技术拓扑介绍
更多技术文章下载
射频工程师养成培训教程套装,助您快速成为一名优秀射频工程师...
天线设计工程师培训课程套装,资深专家授课,让天线设计不再难...
上一篇:莫让新能源汽车总活在规划里
下一篇:电力线通信在路灯照明自动化中的应用

