- 易迪拓培训,专注于微波、射频、天线设计工程师的培养
功率因数和固态照明——启示、影响和解决方案
监管机构一直在与公用事业公司合作制定严格的标准来控制固态照明技术对电网的影响(图1)。由于基于LED的固态照明可以极大地降低实际的功耗,因此可以显著减少电网的碳排放量。但是,如果不对功率因数加以管理,电网仍将需要提供比实际负载所需高得多的功率级,从而抵消转向固态照明所带来的很大一部分好处。

图1:功率因数和总谐波失真的地区标准。
以前的白炽灯具有近乎完美的功率因数。因此,与传统的交直流电源相比,固态照明一直坚持高得多的功率因数标准。在大多数情况下,对于75W以下的电源来说,它们不受任何功率因数标准的制约。然而对固态照明而言,从低至5W甚至更低功率开始就需要考虑功率因数限制了。
为了高效地设计基于LED的光源,设计师需要理解功率因素、LED驱动器对功率因数的影响,以及在LED驱动器设计中集成经济有效的功率因数校正的不同技术。
功率因数
功率因数是指有功功率与视在功率的简单比值,没有单位。有功功率是指在负载上使用的功率,测量单位是千瓦(kW)。视在功率是电网提供给系统负载的以伏-安(VA)为单位的测量功率。在一个高电抗系统中,具有角度参数的电流和电压彼此可以高度不同相。这将导致电网需要在任何给定时间点提供比真正的有功功率大得多的无功功率。

图2:有功功率(kW)与视在功率(kVA)的功率因数比值。
采用功率因数校正技术的固态照明可以减少从白炽灯变到LED照明的影响,方法是给LED驱动器增加相关的电路,校正电抗性输入阻抗,从而将功率因数提高到接近于1。
[p]
LED驱动器和功率因数校正
LED及其驱动器具有非线性的阻抗,因此固有功率因数非常低。为了解决这个问题,驱动器需要补偿功率因数,尽可能将它提高到接近于1。对于工业仓库或大型商场来说,只是考虑一盏LED灯及其对总功率因数的影响时,效果是很不明显的,但在一个大型商业场所中所有照明单元的总和将显著影响总的功率因数,因此需要实现对每个单独灯盏或驱动这些灯的每个镇流器进行功率因数校正。
功率因数校正有有源和无源两种方法。无源功率因数校正解决方案通常由无源输入滤波器组成,提供一定程度的成本好处,但由于无源功率因数校正只是针对特定的输入电压和电流状态进行优化,当这些条件改变时,功率因数还会下降。在可调光照明设备中,无源功率因数校正是不可接受的,因为在灯盏的整个亮度调节范围内功率因数变化非常大。这时就需要采用有源功率因数校正,以便在各种负载和线路条件下足以保持高的功率因数。
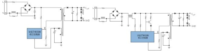
借助有源功率因数校正,有使用主电源转换电路补偿功率因数的方法(单级),以及使用独立的预调整器提供功率因数校正的方法(两级)。两种方法都有各自的好处。最明显的是,采用单级方法可以实现成本的最小化,因为部分功率因数校正在主电源转换电路中完成。判断哪种拓扑最适合最终应用要求更深入地分析每种转换器。

图3:单级和双级功率因数校正架构。
采用单级LED驱动器时,主电源级电路将输入电压转换为可用的直流电压和电流,再用于驱动LED。由于只有一个电源级,主电源级的驱动需要加以管理以便将功率因数增加到接近1。由于功率因数的测量取决于驱动器输入端相对主输入电压看起来有多线性,调制拓扑决定了转换器输入阻抗相对主电源呈现什么样的阻抗。
最大化功率因数的最佳方法是使用固定导通时间方法,它能有效地创建电压控制的电流源,或看起来高度阻性的输入阻抗。经过变压器初级的峰值电流直接正比于初级驱动的导通时间,因此这种方法本身就具有接近于1的高功率因数。虽然固定导通时间架构能够提供高功率因数的好处,但权衡起来考虑经常是不可接受的。正常工作于DCM模式时,峰值电流非常高,有两个主要结果,即无源器件上有高应力,LED上有大电流纹波。输入电容上的高应力可能降低这些关键元件的寿命,导致灯盏的工作寿命缩短。输出上过大的电流纹波则会降低输出光的质量,因为输出电容上会流过纹波电流,输出光将增加闪烁噪声,并降低发光效率,增加自发热损耗。
使用恒流模式工作代替固定导通时间可以减轻输出纹波电流,减小电路中无源器件的应力,但由于输入阻抗固有的电抗特性,功率因数会显著减小。
寻找结合了高功率因数和低纹波电流同时最大限度地减小对无源外部器件影响的替代方法是找到单级LED驱动器最佳低成本解决方案的关键。
[p]
iW3626(图4)就是单级高功率因数LED驱动器例子,它不仅是高功率因数驱动器,而且能够最大程度地减小输出纹波。实现技术位于数字引擎的核心,能够通过监视功率变压器的初级监视输入电压和电流以及输出状态。数字核心允许将驱动信号调制到主要的功率晶体管,本例中是功率双极面结型晶体管。本例中的专有调制技术允许最终用户将想要的最小功率因数编程为0.7、0.8或0.9,或根本没有功率因数。与最小功率因数一起提出的还有相应的输出纹波。这种灵活性允许设计师针对输出纹波(不带功率因数)或针对功率因数(带适度的输出纹波)优化电路,或针对平衡的高功率因数和低输出纹波设计优化电路。

图4:iW3626单级不可调光的功率因数校正LED驱动器。
固态照明中另外一个重要的LED驱动器特性、同时受图1所示国际照明标准管制的是总谐波失真(THD)。一般来说,当总谐波失真很小时,功率因数通常很高(>0.9)。但在采用单级转换技术时,通常需要在输出纹波、总谐波失真和功率因数之间进行权衡。iW3626独特地整合了低输出纹波和高功率因数,并且对大多数应用来说总谐波失真也在可接受的水平。美国市场对总谐波失真特别感兴趣,欧洲则用IEC61000-3-2标准规定了对电源的谐波要求。当最终应用要求低的总谐波失真、高的功率因数和低的输出纹波时,可以采用两级方法。
单级和两级方法的最大区别在于后者明显增加了第二级转换电路。额外的转换级电路不仅用于功率因数校正,而且用于尽量减小总谐波失真。初始转换级不仅从主输出电压中去除了线路频率,从输出光中去除了闪烁噪声,而且增加了集成调光技术和减小浪涌电流方面的灵活性,使输入端的无源器件受益。两级方法中的第一级可以使用升压转换器或简单的斩波电路。与简单的斩波电路相比,完整升压转换器可以在更宽的线路电压范围内提供更高的效率、更高的功率因数校正和更低的总谐波失真。
iW3630是要求高功率因数(>0.95)、低总谐波失真(<15%)和低输出纹波的固有照明应用可以采用的两级LED驱动器实例(图5)。第一级电路是一个完整升压转换器,工作在恒定导通时间架构,可以最优化功率因数,最小化总谐波失真。这一级电路将主电压转换为中间电压,将输出从主电压和频率中退耦。

图5:带0V至10V调光接口的iW3630两级功率因数控制器,非常适合商业固态照明应用使用。
第二级主电源转换电路随即将中间电压转换为驱动LED用的直流电压和电流。这级电路可以是隔离型或非隔离型电路,取决于最终应用的需求。有了iW3630后,不管应用是隔离的还是非隔离的,都不需要光学反馈器件,因为主反馈源自变压器的初级,使用的是iWatt的PrimeAccurate技术。
本文小结
随着更多法规对固态照明提出了功率因数要求,设计师需要在驱动器设计中采用功率因数校正电路。清晰地理解基于目标照明应用的最终要求可确定需要实现的功率因数校正类型。不管是用于住宅照明的单级成本驱动型解决方案,还是用于商业和工业应用的两级性能驱动型解决方案,如今都有成熟的驱动器技术帮助人们实现更加光明、更加绿色的未来。
作者:Hubie Notohamiprodjo
iWatt公司
射频工程师养成培训教程套装,助您快速成为一名优秀射频工程师...
天线设计工程师培训课程套装,资深专家授课,让天线设计不再难...
上一篇:使用功率模块改进汽车电气化
下一篇:低功耗LED照明应用的电源管理技术

