- 易迪拓培训,专注于微波、射频、天线设计工程师的培养
电流输出电路技术为您的模拟工具箱添加多样性
得到稳定的电流输出是极其简单的事情, 最简单的方法就是使用电流镜: 两个完全相同的晶体管——采用同一块芯片制造,从而工艺、尺寸和温度都完全一致——如图1所示相连。两个器件的基极-射极电压相同,因此流入集电极T2的输出电流等于流入集电极T1的输入电流。

图1. 基本电流镜
此分析假设T1和T2相同且等温,并且它们的电流增益极高,以至于可忽略基极电流。 它还会忽略早期电压,使集电极电流随集电极电压变化而改变。
可采用NPN或PNP晶体管组成这些电流镜。 将n个晶体管并联组成T2,则输出电流为输入电流的n倍,如图2a所示。 若T1由m个晶体管组成,T2由n个晶体管组成,则输出电流将是输入电流的n/m倍,如图2b所示。

图2. (a) 多级电流镜 (b) 非整数比例电流镜可将3个T2集电极结合起来,得到3IIN
[p]
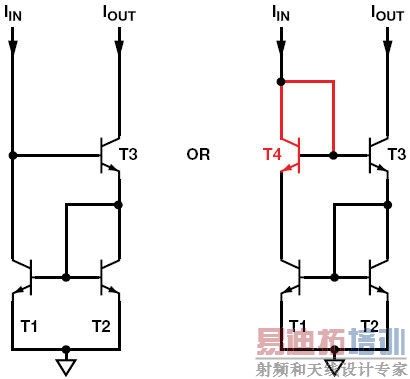
若早期电压影响很大,则可使用略为复杂的威尔逊电流镜降至最低。 3晶体管和4晶体管版本如图3所示。4晶体管版本更为精确,且具有更宽的动态范围。

图3. 威尔逊电流镜T4为可选器件,但使用它可改善精度和动态范围
需要跨导放大器(voltage_in/current_out)时,可使用一个单电源运算放大器、一个BJT或FET(MOSFET通常是最佳选择,因为它不存在基极电流误差)以及一个定义跨导值的精密电阻来组成,如图4所示。

图4. 跨导放大器 VIN– IOUT
该电路简单、价格不高。 MOSFET栅极上的电压可设置MOSFET中的电流和R1,使R1上的电压V1等于输入电压VIN。
若单芯片IC中需要用到电流镜,则最好使用简单的晶体管电流镜。 然而,若采用分立式电路,其匹配电阻高昂的价格(价格高是因为需求量有限,而非制造困难)将使图5中的运算放大器电流镜成为最便宜的技术。 该电流镜由跨导放大器和一个额外的电阻组成。

图5. 运算放大器电流镜
[p]
电流镜具有相对较高、有时非线性的输入阻抗,因此它们必须由高阻抗电流源(有时亦称为 刚性电流源)提供电流。 若输入电流必须具有低阻抗吸电流能力,则需使用运算放大器。 图6所示为两个低ZIN电流镜。

图6. (a) 低ZIN电流镜反相 (b) 低ZIN电流镜同相
采用基本电流镜和电流源,则输入和输出电流极性相同。 通常,输出晶体管的射极/源极直接或通过检测电阻接地,且输出电流从集电极/漏极流入负载,其他端子连接直流电源。 这样做并非总是很方便,尤其当负载的一个端子需接地时。 如图7所示,若电路采用其直流电源的射极/源极来构建,则不存在此问题。

图7. 接地负载电流镜
若电流或电压输入参考地,则必须使用电平转换。 有多个电路可以实现;而图8中的系统在很多场合下都适用。 这款简单的电路采用接地电流源驱动直流电源上的电流镜,从而驱动负载。 注意,电流镜可能有增益,因此信号电流不需要像负载电流那么高。

图8. 电平转换电流镜
[p]
目前为止,我们讨论的电路都是单极性的——电流在一个方向上流动——但双极性电流电路也是可行的。 最简单、使用最广泛的当数Howland电流泵,如图9所示。这款简单的电路有很多问题: 它对电阻匹配的精度要求极高,以获得高输出阻抗;输入源阻抗会增加R1电阻,因此它的数值必须非常低以最大程度降低匹配误差;电源电压必须比最大输出电压高得多;并且运算放大器的CMRR性能必须相对良好。

图9. Howland电流泵 双极性电流输出
现在,高性能仪表放大器售价不高,因此使用一个运算放大器、一个仪表放大器和一个电流检测电阻组成双极性电流源极为方便,如图10所示。这类电路比Howland电流泵要更为简单,不依赖于电阻网络(除了集成仪表放大器的那种),且电压摆幅在每个电源的500 mV以内。

图10. 双极性电流运算放大器
目前为止,我们讨论的电路都是具有精密电流输出的放大器。 当然,它们能够与固定输入一同使用,提供精密电流源,但构建一个更简单的双端电流源也是可行的。 低电流基准电压源ADR291 具有10 μA左右的待机电流,典型温度系数为20 nA/℃。 如图11所示,加入负载电阻后,则3 V至15 V电源范围内的基准电流为(2.5/R + 0.01) mA,其中R为负载电阻,单位是kΩ。

图11. 双端电流源
[p]
若精度不是问题,且只要求刚性单极性电流源,则可以采用耗尽型JFET和一个电阻组成电流源。 如图12所示,这种配置在温度发生变化时并不十分稳定,且对于给定的R值,各器件的电流可能有相当大的差异,但该配置简单而廉价。

图12. JFET电流源
最近,我需要为某些LED设计电源。 有一些工程师朋友认为我在设计供LED进行调光的可变电流源时会遇到一些困难。 事实上,我只是简单地改装了笔记本电脑的"黑砖头"电源(花几美分从跳蚤市场买的)就搞定了。 图13显示的是经过简单修改的电源电路,可为LED提供恒定电流。 采用小输出电流,它可以固定输出电压正常工作。

图13. 修改黑砖头开关电源以提供限流输出
为了得到可变的电流,将基准电压——来自黑砖头或本地——施加于P1和P2所代表的电位计。 OPA2和MOSFET通过R1输出小电流,在其上产生压降。 负载电流流过检测电阻。 若检测电阻上的电压由于负载电流超过R1上的压降而有所下降,那么OPA1输出将上升,覆盖砖头中的电压控制,并限制其输出电压,防止输出电流超过限值。
本文对于基本电流源构想的讨论并不等同于详细的应用笔记。 某些电路要求进行进一步设计以限制发热或散热,从而确保放大器的稳定性以及不超过绝对最大额定值,并计算实际性能限值。
射频工程师养成培训教程套装,助您快速成为一名优秀射频工程师...

