- 易迪拓培训,专注于微波、射频、天线设计工程师的培养
简单的电容测量方案:电容数字转换器单芯片PCAP01
电容传感器在很多工业和消费类产品中都有非常广泛的应用,因其小尺寸和低功耗以及高精度等方面的特性,在很多领域广受青睐。而对于电容传感器的测量来说,传统的电路方式有其无法克服的局限性。复杂的模拟电路设计,难以扩展的电容测量范围,都会给开发带来非常大的阻力。尽管存在一些所谓的简单易用的电容数字转换器单芯片方案,但无论从价格,性能,和简单程度上,还是会有诸多限制。
德国acam公司专利的PICOCAP测量原理则给电容测量提供了革命性的突破。在2011年推出了最新的带有内部DSP单片机的单芯片电容测量方案PCAP01, 这个芯片会使电容测量提高到一个前所未有的水平。
2.概述
PCap01为带有单片机处理单元的一款专门进行电容测量的电容数字转换单芯片方案。这颗芯片测量范围覆盖了从几fF到几百nF,而且可以非常简单的通过配置来满足各种不同应用的需求。PCap01既适合超低功耗最低至几个μA的测量,也适合高精度达到21位有效位的高性能测量,还可以进行最高达50万次每秒钟的快速测量。这颗芯片提供了对于高精度测量,低功耗测量以及快速测量应用的的完美结合。传感器数据可以在芯片内部进行现行校准,然后通过SPI或者IIC数据串行接口进行传送。另外,芯片还可以通过IO口来发送PWM/PDM 输出电压信号。其余的IO口可以作为中断管脚,水平报警信号管脚或者普通IO口来应用。
PCap01有非常小的QFN封装尺寸,仅需要极少数量的外部元器件 (至少需要2个外部双通电容) ,使整个系统的设计非常紧凑而且降低成本,适合很广泛的电容测量。
3. PICOCAP测量原理介绍

PICOCAP测量原理展示了对于电容测量的新的革命性的方式。在这个原理中,一个传感器的电容和一个参考电容被连接到同一个放电电阻,组成了一个Low-pass低通滤波。
电容首先被充电到电源电压,然后通过电阻进行放电。而放电到一个可控制阚值电压的水平将会被芯片内部的非常高精度时间数字转换器TDC所记录下来。
这个测量过程将会在传感器和参考电容上重复交错进行,应用同样的电阻。计算的结果是测量的比值结果,是与电阻和比较器温度相关性有关。传感器和参考电容数值的选择应该为统一范围来降低增益偏移。实践角度讲,对于被测电容没有大小的限制。传感器几乎可以从0fF到几十nf。PICOCAP同时也支持差动电容传感器的测量带有内部的线性补偿。
[p]
4. PCAP01芯片主要特点
Pcap01芯片为一颗单芯片电容测量方案,犹如下一些特性:
●一颗芯片可以适合多种应用,测量灵活性非常高:
    a) 低测量功耗,在10Hz最低仅2 μA
    b) 测量精度最高达22位有效位, 4 aF rms精度
    c) 测量频率可以最高达500 kHz
●非常宽的电容测量范围, 从几fF到上百nF
●超低增益和offset漂移
●18位高分辨率温度测量
●48-位DSP, 4k byte OTP, 4k byte SRAM
●内部或者外部时钟振荡
●最多可以支持6个IO口
●IIC, SPI, PWM, PDM 接口
●宽的电源电压范围从2.1 V到3.6 V
●宽操作温度范围(-40 ℃到+125℃)
●QFN32或者QFN24封装
内部结构原理图:

Pcap01发挥了PICOCAP测量原理的高精度优势,使电容测量达到了一个前所未有的水平。根据传感器和参考电容大小不同,以及所选择的测量模式的不同,我们有如下测量数据。这个测量数据为典型测量噪声精度vs.数据输出频率, 我们的测试是应用Pcap01评估系统以及10pF参考电容和1pf的Span加载电容完成。芯片的电压为 V = 3.0 V:

上面表格中可以 看到,我们分别给出了floating漂移模式和Grounded接地模式两种情况。当应用漂移模式,完全补偿的情况下,在5Hz输出时测量的RMS噪声为6aF,测量有效位高达20.7位!在选择不同测量频率的不同设置情况下,精度和速度的相对关系在表格中给出。 当然随基础电容大小不同,测量的有效分辨率也会有所不同。
当应用补偿模式进行高精度测量时,可以使测量有非常低的增益和零点漂移。电容可以连接为接地,漂移模式。而传感器和参考电容是通过内部集成的模拟开关选择到放电网路中。另外由于专利的电路和补偿算法,内部可以补偿寄生电容。补偿的结果可以达到在温度范围内仅0.5 ppm /K 增益偏移。这比绝大多数传感器本身内部偏移要好得多。
[p]
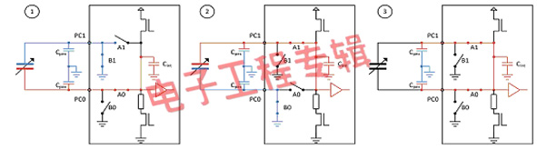
传感器连接的方式:
对于电容传感器的测量,芯片提供了非常灵活的连接方式,对比典型的连接方式如下所示:

在芯片中用户可以自己选择是用内部集成的放电电阻进行电容的测量,还是外接放电电阻来进行测量,连接的方式如下图所示:

导线补偿:
在电容测量当中,导线的寄生电容对于整个测量的影响是不能够忽略的。尤其当导线较长的情况下,导线寄生电容的影响将会对测量结果有致命的影响。在Pcap01当中,可以对传感器的导线寄生电容进行有效补偿:

通过上面的传感器连接的方式,可以补偿连接传感器两端的导线寄生电容,消除导线对于测量结果的影响。那么如果想要进行导线补偿,3个在漂移模式的测量需要被进行如下:

如果对于高稳定性高精度的测量,我们推荐连接传感器为漂移模式,来进行完全补偿。当然如果导线非常短,而且对于测量性能温度性能要求并不苛刻的情况下,也可以仅使用内部补偿,在接地和漂移模式下均可以应用:

温度测量单元RDC:
Pcap01内部有一个非常强大的温度测量单元,用户可以选择外接温度传感器测量,或者应用内部集成的铝电阻作为温度传感器电阻。内部铝电阻的温度系数为TK ≈ 2800 ppm/K,一般的温度测量完全可以满足。当然如果对于温度测量要求较高,则需外接高精度温度传感器(如PT1000)来进行测量。

[p]
48位功能强大DSP处理单元:

芯片内部带有一个48位的信号处理单元,这个处理单元将会处理CDC(电容测量)和RDC(电阻测量)的信息,获得测量数据将结果给到芯片输出端口。所获得的粗值数据将会存放在内部RAM当中,而内部有OTP或者SRAM可以用于客户进行自己程序的编写。芯片在测量完成后,一定会进入SRAM或者OTP执行内部程序,最简单的就是将测量结果读出写入到芯片的。那么还可以在程序当中进行非常多的工作,普通单片机的功能都可以在芯片内部的DSP处理单元中实现。acam公司为芯片提供不同版本的固件,适合不同种类的应用。例如提供了测量温湿度的固件,当您将芯片应用于温湿度测量的时候,可以对于温度和湿度进行非常方便简单的校正和补偿,内部还有集成的计算软件,更加方便客户的开发。
压力固件是另一个针对压力传感器应用以及其他普通应用的集成固件。它带有高阶的多项式逼近的数学算法线性补偿,还带有温度补偿算法,这些补偿算法除了在压力传感器的应用当中,还可以在其他很多的传感器应用当中进行调用,实现非常简单。
另外还有标准固件,进行普通电容测量,给出结果,有多个通信接口有效等必要功能。对于DSP,以及内部程序编写更详细的信息,请参考Pcap01的DSP技术手册。您如果对于功能上有任何需求的话,请与acam公司大中国区总代理世强电讯的技术支持人员联系,将会向您提供比较完整的咨询,以及合适的内部固件程序。
5.芯片硬件软件设计方案

上图为一个典型的Pcap01硬件设计方案,适合于普通的电容式传感器(传感器未在图中标出)。输出的方式为SPI穿行通信方式。可选择带有外部温度传感器温度测量,当然也可使用内部集成温度测量电阻。整体电路设计非常简单,所需元器件数量非常少。大大降低了整个系统的开发难度。
6.应用领域:
电容数字转换器有非常广泛的应用空间,主要应用领域如下:
温湿度传感器 压力传感器 液位传感器
位移传感器 角度传感器 加速度传感器 称重衡器等……..
7.结束语
综上所述,Pcap01单芯片方案将会使您的整体方案设计更加简单,电容测量性能更佳优越和可靠,革新的单芯片电路以及可以自由选择的带有不同补偿方式的固件如线性补偿以及温度线性补偿方式,不仅仅提升了电路测量的水平,同时也进一步提高了传感器本身的测量性能。Pcap01芯片将会使电容测量更加简单方便!
射频工程师养成培训教程套装,助您快速成为一名优秀射频工程师...

