- 易迪拓培训,专注于微波、射频、天线设计工程师的培养
采用主动平衡技术提高电动汽车电池效率和寿命
Atmel公司
节能环保一直是人们热议话题,电动和混合动力汽车则提供了一种节省能源和减少二氧化碳排放的极好方式。然而,电动和混合动力汽车重要弱点就在于其电池容量,以及由此带来的行驶距离的限制。由于能够安装进汽车的最大电池尺寸常常受到体积和重量限制,因而优化利用现有电池容量变得越来越重要。
要提供用于电动汽车的现代高性能电池所需的几百伏电压,通常需要将几个单独的电池单元以串联方式相连接。电池组中的每个电池单元,电池单元容量、自放电率、温度特性和电池阻抗等都各有不同,而且差异会随着电池的老化而增大。当电池单元正在充电时,这种差异便会导致一种情形,即某些电池单元还没有充满足够的电能,但另一些电池单元早已充满电荷了。除非采取额外措施,否则充电过程必须终止,因为如果某个电池单元过分充电,就会发生损坏、甚至有可能完全毁坏。
类似的情形也会在放电时发生。与前相反,情况是某个电池单元早已完全放电,而其它的电池单元仍然具有足够的能量可继续为汽车提供动力(理论上的)。然而,这时汽车不可能继续行走,因为这会使较弱的电池单元过度放电,结果会导致电池单元的损毁。为了避免上述两种这些情况的发生,单个电池单元之间的主动平衡是必须的。
被动平衡方法将可用能量转化为热损耗
目前广泛使用的方法是被动平衡技术,就是使用电阻将早已充满电的电池单元再次放电,以便其它电池单元能够继续充电。这个方法的缺点是显而易见的:
* 出于平衡的目的,电池只能被放电
* 旁路电阻的放电电流引起功率损耗
* 宝贵的能量转化为热量,不能为汽车提供动力
* 减少汽车的行驶距离
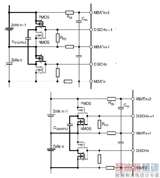
被动平衡方法仅能将储存在电池单元中的能量转化为热损耗,而主动平衡则能够将一个电池单元中的电荷传送至另一电池单元。实现电荷传送有几种方法,如使用开关电容或电感。当使用电容式方法时,电容会与有较高电压的电池单元并联。一旦此电池单元完成充电,它即与有较低电压的电池单元并联,能够继续为其充电。此过程会不断重复,直至所有电池单元都达到相同的电压为止。
使用电容器的方法具有很高的成本效益,但有个缺点就是平均的平衡电流被限制在50mA以下。使用电感方法则不存在此限制,并且在此情况下,很容易便达到1A或以上的平衡电流。
用主动平衡法实现快速和几乎无损耗的电荷传送
主动平衡是通过并联电感和需获取电荷的电池来实现的。此结果导致线圈中的电流持续增加。
一旦线圈已经从通过晶体管放电的电池单元中去耦,电感中储存的能量可通过一个二极管对邻近电池充电。因而电荷可以在两个单独的电池单元之间来回地移动,实现极高效率并且几乎无损耗。此方法具有某些决定性的优点:
* 平衡电流可能达到1A或以上
* 平衡在本质上是无损耗的
* 平衡极其快速
* 增加了效率和电池容量
* 增加了汽车的行驶距离
相比所提到的其它方法,使用电感实施主动平衡并不算是低成本的方法,因为当中使用了成本相对较高的电感元件。然而,这并不完全是个问题。现代高性能电池目前的成本接近10,000美元。而使用电感平衡方法,即使只获得了额外的10%容量,也代表了1,000美元的价值——此金额可以用于购买大数量的电感器件。
锂离子电池基于安全的原因,必须监控单个电池单元,因为过载会发生燃烧,在极端情况下甚至会发生爆炸。与过压、欠压和温度监控一样,精确的充电条件测定等附加功能也是需要的。在半导体市场上已提供能实现所有这些功能与不同的平衡方法的元件。使用先进的主动电池单元平衡解决方案(如爱特梅尔ATA6870电池管理电路)每一个电池单元都有单独的电子监控,以便提供如充电状态测定、主动/被动平衡或过压、欠压和温度监控等功能。
锂离子电池系统的测量数据记录和主动平衡
电池管理电路的核心由6个高精度12位模数转换器组成。每个电池单元由一个单独的模数转换器监控。这种方法具有很多优点,一方面可以同时测量所有的电池单元,另一方面,电池单元电压无须传输模拟地,因而不会降低系统的准确度。除了提供有效的平衡,优化电池单元容量的另一必要条件是精确记录电池单元电压,因为锂离子电池具有非常平坦的特性曲线。因此在模拟/数字转换后,电路传输数字电压值而不会有准确度的损失。
ATA6870可以在单个电池单元之间同时实现被动平衡和主动平衡的器件,能够使用电容器或电感器以串联方式连接多达300个或更多的高性能电池。如要避免电池单元太多导致太长的平衡时间,可以使用这种解决方案在任何数量的电池单元中同时进行平衡。借助于此电路,现在有可能开发低成本的、高效安全的电池管理系统,而且因为其可以非常精确地记录单个电池单元的充电状态,加上平衡方法能够提供高效率,因而可以从电池中攫取最后一点能量来驱动汽车运行。这为增加电动汽车和插电式混合动力车的行驶距离踏出一大步,进而能够促进这些车辆的成功。

图1:使用电阻的被动平衡。

图2:使用电容器的主动平衡。

图3:使用电感器的主动平衡。

图4:ATA6870锂离子电池管理IC模块图。
射频工程师养成培训教程套装,助您快速成为一名优秀射频工程师...
天线设计工程师培训课程套装,资深专家授课,让天线设计不再难...
上一篇:适于3~7W
LED灯具的高效率、高精度离线式驱动方案
下一篇:简单的电容测量方案:电容数字转换器单芯片PCAP01

