- 易迪拓培训,专注于微波、射频、天线设计工程师的培养
快速二极管MOSFET在三相逆变器拓扑中的应用
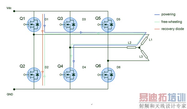
标准的三相功率级(power stage)被用来驱动一个三相无刷直流电机,如图1所示。功率级产生一个电场,为了使电机很好地工作,这个电场必须保持与转子磁场之间的角度接近90°。六步序列控制产生6个定子磁场向量,这些向量必须在一个指定的转子位置下改变。霍尔效应传感器扫描转子的位置。为了向转子提供6个步进电流,功率级利用6个可以按不同的特定序列切换的功率MOSFET。下面解释一个常用的切换模式,可提供6个步进电流。
MOSFET Q1、Q3和Q5高频(HF)切换,Q2、Q4和Q6低频(LF)切换。当一个低频MOSFET处于开状态,而且一个高频MOSFET 处于切换状态时,就会产生一个功率级。
步骤1) 功率级同时给两个相位供电,而对第三个相位未供电。假设供电相位为L1、L2,L3未供电。在这种情况下,MOSFET Q1和Q2处于导通状态,电流流经Q1、L1、L2和Q4。
步骤2)MOSFET Q1关断。因为电感不能突然中断电流,它会产生额外电压,直到体二极管D2被直接偏置,并允许续流电流流过。续流电流的路径为D2、L1、L2和Q4。
步骤3)Q1打开,体二极管D2突然反偏置。Q1上总的电流为供电电流(如步骤1)与二极管D2上的恢复电流之和。

图1:三相逆变器拓扑结构图。
图2所示MOSFET器件的截面图,显示出其中的体-漏二极管。在步骤2,电流流入到体-漏二极管D2(见图1),该二极管被正向偏置,少数载流子注入到二极管的区和P区。

图2:MOSFET器件的截面图,电流流经其内部的体二极管。
[p]
为改善在这些特殊应用中体二极管的性能,研发人员开发出具有快速体二极管恢复特性MOSFET。当二极管导通后被反向偏置,反向恢复峰值电流Irrm较小,完成恢复所需要的时间更短(见图3)。

图3:具有快速体二极管恢复特性MOSFET,反向恢复峰值电流较小,恢复时间缩短。
我们对比测试了标准的MOSFET和快恢复MOSFET。ST推出的STD5NK52Z (SuperFREDmesh系列)放在Q2(LF)中,如图4b所示。在Q1 MOSFET(HF)的导通工作期间,开关损耗降低了65%。采用STD5NK52Z 时效率和热性能获得很大提升(在不采用散热器的自由流动空气环境下,壳温从60°C降低到50°C)。在这种拓扑中,MOSFET内部的体二极管用作续流二极管,采用具有快速体二极管恢复特性MOSFET更为合适。


图4:a) Q2采用标准MOSFET的开状态操作; b) Q2采用ST公司的STD5NK52Z MOSFET开状态操作。
[p]
SuperFREDmesh技术弥补了现有的FDmesh技术,具有降低导通电阻,齐纳栅保护以及非常高的dv/dt性能,并采用了快速体-漏恢复二极管。N沟道520V、1.22欧姆、4.4A STD5NK52Z 可提供多种封装,包括TO-220、DPAK、I2PAK和IPAK封装。该器件为工程师设计开关应用提供了更大的灵活性。其他优势包括非常高的dv/dt,经过100%雪崩测试,具有非常低的本征电容、良好的可重复制造性,以及改良的ESD性能。此外,与其他可选模块解决方案相比,使用分立解决方案还能在PCB上灵活定位器件,从而实现空间的优化,并获得有效的热管理,因而这是一种具有成本效益的解决方案。
作者:Stefano Finocchiaro
Antonino Gaito
应用工程师
功率MOSFET部门
意法半导体
射频工程师养成培训教程套装,助您快速成为一名优秀射频工程师...

