- 易迪拓培训,专注于微波、射频、天线设计工程师的培养
移动电话、PDA应用中LED照明驱动电路的设计
本文主要讨论了广泛应用在移动电话与PDA等便携式设备中的LED以及相关驱动电路,除将焦点投注在最新的LED应用外,我们也检视白光LED的发展,并将针对LCD背光、装饰用照明和指示及拍照手机上闪光灯等驱动电路的结构与最新功能提供图解说明。
LED如何改善移动电话与PDA中的灯光效果和性能
由于具备高照明效率、长效性与小体积,LED已成为便携式设备,如移动电话与PDA等的必然选择,约0.1W的低功耗白光LED目前正广泛应用在LCD显示面板的背光与键盘照明上,当然也可通过连接多颗LED带来较高的亮度作为临时照明或闪光灯等应用,而可达1W的高功率LED则应用在配备两百万像素,甚至更高分辨率的拍照手机中来支持黑暗环境中的拍照功能。除白光LED外,RGB(红、绿、蓝)光LED也经常被用来强化移动电话的质感,通过三种色彩精确适当地混和,RGB LED可创造出丰富多样的色彩。
在指示应用上,当有来电或信息时可以让彩色LED闪烁,或利用色彩来显示发话者的身份,例如自行定义的群组,如朋友、家人或业务往来的来电,这项功能不仅为移动电话带来个性化,同时在非常吵杂的环境中也相当有用。为进一步强化使用者的影音感受,RGB LED也同时用来产生许多吸引人的发光效果,其中一个例子是将RGB的发光动作与响铃的旋律或MP3音乐加以同步,另外一个RGB发光的有趣应用则是日本松下公司的“Feel Talk”功能,由于RGB LED被安排在移动电话的机壳下方,因此可以依使用者的心情显示不同的色彩。
LED效能的改善和电气特性
在大量资金投注LED开发后,白光LED的照明效率比起刚发明时有了大幅度的改善,目前市场上最佳的白光LED照明效率可以达到100lm/W,相当接近日光灯管,而一些领先公司也尝试在蓝光LED上使用不同的涂敷物质,并推出更佳发光效率的设计方案,因此提供面板背光所需的LED数目将持续下滑,目前移动电话上标准LCD面板所需的背光LED大约为2~4颗,而PDA或智能型手机上LCD面板的背光则需要6~10颗。在进一步讨论LED背光与闪光灯的驱动电路结构与新功能前,先回顾一下移动电话与PDA中广泛使用的LED以及电池的电气特性。
依不同制造商所采用技术的差异,LED的正向电压(Vf)大约在2.7~4V之间,通常高功率LED拥有高达4.9V的较高正向电压,因此LED驱动电路就必须提供足够的正电压以便让LED以正向偏压的方式发光。当采用多颗LED来提供背光时,在驱动电路设计上应考虑正向电压间的差距,为了得到相同的照明强度,也就是让不同的LED发出相同的色彩,设计工程师必须确保流经每颗LED的正向电流能够相同,低功率LED通常采用20mA的正向电流,最大约为25mA,目前市场上的高功率LED则能以高达1.5A的脉冲电流来驱动。
电池的电气特性
目前移动电话与PDA中最常见的电池为锂离子或者锂高分子可充电电池,采用锂材料的可充电电池额定电压范围是3.6V~3.7V,工作电压则为4.2V~3.2V,为确保能够安全工作,这类型的锂电池只能够在1C的范围内充电或放电,这里C由电池的额定容量所决定,例如1,000mAh的电池最高放电电流为1A,移动电话通常使用的电池容量大约在650~1,000mAh之间。为改善电池的效能,采用不同阴极材料的新型锂离子电池已开始开发。在使用这类电池组时,设计工程师应该遵守电气规格限制并据此调整驱动电路。
在使用最高正向电压为3.4V~4V的LED时,由电池提供的输入电压必须等于或高于所需的驱动电压,因此需要一个具有稳定电流功能的升压式转换器来推动以串联或并联方式连接的LED。
电荷泵转换器目前广泛使用在LCD的背光驱动上,与采用电感式的升压式转换解决方案比较,电荷泵驱动电路由于具备较低的成本、较薄的厚度以及较低的噪声特性而成为较佳的选择,新推出的集成电路设计已经逐渐改善电荷泵驱动电路的效率,目前最高效率可超过93%,而平均效率则约为80%。电荷泵驱动电路通常采1x与2x模式运作,部分设备中则加入了1.33x与1.5x模式来改善效率,在这类解决方案中,LED采用并联方式连接,同时每个LED的电流由各自独立的匹配电流源提供,最佳的驱动芯片在相同电路中任两个LED电流间的匹配误差约为0.2%。
在便携式设备中,当按键盘或触摸屏时所用的LED电流最高,而在几秒钟没有动作后,为降低功耗LED电流将降低,控制LED电流的一个常见方式是采用PWM脉冲来驱动芯片的使能端,通过启动与关闭芯片,其输出电流为PWM信号占空比的平均值。对于新LED驱动芯片,由于采用单根(S-Wire)或两根线的I2C接口,故只需用一或两个I/O口,因而设计非常简单。
渐进式亮度变化与情境式照明
渐进式亮度变化主要应用在便携式设备启动或关机时以创造剧场式的照明效果,在启动时,背光电流会以预先设定的时间间隔以步进方式逐步放大到20mA,同样在关机时采用相反的动作逐步降低,通过微处理器的帮助,可将具备不同频率的PWM信号送到LED驱动电路的使能端来实现这样的效果,以特定时间间隔将LED电流用多重步进的方式加大或降低,但这个方法的缺点是耗费实时处理器资源,在NCP5602与NCP5612这类的LED驱动芯片产品上就具有此功能,参考图1。

图1:典型的两颗LED式电荷泵驱动器应用。(a) 采用I2C控制接口的LED驱动电路;(b) 采用单线式S-Wire控制接口的LED驱动电路。
这些驱动芯片需要两个箝位电容,分别位于输出与输入端以及一个用来控制最高输出电流的电阻(R1),渐进式亮度变化控制指令则由处理器通过I2C或I/O口送到驱动芯片,指令本身应该包含起始与最终电流值以及亮度变化的时间间隔。
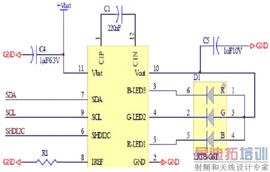
如果应用在RGB LED上时,这样的功能就能够用来产生情境式的照明效果,每个RGB LED都有32级亮度,像NCP5623这类的LED驱动芯片就可达到惊人的32,768种色彩变化,由于如此精细的亮度级差及内嵌有对数算法,色彩的变化呈线性化且相当柔顺,RGB LED驱动电路包含用来调整3颗LED输出电流的独立控制PWM电流源,以便产生所需的色彩输出。

图2:具备I2C控制接口的典型RGB LED驱动芯片应用。
由于每个电流输出的时序与电流大小都可以独立控制调整,因此我们就能够使用白光或带有色彩的LED,并利用不同的发光模式来实现丰富多彩的装饰或指示,部分具备音频输入的电路还能够让彩色LED与内部嵌入的MP3或和弦铃声的不同频带相同步。
ICON模式
您是否曾在黑暗中从移动电话上看时间,这时明亮背光与黑暗环境的强烈对比对眼睛来说相当不舒服,如果您在观赏电影过程中觉得无聊来看时间,还可能会干扰隔壁的观众,这也就是为什么采用“ICON”模式,即在待机模式下以微小的电流在外部LCD面板上显示时间或用户定义的图片。不过如果这必须通过PWM亮度控制来实现,那么处理器就得在整个待机模式下产生一个连续的低频PWM信号,在NCP5602中,这个功能采用硬件方式实现,并且通过表1中的数字命令来加以启动。

表1:NCP5602的I2C内部寄存器位安排。
由处理器送到驱动芯片的数据字节中的B5代表的是ICON模式的状态,当B5为LOW时,表示使用的是正常的背光模式,每个LED的电流可以在0mA~30mA之间调整,当B5为HIGH时,那么就会启动ICON模式,并且只会将450μA的电流送到所连接的两颗LED中的一个上,在这个器件中ICON模式的电流值为固定值,但在类似NCP5612的产品上,这个电流则可以通过单线式通讯协议来加以控制,图3显示了通过I2C通讯协议中SCL与SDA连接线的ICON控制程序。

图3:ICON模式控制时的简单SCL与SDA连接线上的数据顺序。
线性稳压器/电流源解决方案
在使用具备约3.3V较低正向电压的丛集式LED时,可选择线性稳压器提供驱动电流,线性稳压器与开关转换器比较,优势在于较低成本及较低电磁干扰,因线性稳压器只需在驱动芯片的外围加入几颗电阻,且无需使用开关器件,但这类解决方案的缺点是降低了电池电压工作范围,图4显示使用NUD4301低压降线性稳压器做为两颗LED驱动电路的情况,依标准0.2V压降及3.3V的LED正向电压考虑,稳压器将在电池电压低于3.5V时离开稳压模式进入饱和模式,这将造成稳压器输出电流大幅下滑且LED亮度变暗。但若最低电池电压在可接受范围,则线性稳压器还是小型LCD面板最具成本效益的背光解决方案。

图4:采用线性稳压器NUD4301做为推动小型LCD面板背光的两颗LED驱动电路。
移动电话上的临时照明应用
移动电话所提供的LED照明功能普遍被认为是相当精妙的设计,由许多手电筒现在都由数颗低功率LED组成,并通过相对较低的20mA到60mA电流驱动的趋势可看出。这类照明可做为便携式手电筒,但它微弱的照明强度对支持黑暗环境下的拍照动作却显不足,事实上必须要有一个或更多高功率LED才能支持1米或更远的物体拍摄照明,阻碍工程师采用高功率LED的主要原因还是成本问题,但在台湾地区与韩国制造商逐渐提高功率LED的产能后,预料单价将会开始下降。
高功率闪光灯用LED
在照明与闪光模式下通常使用不同的电流与驱动时间,例如在照明模式下可以使用200mA的连续电流,而在闪光模式下则采用400mA到1A的脉冲电流,闪光脉冲的时间长短依相机模块的特性而定,通常闪光脉冲的宽度介于20ms到200ms之间,闪光驱动电路能支持闪光LED大约1A的驱动电流,提供LED高达4.9W的输出,为让LED的结温维持在最高可容的范围,必须用良好的温度管理策略,将脉冲宽度缩小有助降低不必要的消耗,而较大的接地面积也是将热量从LED导出的一个推荐方法。
单颗高功率闪光灯驱动电路
升压式转换器是支持高功率LED中最高达4.9V正向电压的必备条件,但是就算是相同的LED芯片,正向电压在不同条件下也会不同。当LED升温时,正向电压可能会滑落到低于输入电池电压,因此就需要降压式转换器。技术上说,升降压转换器是推动单颗高功率LED最合适解决方案,但这类驱动芯片通常成本较高,同时需要配用提高总体成本与体积的外部电感。升降压转换器的优点则在于较高的整体效率,主要原因是完全使用了电池的能量,同时能提供超过1A甚至更高的超高输出电流。新推出的高电流电荷泵驱动电路是升降压转换器的一个低成本替代解决方案。但电荷泵转换器的输出电流最高大约在700mA,主要还是受到较低效率以及从电池吸取电流的限制。
集成型照明管理芯片
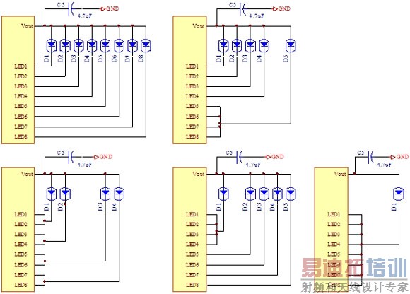
具备背光与闪光功能,部分甚至还具备RGB与其它影音功能的集成型照明管理芯片(LMIC)目前已经面市,它包含可采用电荷泵或电感式设计的升压转换器。每个输出则由可调式电流源提供,这样的解决方案在翻盖式或滑盖式手机中特别有用,因为它免去了由电源管理单元拉到电话另一面所需的长路径。NCP5608是一个可提供高达500mA的总电流,配备8个输出的集成型电荷泵驱动芯片,它的输出电流可由处理器通过I2C端口来调节,同时也能组成不同的LED配置来满足各种平台的需求。目前通过单线的数字控制已广泛应用在独立型背光LED驱动芯片上,不过这样的控制协议对LMIC来说速度太慢且太复杂,原因在集成驱动电路中需采用各种不同的控制组合。相反,在LMIC上通常会使用具有时钟与数据线的I2C或其它专用控制协议。

图5:集成型LED驱动芯片提供了各种不同的LED组合变化,从4颗以25mA电流驱动的背光功能与4颗提供闪光灯用的100mA LED,一直到结合所有输出来推动一个高功率LED的闪光灯应用。

图6:具备内部开关与时间限制保护的4.5W功率闪光灯驱动电路。
拍照手机中真正的闪光灯功能
市场上已出现300万甚至更高像素的移动电话来支持高质量的照相功能,为能让LED提供与氙气式闪光灯媲美的照明强度,可通过推动两颗或更多的高功率LED作为闪光灯;具备4.5W高功率驱动能力的电感式升压转换器可以500mA的驱动电流推动两颗串联的LED。注意,在这类驱动电路中必须加入时间限制保护电路以避免LED长时间工作而损坏,同时驱动芯片中也应加入开关来改变照明与闪光应用时的电流大小。
本文小结
LED的批量供货已经让移动电话与PDA上LCD面板背光用低功率LED的单价越来越低,新推出的背光驱动芯片也内嵌步进式亮度控制以及不需任何软件设计,同时也不耗费任何微处理器资源的情境照明控制功能,而这些LED驱动电路可以帮助便携式产品制造商缩短开发时间。而在较低成本的解决方案上,则可以使用线性稳压器来推动正向电压较低的LED。另一方面,市场上也出现几种闪光灯驱动解决方案。分别为独立型升降压转换器、高电流电荷泵驱动电路以及照明管理芯片。大部分的功率闪光灯可能包含几个标准的LED或一颗高功率LED,目前拍照手机中高功率LED尚未普及的主要原因是单价较高。在部分高端移动电话中使用了两颗LED以便提供较高亮度的闪光灯来强化拍照手机的拍照效果。在拍照手机逐渐取代数码相机的趋势下,更高功率的闪光灯解决方案将越来越普及,从而为用户提供真正的拍照体验。
作者:林欣欣
低电压电源管理产品市场经理
数字消费产品部
Crystal.Lam@onsemi.com
安森美半导体
射频工程师养成培训教程套装,助您快速成为一名优秀射频工程师...

