- 易迪拓培训,专注于微波、射频、天线设计工程师的培养
采用PFC预调节器加速启动
通常,我们会利用一个低电压环路(参见图 2)对功率因数校正 (PFC) 预调节器升压转换器进行补偿,以降低输入电流总谐波失真 (THD)。在大多数应用中,PFC 预调节器的小信号电压环路的设计以低于十七分之一的线频率进行电压交叉 (cross over)。在一个线频率为 60-Hz 的离线转换器中,电压环路以低于 10Hz 的频率进行电压交叉。图 3 显示了线频率为 60-Hz 的 PFC 预调节器离线工作时,其典型的电压环路频率响应情况。

图 2 电压环路控制结构图(点击放大图片)

图 3 电压环路频率响应(点击放大图片)
对于电源设计人员来说,电压环路的小信号带宽是一个非常严峻的挑战。该环路对小信号变化响应的最短时间大约为 100ms,而该环路对大信号变化响应的时间可能要花上数百毫秒,如启动时的信号变化。启动期间,由于电压环路对大信号瞬态响应的校正不够快,因此可能会出现升压电压过冲现象。为了避免上电时的过冲现象,电源设计人员可能不得不缓慢地调高输出电压。这种情况一般是通过使用软启动 (SS) 功能来实现,大多数先进的脉冲宽度调制 (PWM) 控制器都具备这一功能。
典型 PFC 的应用评论
PFC 预调节器是两级功率系统中特有的部分。第一级为一个升压转换器,该转换器通过平均电流模式控制得到输入电流波形,以实现单位功率因数。要使升压转换器能正常运行,这就需要一个高于输入电压的输出电压,并且第二级需要对该电压进行降压,使其成为可用输出电压。

图 4 典型的具有 PFC 预调节器的两级系统(点击放大图片)
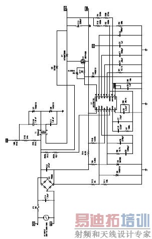
图 1(见最后一页)所示原理图表明,PFC 预调节器设计用于在脱离通用线电压(如 85Vrms 至 265Vrms 之间)的情况下运行,并将 DC 输出调节为 385v 和 250w。第二个功率级一般位于这个预调节器的下游,该预调节器是专门设计用于在输入电压为其输出电压的 75% 时正常工作,这样便可以应对“欠压”的情况。
所带来的挑战
在一些应用中,设计工作需要一个快速启动,而并不会选择缓慢的升压。加速软启动最大的问题是由升压引起的过冲现象:图 1 所示的升压电容 (C12) 电气应力。
需要设计一个如图 1 所示的电路来实现在 300ms 时间以内的软启动。设计方面的要求是在 300ms 时间内升压不超过其目标输出电压的 75%。图 5 的波形反应了该设计的软启动特性。CH1 是指输出电压 (Vout),CH2 是指电压放大器输出电压 (VAOUT),CH3 是指软启动 (SS) 电压,而 CH4 则是指来自 UCC3817 的DRVOUT 引脚的栅极驱动信号。UCC3817 控制升压开关 Q1。

图 5 典型的 PFC 预调节器启动行为
该电源的设计,是为了使输出电压 (Vout) 跟踪 UCC3817 PFC 控制器引脚 13 处的软启动 (SS) 电压。但是,由于转换器的电压环路响应较慢,输出电压并没有跟踪 SS,而是在上电过程中出现过冲,并达到将近 13% 的过冲量,大约 435V 的峰值。从图 3 的波形可以观察到,控制 IC 的软启动功能运行正常。输出电压和 VAOUT 会跟踪软启动,一直到输出电压达到 385V。一旦 VOUT 超过 385V,由于需要一个最小的占空比,电压放大器输出会降低,但是电压环路响应太慢而无法避免出现过冲现象。
[p]
解决方案
图 6 所示的简易电路可以用于消除过冲现象,并加速电源启动特性。通过去除 R3 和 C4 并连接额外电路,便可实现这样的电路。如欲了解完整的电路实施过程,请参见图 1 和图 6。

图 6 过冲抑制电路
工作原理
电压环路会将 VSENSE 引脚电压调节到大约 7.5V。电路的功能是加载一个 2V 电压至 VSENSE 引脚,该引脚在上电期间会欺骗 (fooling) 电压放大器。当升压达到其调节输出电压的 75% 时,这种做法将会导致 Q1 的栅极驱动关闭,从而降低上电期间输出端的过冲峰值数量。
该电路充分利用了软启动功能,许多 PWM 控制集成电路都有这样的功能。PWM 控制器的软启动 (SS) 引脚会提供 10A 的充电电流,当 SS 引脚电压达到一个 5-V 直流电的电平时,才会停止提供充电电流。二极管 DA、晶体管 QA 和 QB 以及电容器 C4 共同构成了电路时序。在对电容器 C4 进行充电时,晶体管 QA 开启,使 PNP 晶体管 QB 栅极电压下降。分压器是由 RB、RC 和 R3A 以及二极管 DB 组成,在上电期间可以通过其依次给 VSENSE 引脚加载一个大约 2V 的电压。待电容器 CA 完全充电后,晶体管 QA 关闭,从而使电路失效。
电路实施
将图 6 的电路添加到图 1 所示的升压调节器中。图 7 所示的示波器图表明了升压调节器的启动特性。CH1 是指输出电压 (Vout),CH2 是指电压放大器输出电压 (VAOUT),CH3 是指软启动 (SS) 电压,而 CH4 则是指来自 UCC3817 的 DRVOUT 引脚的栅极驱动信号。UCC3817 控制升压开关 Q1。在该波形中,我们可以观察到该电路是符合设计要求的。升压电压绝不能高于 385V,并且要在 300ms 时间内被调节至额定电压的 75%。

图 7 具有过冲抑制电路的启动
结论
为了满足 THD 和 PF 要求,PFC 预调节器的环路频率通常约为 10Hz。电压环路需要近 500ms 的时间来对大信号瞬态进行响应,例如:启动等。为了解决该问题,电源设计人员通常的做法是,使他们设计的软启动功能变慢。然而,使用上述简易电路不但可以减少过冲现象,而且还可以缩短预调节器上电的时间。
作者简介
John Bottrill 现任 TI 电源转换产品部高级应用工程师。他毕业于加拿大金斯敦皇后大学 (Queen"s University),获电子工程理学士学位。如欲联系作者,请发送邮件至 john_bottrill@ti.com。
Michael O’Loughlin 现任 TI 高性能模拟产品部消费类电子应用工程师。他毕业于麻塞诸塞州立大学 (University of Massachusetts),获电子工程理学士学位。如欲联系作者,请发送邮件至 michael_oloughlin@ti.com。

图 1 典型的 PFC 应用
射频工程师养成培训教程套装,助您快速成为一名优秀射频工程师...

