- 易迪拓培训,专注于微波、射频、天线设计工程师的培养
负载点调节提高机顶盒设计的性能
产品市场工程师
Bruce Haug
有线电视和卫星广播内容提供商正在不断向激烈竞争的市场推出新业务。这些新业务包括互联网接入、按需视频、支持 DVD/CD 播放器和硬盘驱动器等,这正在使简单的机顶盒(STB)逐步发展成为功能强大的家庭网关。这些先进的机顶盒在家中形成了一个局域网(LAN)。因此,机顶盒一般有以太网或 FireWire 端口,或采用其它通信方式,甚至可能是蓝牙。这些更加复杂的机顶盒反过来又需要消耗更多功率。随着这些系统消耗功率的提高,系统设计师对于温度上升、产品上市时间、效率、监管机构批准、成本、电源排序和功率因数校正(PFC)等问题也越来越担忧了。
消除这些担忧的一种方法是将电源架构从传统的多路输出反激式电源改为较高性能、更加灵活并具有负载点(POL)稳压器的分布式电源架构。目前大多数机顶盒采用离线式多路输出反激式电源架构。这些电源提供 30W 功率,转换效率最高为 65%。先进的机顶盒电源用 12V 等单一分布式直流电压提供高达 65W 功率,并采用下游负载点稳压器,组合转换效率高达 80%。
内容提供商提供的服务决定了机顶盒的特点,如处理器功耗、调制解调器速度、传输介质、是否包括 DVD 播放器或硬盘驱动器以及 I/O 端口数量。机顶盒的标准架构是基于外部设备计算机接口(PCI)总线,从表面看与笔记本式 PC 类似。不过,尽管 PC 架构全世界相同,但是不同地区甚至不同制造商的机顶盒架构变化却很大。当然,由于消费者的需求容易变化,因此随着所需服务不断变化,机顶盒配置也在不断变化之中。功能决定对电源的要求,而且唯一明显的趋势是系统功耗在提高。服务提供商之间的竞争和地区差别意味着,让机顶盒按时上市有相当大的压力。电源设计导致延迟交货是无法容忍的,因为这可能丢失市场份额。
机顶盒电源要求在设计周期后期发生变化是常见的。然而,最不希望发生的事情就是由于电源而推迟机顶盒的开发进度,但是如果需要采用离线式多路输出反激式电源,就有可能发生这种情况。设计这样一个电源并在安全性和 EMI 性能方面获得监管当局批准可能需要 6 到 9 个月时间,或者甚至长达一年。采用多路输出反激式设计,后期变化可能导致必须长时间反复设计磁性元件。因此,在有些情况下,绝望的设计师会增加二极管压降,以适应最后出现的输出电压或电流需求的变化。
标准现售交流输入(90V 至 26 V 交流)单输出电源的优点是采用安全部门和 EMI 监管当局批准的电源。这些电源用 3.3V 至 48V 的单一输出电压实现高达 90% 的电源转换效率。另外,标准现售单输出电源价格不贵,提供几种尺寸,大批量生产,适合很多应用。使用这种电源可以将开发周期缩短 6 个月。即使功率最大值提高也没关系,因为考虑到可能需要更高功率,设计师从一开始开发就可以计划出 20% 至 30% 的冗余量,这不会提高很多成本或占用很多电路板面积。
功率因数校正是影响机顶盒电源的另一个问题。IEC/EN61000-3-2 规范限制电压供电系统的谐波电流辐射,要求其具有 75W 或更高的输入功率。实际上,输入功率超过 75W 时,这个规范要求附加电路。效率为 65% 的多路输出反激式电源可在不需要额外功率因数校正电路时提供 49W 的最大输出功率。效率为 90% 并具有效率为 90% 至 95% 的下游负载点稳压器的分布式电源无需功率因数校正电路就可提供 60W 至 6 W 功率。较高效率的明显好处是减少热量、减少通风需求并延长平均故障间隔(MTBF)时间。
凌力尔特公司提供了完整的高效率同步负载点 DC/DC 开关稳压器系列,包括模块、单芯片和控制器。LTC3850 是最近推出的双输出负载点 DC/DC 开关稳压器控制器,能以 95% 的效率将 12V 转换成 5V/5A,或以 92% 的效率将 12V 转换成 3.3V/5A以及以 91% 的效率将 12V 转换成 2.5V/5A。
LTC3850 是一个双路输出同步降压型开关稳压器控制器,驱动 N 沟道MOSFET 功率级。其 4V 至 24V 的输入范围适用于多种应用,其中包括大多数中间总线电压应用。强大的片上驱动器允许使用大功率外部 N 沟道 MOSFET,以在输出电压范围为 0.8V 至 5.5V 时产生高达 20A 的输出电流。
双路输出、具 DCR 检测的 5A 稳压器
热量
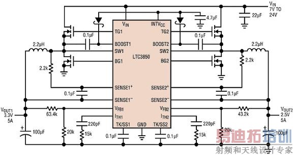
图 1 中的原理图显示一个基于 LTC3850 的电路,该电路在 7V 至 24V 的输入范围内工作、开关频率为 530kHz,无需电流检测电阻,提供 2.5V/5A 和 3.3V/5A 的独立输出。通过将电感器的直流电阻用作电流检测单元,该应用电路在满负载电流时消耗可能达到的最低的功率。效率高于 90%,如图 2 中的效率曲线所示。

图 1:在 7V至 24V 电源范围内工作的双路 3.3V/2.5V 输出 LTC3850 应用原理图

图 2:图 1 电路的效率曲线
跟踪的益处
跟踪实现了可预测的、向上或向下转换输出电源的方法。跟踪一般保持反馈电压低于内部基准电压或 TRACK 引脚上的电压。LTC3850 更进一步,在一个引脚中组合了每个通道的跟踪和软启动功能(TK/SS 引脚),并按照 TK/SS 引脚的状态定制开关工作模式。图 3 显示了重合跟踪和比例制跟踪曲线,无论那一条都可以用 LTC3850 配置。

图 3:用 LTC3850 实现两种不同的输出电压跟踪模式
快速瞬态响应
任何稳压器反馈环路的稳定性都可以通过查看负载电流瞬态响应来检查。开关稳压器需要几个周期来响应输出负载电流的突然变化或输入电压的变化。当出现阶跃负载时,VOUT 的移动量等于ΔILOAD x 输出电容器的 ESR,其中 ESR 是等效串联电阻。ΔILOAD 还开始给 COUT 充电或放电,产生反馈误差信号,强制稳压器适应电流变化并让 VOUT 返回稳定状态值。在恢复过程中,可以监视 VOUT 是否有过度过冲或振铃,这可以指示是否有稳定性问题。图 4 显示了图 1 中 LTC3850 电路的瞬态响应。恢复过程被很好地衰减了,对 50% 的负载变化稳定时间不到 50us。输出电压对标称值的最大偏离可以通过增加输出电容来减小。

图 4:图 3 电路中 LTC3850 的瞬态响应
轻负载工作
在重负载时,LTC3850 以恒定频率 PWM 模式工作。在轻负载时,它可以在以下 3 种模式之间切换:连续、脉冲跳跃或突发模式(Burst Mode)。突发模式工作在一个周期至几个周期的脉冲串之间切换,输出电容器在交错休眠期间提供能量。这样就可实现最高可能的轻负载效率。强制连续模式从无负载到满负载提供 PWM 工作,实现最低可能的输出电压纹波。脉冲跳跃模式以恒定频率工作,但总是在允许电感器电流反向之前断开同步开关。与突发模式工作相比,这种方法降低轻负载时的纹波,而与强制连续模式相比,则提高轻负载时的效率。
每个通道还具有单独的 RUN 引脚,该引脚具有精确的 1.2V 接通门限。当 LTC3850 自己的电流源用来给软启动电容器充电时,让一个通道的 RUN 引脚电平变高,软启动电容器就会在大约 80us 之内开始充电。作为一种可选择的方案, TK/SS 保持低电平时任一 RUN 引脚都可以保持高电平,这可以保持内部 5V 稳压器作为备用电源工作。这一功能可用来为唤醒电路供电,该电路控制两个 TK/SS 引脚的状态。
固定工作频率/最短接通时间
LTC3850 的两个通道不同相工作,这降低了输入 RMS 电流纹波并因此降低了输入电容需求。开关频率可以在 250kHz 至 780kHz 的范围内调节,或者用 FREQ/PLLFLTR 引脚上的电压设置,或者用锁相环同步至进入 MODE/PLLIN 引脚的外部时钟。在高频工作时,由于其上面开关的最短接通时间短,因此 LTC3850 能以低占空比正常工作。例如,一个以 700kHz 频率工作的 15V 至 1.1V 转换器需要低于
1.1V/[(15V) (700kHz)]= 104ns
的最短接通时间。
LTC3850 可以在仅为 90ns 的时间里完成其强大的顶端栅极驱动器的一个周期,从而使这种低占空比应用成为现实。
检测电流的两种方法
LTC3850 具有一个全差分比较器,以检测通过电感器的电流。SENSE+ 和 SENSE- 引脚可以连接到与电感器串联的电流检测电阻,或连接到一个与输出电感器并联的 RC 网络,这样就可跨电感器直流电阻(DCR 检测)实现高能效检测。DCR 检测防止检测电阻引起功率损耗,但是有 5% 至 10% 的典型内在误差,这对大多数应用来说是可以接受的。LTC3850 可以使用两种方法中的任一种以实现设计灵活性,而且具有 3 个引脚可选限流门限供选择。
输出短路时,LTC3850 逐周期地限制峰值电流,以此保护输入电源和电源组件。达到电感器峰值电流检测门限 VSENSE(MAX)/RSENSE 的 130% 时,主 MOSFET 断开。VSENSE(MAX) 可以设置为 30mV、50mV 或 75mV,以实现多种输出电流值。占空比对限流的影响非常小。就负载电流高于最大编程值但低于硬件短路电流值的情况而言,LTC3850 平滑地缩短顶端 MOSFET 的接通时间,降低输出电压。LTC3850 还保护自己免被欠压输入和过压输出电压损坏。RUN 引脚可以 VIN 引脚上的分压器为基准,以便用它们精确的门限值控制输出状态。如果输出电压比目标值高 7.5%,那么底部 MOSFET 可以保持接通直到恢复调节。如果允许 LTC3850 以接近输出电压编程值的输入电压工作,那么其占空比可以高达 97%。
LTC3850 采用小型 4mm x 4mm QFN-28(0.4mm 孔距)、4mm x 5mm QFN-28(0.5mm 孔距)或 28 引脚窄型 SSOP 封装,功能丰富。该器件以高效率工作,可以采用或不采用 DCR 电流检测。跟踪、非常快的响应时间、强大的片上 MOSFET 栅极驱动器、两相工作、外部同步和低成本允许 LTC3850 用于机顶盒和很多其它应用。
结论
负载点调节比传统多路输出离线式定制反激式电源效率高,可以提高机顶盒设计的性能。负载点调节无需额外的功率因数校正电路就可实现较高的输出功率,并通过使用监管机构批准的现售单输出电源和高效率负载点下游稳压器加快产品上市时间。LTC3850 功能丰富、效率高且封装尺寸小,为机顶盒电源设计师提供了一种理想的解决方案。
推荐:高效可靠的汽车应用解决方案
射频工程师养成培训教程套装,助您快速成为一名优秀射频工程师...

