- 易迪拓培训,专注于微波、射频、天线设计工程师的培养
设计技巧:用超薄型功率电感提升DC/DC转换器性能
同时,电子移动终端变得越来越来小,越来越薄,因而DC/DC转换器也需更小,更薄。但随着转换频率越来越高,功能越来越多,对小而薄型功率电感的额定电流的要求也越来越高。这样,大大加快了电感制作新技术的发展,包括材料,设计和生产工艺。基于此,村田公司提供了一系列非常适合小型移动终端产品中DC/DC转换使用的功率电感,包括绕线型LQH3NP_G0系列和叠层型LQM2HP_J0系列,并已投放市场。这些器件不但尺寸小,厚度薄,而且额定电流非常大。
绕线型磁屏蔽结构
LQH3NP_G0的尺寸为3.0×3.0×0.9mm,厚度低于1mm,其外部结构如图1所示。
目前市场上大多数功率电感主要采用铁氧体盖包裹达到磁屏蔽的效果,而LQH3NP_G0系列采用了磁屏蔽结构,它的绕线部分采用磁性粉末和树脂涂覆(见图2)。结构上要简单的多。因此也最大限度的使用了绕线空间,从而通过其紧凑的设计实现小尺寸和低厚度。
绕线电感额定电流的定义方法有两种:一种是直流偏置特性,即电感值随电流的变化特性;另外一种是温升特性,即主要由绕线直流电阻导致的热量产生。LQH3NP_G0系列的直流偏置特性和温升特性通过优化结构和磁屏蔽的设计规格有明显提高。另外,LQH3NP_G0系列设计的时候很好的结合了两种特性值,从而能够提供更高的额定电流。图3显示了额定电流得以改善的图形,图4和图5分别显示了直流偏置特性和温升特性。
如图所示,在1.0uH的电感值上能够通过1.5A的大电流。同时此系列的电感值范围从1uH到250uH,从而能让工程师选择最合适的电感值来满足电源管理IC的特殊应用。
图6显示了在DC/DC转换电路中使用22uH的功率电感LQH3N3N220N时的转换效率。在评估中我们采用了1MHz转换频率的DC/DC升压评估电路(参考图7),同时测量了另一个公司的铁氧体磁屏蔽盖结构,尺寸为4.0 4.0 1.2mm的功率电感。
比较测试结果说明:虽然LQH3NP_G0系列的体积只有磁屏蔽盖结构的一半,但LQH3NP_G0系列可以提供一样的电压转换效率。因此,这个系列在移动设备中具有很强的优势。

图1 : LQH3NP_G0系列芯片外观图。

图2 : LQH3NP_G0系列芯片与其它品的结构比较。

图3:额定电流定义的图形表示方法。

图4:LQH3NP_G0系列芯片的直流偏置特性。

图5:LQH3NP_G0系列芯片的温升特性。

图6:利用 LQH3N3N220N功率电感的转换效率的比较。

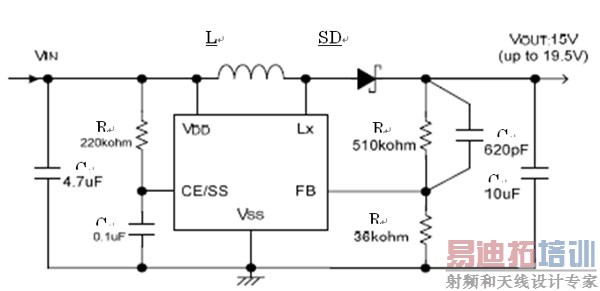
图7:利用 LQH3N3N220N功率电感的升压评估电路。
技术文库
[p]
叠层型功率电感特性
在越来越高的转换频率下,叠层型功率电感也必须有多种电感值以供选择,这也已成为行业关注的焦点。和绕线型功率电感相比,叠层型功率电感在减小元件尺寸和厚度方面更加容易。然而,为了实现大的电流,其面临着提供低直流电阻和改善直流偏置特性的难题。
村田在多年的叠层技术的基础上,采用一种新的内部电极形成技术,使得LQM2HP_J0系列的低直流电阻成为可能。然而,直流偏置特性的改善对叠层型功率电感一直是一种挑战。村田独创的铁氧体材料技术和结构设计方法使直流偏置特性改善成为可能,即使是流过电感的直流电流增加,也能阻止电感值的直线下降。
图8描述了直流偏置特性。LQM2HP_J0系列功率电感的尺寸是2.5 2.0 1.1mm,但是在1uH的情况下可以通过1.5A的大电流。图9描述了在一个实际使用2.2uH的DC/DC转换器模型中安装了LQM2HPN2R2后电压转换效率。
作为比较,这个图形还显示了另外一个制造商3.0 3.0 1.0mm尺寸绕线型功率电感的测试结果。在评估电路中,我们使用了3.0MHz转换频率的DC/DC降压转换电路。
比较测试结果证明虽然LQM2HP_J0系列比其它制造商的绕线功率电感尺寸小,但是它可以提供接近90%的电压转换效率,与同类的其它产品相同或更高。这个证明LQM2HP_J0系列是一种非常适合移动设备元件的小型化的产品。
除上述述两大系列产品外,村田公司还推出了很多小尺寸和超薄的产品线系列包括LQH2MC_52系列绕线电感和LQM31P_C0,LQM21P_C0系列叠层电感,支持市场对小尺寸大电流功率电感的需求。

图8:LQM2HP_J0系列功率电感的直流偏置特性。

图9:利用 LQM2HPN2R2的转换器的电压转换效率比较。
作者:田中硬强
EMI事业部
村田制作所
技术文库
射频工程师养成培训教程套装,助您快速成为一名优秀射频工程师...
天线设计工程师培训课程套装,资深专家授课,让天线设计不再难...
上一篇:负载点调节提高机顶盒设计的性能
下一篇:PFC预调节器加速启动

