- 易迪拓培训,专注于微波、射频、天线设计工程师的培养
处理器的高效率电源管理(08-100)
预测到2010年,处理器将工作在1V和100A电流,到2020年希望处理器的电源电压将是0.7V和更高电流。处理器工作在1V,100A(或更高)和GHz频率时的高效电源管理成为设计人员面对的困难任务。
设计人员可以提供低电压、大电流微处理器电源。但增加高效率(90%或更高)的要求时,采用当今的元件和技术可达到的效率为70%~80%。
VRD配置
VRD(Voltage regulator-down)配置把所有元件直接安装在计算机母板上,为大部分处理器供电。大部分VRD有8位电压识别(VID)码,其8位输入线直接连接到处理器的相应8个VID引脚。在电压稳压器根据感测器的微处理器VID码,设置处理器所需的工作电压。处理器也可以采用动态电压识别来改变时钟频率和工作电压,以响应处理器的工作负载和热响应。
Intel公司VRD11.0处理器电源供电设计指南中,为5个不同处理器给出所用电源设计指南为:
·最高电源电压:1.4V~1.425V;
·最大电流:75A~125 A;
·在所有线路、负载和环境条件下,严格的输出电压调整±5%;
·非常低的纹波,通常小于10mVrmsp-p;
·效率75%~80%;
·快速瞬态响应,与微处理器时钟频率一致;
·过压保护;
·过流(短路)保护;
·过温保护;
·功耗元件的热管理;
·相当小的封装尺寸,使电源可以安置在靠近微处理器负载处。
多相变换器
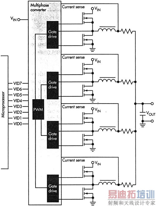
可以满足当今处理器电源要求的唯一拓扑是多相开关模式变换器。这种变换器采用两个或更多相同、组合单元,把这些单元输出连接起来,其输出是所有单元输出的总和(图1)。

图1 四相电压稳压器用分离的栅极驱动器、分立的功率MOSFETs和1个分离的PWM控制器,与微处理器连接靠8位VID码
[p]为了理解多相变换器的优点,首先看看单相变换器提供大电流和低电压时的缺点。用一般单相变换器,其输出汶波和动态响应的改善是靠提高工作频率。
另外,在较高频率时,输出电感器和输出电容器的物理尺寸和数值变小。在频率达到一定限值后,变换器开关损耗增大,效率下降。这迫使在工作频率和效率方面做设计折衷。
为了克服这些单相频率限制,多相单元工作在一个共同的频率,但移相结果是变换开关发生在由共同控制芯片控制的规则间隔内。控制芯片交错排列每个变换器的开关时间,所以,每个变换器开关之间的相位角是360 /n(n是变换器单元数)。因为单元输出是并联的,所以,有效的输出纹波频率是nxf(f是每个单元的工作频率)。这种方法具有较好的动态性能和显著小的去耦电容(与单相系统相比)。
单元的电流均分是必须的。因此,一个单元不能“霸占”大多数电流。理想情况是每个多相单元应该消耗相同量的电流。为了实现相等电流均分,必须监视和控制每个单元的输出电流。
多相变换器有几个重要的优点:每个单元提供总输出功率的1/n,这使得每个相所用的电感器的尺寸数值变小;热耗分布优点,因为每个单元中的功率半导体只需要处理总功率的1/n,这降低了任何热点温度、增加了可靠性,并允许有较高的总功率性能。
另外,等效频率增高不会招致进一步的开关损耗,这可以采用较小的等效电感,从而缩短负载瞬态周期时间。输出电容器中降低的纹波电流使输出纹波电压变低,这可采用更小或更便宜的输出电容器。
在选择相数时,应考虑多相变换器的一些缺点。缺点1,需要较多的开关和输出电感器,这会导致较高的系统成本;缺点2,需要更复杂的控制,这是因为有多个变换器单元,相互之间不均匀电流均分的可能性是可能的;缺点3,增加了电路布线的复杂性。
随着工作电流要求的增高,需要有更多的单元相。一个最佳的设计需要折衷考虑相数、每个相的电流、开关频率、成本、尺寸的效率。更高的输出电流和更低的电压,需要更严格的输出电压调整。多相设计可采用几种实用的方法。
一种方法是采用带集成MOSFET驱动器的PWM(脉宽调制)控制器IC。然而,片上栅极驱动器产生的热和噪声会影响控制器性能。级连这类芯片以增加更多相是不现实的。用这种配置实现精确的电流均分是困难的。这种方法3相是限制相数。
另一种方法是采用分离的控制器和分离的栅极驱动器,使PWM控制器与栅极驱动器的热和噪声隔离。然而,电流均分会更复杂,因为电流感测信号路由到控制器。还有另外的控制器-驱动器延迟,这是因为它们是分离的IC。
另一种方法是采用一个带集成栅极驱动器和内置同步和电流均分的控制器。这种方法只允许偶数相数。它简化了设计,但可导致未用或多余硅片、引脚和外部元件。最重要的是片上所产生的驱动器热和噪声可能会降低控制器性能。
所以,现有的方法在选择相数中不能提供所需的自由度。理想的方法是一种可伸缩的拓扑,它能容易地增加或去除任意多相单元,而且不影响性能。这种方法必须能够在分布的相单元中相等地均分电流。这样的技术使寄生效应最小,并容易板布线。
DrMOS
配置一个减小尺寸、可伸缩多相变换器的一种方法是采用DrMOS(Driver-MOSFET)规范(Intel公司2004年11月提出)。DrMOS模块包括驱动器和功率MOSFET(图2),设计用于多相变换器。
对于一个DrMOS器件采用多芯片模块的一个主要优点是,可以使单独MOSFET性能最佳化。然而,多芯片模块的元件成本高于等效的单片方案。尽管如此,设计人员应从系统观点看成本问题。
Fairchild公司的FDMF8700是一款支持Intel的DrMOS Vcoredc-dc变换器标准、用于大电流同步降压应用的FET加驱动器的多芯片模块。这是一个完全集成的功率级方案,采用8×8mm MLP封装。它替代一个12V驱动器IC和3个N沟MOSFET,与分立元件方案相比,节省板空间50%。开关和驱动器管心的布线和尺寸是最佳化的,能工作在较高频率。
不象分立方案那样,寄生元件与板布线一起显著地降低了系统效率,FDMF8700模块的热和电气性能,使寄生效应最小,改善了总系统效率。在工作时,高端MOSFET对于快速开关是最佳的,而低端器件对于低RDS(ON)是最佳的。这种配置实现了变换12V总线到提供处理器芯核1.0V~1.4V(高达30A)电压所需求的低占空比开关。
Fairchild家族的DrMOS多芯片模块包括FDMF6700,FDMF8704,FDMF8704和FDMF8705(见图3)。
[p]
图2 DrMOS模块包含驱动器和功率MOSFETs。控制电路和输出级具有独立的地
Renesas Technology America公司的RZJ20602NP集成一个驱动器IC和高、低端功率MOSFET在56引脚QFN封装中。这种第二代驱动器-MOSFET产品工作在高达2MHz开关频率,其最大输出电流为40A。工作在1MHz,VIN=12V,VOUT=1.3V时,最高效率接近87%。在25A输出电流时,功耗只有4.4W。
NXP公司的NXP PIP212-12M也满足DrMOS规范。它由高端(控制FET)、低端(同步FET)和FET驱动器组成。它可以用做降压稳压器构建单元,每相大于30A电流、工作频率高达1MHz。

图3 由4个Fair child FDMF 8704DrMOS模块和1个分离的四相Intersil ISL8307A PWM控制器组成的简化四相电压稳压器电路
Semtech公司的SC2447是一款高频率、双相PWM降压控制器,对于Philips和Renesas DrMOS是最佳的器件,适用于网络系统电源。它采用固定频率、连续导通峰电流模式的控制,具有良好的补偿和快速瞬态响应。它产生两个独立的180 异相、30A输出。每个相具有单独的闭环软启动和过载停机定时器。
Intersil公司的ISL6307A控制微处理器芯核电压调整(图3)。微处理器负载可产生非常快沿率的负载瞬态。ISL6307A具有宽带控制环和高达12MHz的纹波频率,能为瞬态提供最佳响应。ISL6307A利用专利技术感测电流,来测量低端MOSFET导通期间跨接在低端MOSFET的RDS(ON)或输出电感器dc电阻(DCR)上的电压。电流感测器为精确电压降、通道电流平衡和过流保护提供所需的信号。可编程内部温度补偿功能补偿电流感测元件的温度系数。(京湘)
射频工程师养成培训教程套装,助您快速成为一名优秀射频工程师...
天线设计工程师培训课程套装,资深专家授课,让天线设计不再难...
上一篇:业界第一个商用TMBS整流器与传统整流器电子应用的对比(08-100)
下一篇:双环控制策略的有源功率因数校正电源研

