- 易迪拓培训,专注于微波、射频、天线设计工程师的培养
险阻重重的平行驱动
The Perils of Parallel
Assessing the Pros and Cons of Driving High-Power LEDs in Series-Parallel Arrays
引言
无论是阅读LED的数据表抑或是与其制造商一起工作,照明系统的设计人员都会很快地回到最基本的概念:LED的光输出量是与流经它的电流量成正比的。随着LED本身在光输出量和质素上都获得了巨大的改进,没有一种LED应用可以避免考虑转换成固态照明这一问题,可是,现如今只有少数的LED能够从单一芯片上发出足够的光量,用以取代一个60W的90流明白炽灯泡。大部分应用均需要使用多个LED驱动,并且这些应用均开始倾向采用功率额定为1W到5W的LED,当一个应用从使用单一LED到使用两个或更多LED时,设计方案的复杂度便提升了一倍以上。LED的总数量越多,解决方案便越复杂。今天一个经过设计改进的900流明灯泡可能仅需要10个1W的LED,但未来的一个10000流明街灯则可能动辄需要100个LED。光通量和主波长/色温的划分可确保每个LED的光照度均达到一致,但条件是流经每一个LED的电流均需相同(注意:LED芯片温度的一致性与驱动电流同样重要,这个课题值得写一篇独立文章去讨论)。在电气驱动方面的最大挑战,是必须确保流经每个LED的电流均达到一致,与此同时又需在尺寸、电源效率、规例/安全标准和成本上作出平衡。
串行比较优胜
从相同的驱动电流角度去看,把LED如图1般串成一行是最佳的方法。即使一个设计得很糟的LED驱动器,虽然其拥有宽大的平均电流容限,又或拥有宽阔或经常变化的纹波电流量,但仍可将电流正确地输送到每一个LED。虽然灯泡本身可能出现不稳定的亮度和色温,但总比那些在串头和串尾出现连肉眼都可辨的亮度和颜色差别的灯串较好。可是,当串在一起的LED数量越来越多时,麻烦便会接踵而来。LED驱动器可以看成是一个可变电压的调节器,它可以调节电压的输出VO直至流经负载(即LED)的电流量到达要求的水平。用来驱动一个长LED灯串的直流电压很容易会超出当今各类电子元件的极限,包括LED驱动器所需的二极管、晶体管和电容器。例如,一个普遍使用在开关转换器的肖特基二极管,现时最多只能达到100VDC。更为复杂的是每个LED都有一个典型的最高和最低正激电压VF。灯串中的LED数量越多,直流驱动电压的变化幅度便会越大。最后,VF会随着芯片的温度上升(ΔVF/ΔT)而持续下降,以致所要求的VO范围比原本的大很多。总而言之,如果应用中需要的LED数量越多,那便越应该考虑尝试串并行阵列(series-parallel array)。
a: 串行阵列 b: 串并行阵列
图 1 LED驱动器、串行1、串行2、串行3
串并行驱动只是纸上谈兵?
假设现在有一根需要100个LED的10000流明街灯,如果把这100个LED并排成10行,而每行有10个LED的话,那情况会如何
答案是所得出来的VO会比将100个LED直排成一串所得出的VO低10倍。假设这个例子中的白光LED的典型正激电压VF为3.5V,那么原本是350VDC便下降至只有35VDC,这无疑大大提高了安全程度,但所需付出的代价是多少呢?答案取决于LED驱动系统如何去平衡每行的电流。采用10个LED驱动器来独立控制每一行,这当然是平衡电流的最佳方法,可以让电流达到每个LED驱动器所能允许的容限水平。不过,10个LED驱动器就意味着大量的元件,尤其当这些LED驱动器属于开关稳压器的类型。为了控制系统成本和元件数量,大多数设计人员在驱动一个串并行阵列时,都会如图1b采用能提供较大电流的单一驱动器来驱动 “n” 行的并联灯串。
图 2a: 独立的电流源 图 2b: 一个大电流源
电流平衡
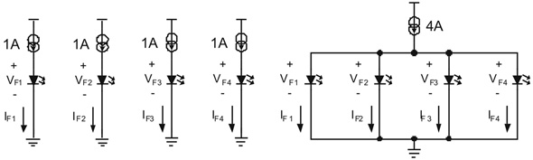
较大的输出电流意味较高的输出功率,换言之LED驱动器的负担便更重。此外,输出功率越大,便越须以开关稳压器来取替线性稳压器。再者,元件的尺寸,尤其是感应器和变压器,它们的体积都会随着所负载的电流增加而增大。即使这样,一个高功率稳压器通常都比10个小功率的经济实用,然而问题在于并联LED在均分电流上的表现一向极糟。动态电阻rD的些微失配都可导致行与行之间的电流严重失衡。正如图1b所示,LED驱动器只能在有电流流经时才可增加VO,除此之外,这样的驱动器电路根本没有方法去保证每条LED灯串的电流均一致。
图2a中的四个LED属于同一型号但不同组别,测试的目标是要量度它们之间的VF差别。在25℃的环境温度下,用相同的实验桌上的直流电源为图中的每一个LED都施以相同的供电,以确保流经的电流均保持一致。实验人员在施加电源后的5秒内记录读数,以尽量减低因LED芯片热力所导致的VF漂移。假如四个LED被排成一直行的话,那么照明系统设计人员应该量度到一样的VF值差。图2b为另一个实验,其中四个相同的LED被并排成四行,并用一个4A的电流源作电源。像先前一样,实验在25℃的环境温度下进行,并且在施加电源5秒内进行记录。
表 1 不同的动态电阻则会提取不同大小的电流
一旦变成并排后,流经每个LED的电压便相等,但它们不同的动态电阻则会提取不同大小的电流。正如表1所见,LED2在1A下具有全组最低的VF和rD。这与LED1的情况恰好相反,它在全组中的VF和rD均达到最高。一个表面上很小的0.42V差别却会为LED2带来超过3倍的电流。
以正激电压来分组
LED是以其光通量、颜色(或色温)及正激电压VF来划分的。大部份LED制造商在一个卷带包装上只提供一个组别的LED。例如,当整条产品线的VF范围是从2.8V到4.2V时,一个典型的VF组别可能只包含有VF从3.27V到3.51V(在 25℃下)的LED。正如表1所见,LED间的VF匹配性越高,当采用串并行阵列时,行与行之间的电流容限便越好。可是,要保证每一个购买回来的LED都属同一个组别是十分困难或者说甚至是不可能的。因为假如LED制造商对每一个客户都作出保证承诺,那么该制造商很快便会发现很多组别的产品都出现过剩和过时。在现实环境中,制造商均倾向销售不同组别的产品,除非接到很大的订单。
表 2 手持式IR探针测试结果
即使LED可以均分电流,把100个LED全都以并排方式放置是不切实际的,情况就好比将100个LED排成一串。为此,我们进行另一个比较切合实际的实验,就是把16个LED以4 X 4 的方式排成一个串并行阵列,然后量度行与行之间的电流匹配性。16个来自同一VF组别的LED被排列完成后,便用一个实验桌上的4A电源来供电。每一行都加入一个串联的高精度5mW电流检测电阻,以便进行个别的电流测量,同时也可把电阻性锁流量减至最小。接着,我们重复实验,但这次所用的16个LED是从四个不同的VF组别随机抽取的。跟先前一样,实验在25℃环境下进行,并且在施加电源后的5秒内进行记录。之后,当阵列经过一个长约半小时的通电后,再用手持式IR探针测量其热稳态。图3所示为实验电路,表2则表示其测量结果。
图3 测试一个串并行阵列
即使VF 匹配仍不足够
表2的结果表明:在25℃下,在串并行阵列中采用相同VF的LED可改善电流的平衡性。在VF不相配的串并行阵列中,最坏的情况下行与行之间的电流差别达820mA,而在VF匹配的串并行阵列中,出现的行与行之间的电流最大差别只有240mA。可是,即使LED间的正激电压匹配得很紧密,其程度也是制造商所能提供的最大极限,仍会在行与行之间出现明显的电流差别,大约是1A目标直流电流的25%。此外,一旦LED芯片开始出现自行加热,在相配阵列中的电流便会与不相配阵列一样,逐渐失去平衡。
热过载
为了对抗潜在的亮度或颜色失衡,照明系统的设计人员可以把不同行的LED混合在一起并采用混合光学技术(blending optics)来补救,但这种方法并不能应付因VF下降而产生的正反馈环路问题,因为VF下降是由LED芯片温度上升所引起的。即使每一个LED均来自同一个VF组别,但在阵列中总有一行灯串的VF是最低的,而这行灯串总能提取比其他行更多的电流。由此,更多的电流会导致更大的功耗,并由于该灯串会比其他灯串更热,以致其VF会进一步下跌。使问题更为复杂的是,当VF随芯片温度的上升而下降时,没有一个VF组别可以与之匹配,以致每个LED都呈现不同的DVF/DT斜率。表2显示出25℃和热稳态之间的电流平衡,只要把两者的数据加以比较便可清楚看到这个现象。在一个采用混合光学技术的大型阵列中,从最热灯串发放出来的光输出量,其差别可能很难凭肉眼察觉,但其寿命和亮度的稳定性则必定会下降。
结论
在LED的正激电压分组方面,每组之间的差别可在1mV以内,这可以大大改善它们在25℃下的电流均分能力,但这也会大幅增加成本。然而,即使LED间的VF非常匹配,但一旦出现过热,每行的电流便会因个别不同的DVF/DT斜率而不能再平均分配。即使刻意为每个LED设置相同的散热措施,一旦触及热稳态,串并行阵列中的电流失配都会使这些措施形同虚设。为解决这个问题,应该在每行灯串上加入一个电流调节器。对于某些应用而言,加入一个锁流电阻器便已足够,但对于某些应用而言,则可能需要加入一个具备线性稳压器的电流井/源,为了达到最大的电源效率和灵活性,最好还是采用开关稳压器。
射频工程师养成培训教程套装,助您快速成为一名优秀射频工程师...

