- 易迪拓培训,专注于微波、射频、天线设计工程师的培养
快速、高效、独立型 NiMH/NiCd 电池充电(06-100)
引言
尽管近期人们普遍关注的焦点是锂离子电池,但不应忘却其它化学电池,例如镍镉 (NiCd) 和镍氢 (NiMH) 电池在可再充电电源系统中拥有自己的优势。基于镍的电池很坚固、能够承受高放电速率、具有上佳的使用寿命、不需要特殊的保护电路、而且也比锂离子电池便宜。在这两种电池中,由于电池容量 (NiMH 电池的容量比 NiCd 电池高 40% ~ 50%) 和环保方面的原因(NiCd 电池含有有毒的镉元素),NiMH 电池正在迅速取代 NiCd 电池。
LTC4010 和 LTC4011 是 NiCd / NiMH 电池充电器,它们简化了镍电池充电器设计,并包含电源控制和充电终止电路,这些电路运用一种同步降压型拓扑结构来实现多达 16 节串联电池的快速充电。LTC4011 在一个 20 引脚 TSSOP 封装中提供了完整的功能组合,而 LTC4010 则采用了 16 引脚 TSSOP 封装。LTC4010 去除了 PowerPathTM控制输出、top-off 充电指示器、DC 功率检测输入,并提供了有限的热敏电阻选项。
NiCd/NiMH 电池充电
电池的尺寸和额定容量多种多样。当指定充电电流时,它常常与电池的容量 (或简单地用 “C” 来表示) 有关。字母“C”是一个用于指示制造商规定的电池放电容量的术语,以 “毫安小时 (mAh)” 为单位来度量。在进行快速充电的场合,该额定容量变得重要起来,这是因为它决定了实现正确充电终止所需的充电电流。
镍电池的常用充电方法有很多种。它们均与充电周期的长度有关,而推荐的充电电流便是由充电周期的长度来决定。缓慢充电 (即低速率充电)连续施加约 14 个小时(由一个定时器来设定)的较低充电电流 (通常为 0.1C)。急速充电向电池施加一个约 0.3C 的恒定电流,而快速充电则输送的是 1C 或更高的恒定电流。急速充电和快速充电周期均要求在电池变至满充电状态时终止充电电流。
在一个快速充电周期中,一个恒定电流被加至电池,同时允许电池电压上升至所需的电平 (在限值范围内) 以强制该电流。随着电池接受电荷,电池电压和温度缓慢攀升。当电池达到满充电状态时,电池电压上升的速度加快并达到一个峰值,然后开始下降 (-DV);与此同时,电池温度开始急剧上升 (DT/Dt)。大多数快速或急速充电终止法均采用上述条件 (一种或全部两种) 来终止充电周期。
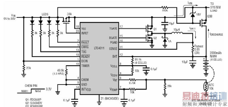
完整的四节 NiMH 电池充电器
图 1 示出了一个采用高效 LTC4011 550kHz 同步降压型转换器的快速、2A 充电器。LTC4011 通过集成镍电池充电所需的全部功能 (包括恒定电流控制电路、充电终止、自动涓流和 top-off 充电、自动再充电、可设置定时器、PowerPath 控制和多状态输出) 而简化了充电器设计。如此之高的集成度减少了组件数目,从而实现了一个占板面积不足 4cm2 的完整充电器。
[p]
初始电池充电资格适宜性判定用于验证是否已经存在适于充电的足够输入电压,而且,在以满幅电流进行充电之前电池电压和电池温度处于一个可接受的范围之内。对于深度放电电池,采用了一种低电流涓流充电,以便在施加满幅充电电流之前把电池电压提升至一个合适的电平。当充电资格适宜性判定结束之后,即开始以设定的满幅恒定电流进行充电操作。
独立充电终止
LTC4010 和 LTC4011 所采用的充电终止方法利用了电池电压和电池温度的变化,旨在可靠地指示达到满充电状态的时间 (作为所选充电电流的一个函数)。为了让电池显示正确充电终止所需的电压和温度模式,充电电流必须足够高 (在0.5C至2C之间)。图2示出了一种显示充电电流、电池温度和每节电池电压的典型快速充电模式。该模式显示充电周期的终止是由温升速率 (DT/Dt) 造成的。
-DV 充电终止算法在满充电电流开始流动之后立刻生效。一个固定的延时用于防止因深度放电电池或最近未充电电池的电压波动所导致的充电误终止。对于接近满充电的电池,-DV 终止序列立即开始,以防止发生过度充电。
在充电周期中,-DV 和 DT/Δt 终止法均有效。对于 NiMH 电池,-DV终止要求单节电池电压从峰值电压下降 10mV,或者温升速率 (DT/Dt) 每分钟高于 1℃。测量每 30 秒进行一次,而且要在 4 次测量结果一致的情况下才终止充电。一般来说,DT/Dt 终止会在充电周期的早期出现。如果发生这种情况,则 LTC4010/4011 将增加一种充电电流有所减小的 top-off 充电操作 (持续 1/3设定时间)。Top-off 充电只在给 NiMH 电池充电时采用。
在充电周期结束之后,充电器将继续监视电池电压。如果该电压由于电池上加有一个外部负载或自放电的缘故而降至一个固定门限电平以下,则开始一个新的充电周期,并立即启用充电终止算法。
结语
LTC4010 和 LTC4011 为实现 NiCd 和 NiMH 电池的可靠、坚固和安全快速的充电提供了完整的独立型解决方案。正确的充电操作不仅对于最大电池容量的获得至关重要,而且,对于避免出现高温、过度充电以及其它会对电池使用寿命产生不利影响的条件来说也是必不可少的。
射频工程师养成培训教程套装,助您快速成为一名优秀射频工程师...
天线设计工程师培训课程套装,资深专家授课,让天线设计不再难...
上一篇:从一个小占板面积稳压器提供4个电压轨(07-100)
下一篇:一款效率高达80%且功率损耗不足1W的3A、1.2VOUT
线性稳压器(07-100)

