- 易迪拓培训,专注于微波、射频、天线设计工程师的培养
三电平直流变换器软开关技术的研究
摘要:分析和比较了三电平直流变换器各种软开关拓扑的工作原理和主要特点,并讨论了其研究应用现状和发展前景,对三电平直流变换器软开关技术的研究方向提出了建议。
关键词:软开关;三电平;直流变换器;拓扑结构
1引言
近年来,随着电力电子技术的发展,对直流变换装置的要求越来越高,尤其是在高压大功率应用场合。为了减小高压大功率变换器开关器件的电压应力,提出了三电平直流变换器的方案,该方法可使开关管的电压应力是输入直流电压的一半。
为了提高三电平直流变换器的动态性能和静态性能,同时减小输出滤波器的体积、重量和造价,则希望三电平直流变换器的工作频率越高越好。但是,由于功率开关器件的非理想特性,通常功率开关器件是在电压不为零的情况下开通,在电流不为零的情况下关断,这种开关过程称为硬开关过程。在硬开关状态下工作的功率变换器,随着开关频率的上升,一方面开关器件的开关损耗会成正比地增大,使电路的效率大大降低,处理功率的能力大幅度减小;另一方面,过高的dv/dt和di/dt会产生越来越严重的电磁干扰(EMI)。为克服三电平直流变换器在硬开关状态下工作的诸多问题,提出了各种各样的软开关技术,以达到在提高功率变换器开关频率的同时,降低开关损耗和减少由开关引起的EMI[1]。
2三电平直流变换器[2]
随着电力电子技术的发展,对电能变换装置的要求越来越高,特别是对输入功率因数的要求越来越高。三相功率因数校正变换器输出电压一般为DC760~800V,有时甚至达到1000V,这就要求提高后级直流变换器开关管的电压定额,使得很难选择合适的开关管。为了克服这个问题,Barbi教授提出了三电平直流变换器(Three-levelConverters)的概念,在该变换器中,开关管的电压应力是输入直流电压的一半。
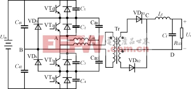
三电平直流变换器的基本电路如图1所示。电

图1基本的三电平直流变换器

图2零电压开关三电平直流变换器
容Cd1和Cd2容量相等,并且很大,它们的电压均为输入直流电压的一半,即Ud1=Ud2=Uin/2。VD5和VD6为钳位二极管,通过控制四只开关管VT1~VT4,在A、B两点得到了一个幅值为Uin/2的交流方波电压uAB。经过高频变压器和输出整流桥后,在C、D两点得到幅值为Uin/2N的直流脉冲电压,再经过输出滤波后得到输出直流电压U0。N是变压器的原副边匝数比。通过调节uCD的占空比,就可以调节输出电压U0。
3三电平直流变换器的软开关技术 如前所述,为了提高开关频率,必须实现开关管的软开关。目前相关文献已提出了几种软开关三电平直流变换器,大体上可分为两类:零电压开关(ZeroVoltageSwitching)三电平直流变换器[3]和零电压/零电流开关(ZeroVoltageandZeroCurrentSwitching)三电平直流变换器[5]。
3.1零电压开关三电平直流变换器
零电压开关三电平直流变换器[3]是在基本直流变换器的基础上,外加了变换电感和电容。如图2所示,C1、C2、C3、C4是开关管的结电容,L1k是变换电感,由外部电感和变压器的漏感组成。零电压开关三电平直流变换器利用结电容C1、C2、C3、C4实现各开关管的零电压关断;通过储存在变换电感L1k中的能量对结电容进行充放电,使相应的结电容两端电压达到零,借此来实现开关管的零电压开通。
该电路的优点是:
1)电路拓扑结构简单;
2)负载波动不大时,基本上实现了零电压开关;
3)开关管的电压应力是输入直流电压的一半。[p]
该电路的缺点是:
1)虽然开关管VT1和VT4利用折算到变压器原边的输出滤波电感(其数值很大)和变换电感很容易实现零电压开关,但是VT2和VT3只能利用变换电感来实现零电压开关,由于变换电感一般较小,在负载较小时,其能量不足以实现零电压开关; 2)在零状态时,一次侧不向负载提供能量,但一次侧有环流存在,在开关管和变压器的原边绕组中将产生通态损耗,影响了功率变换器的效率。
3.2宽负载范围零电压开关三电平直流变换器
为了克服图2所示电路中当负载较轻时,变换电感L1k中的能量不足以实现内部开关管的零电压开关的问题,文献[4]提出了宽负载范围零电压开关三电平直流变换器,电路图如图3所示。电路中增加了由电容Ca1、Ca2和电感Lak组成的辅助变换电路。该电路通过开关管的结电容实现开关管的零电压关断。当负载较轻时,储存在变换电感L1k中的能量较少,不足以实现内部开关管的软开通,该电路通过辅助变换电路,利用辅助变换电感Lak中的能量帮助变换电感L1k对结电容进行充放电,使VT2和VT3两端电压达到零,借此来实现内部开关管的零电压开通。
该电路的优点是:
1)克服了内侧开关管在负载较轻时,不能实现软开通的缺点,在相当宽的负载范围内,均可实现开关管的零电压开关;
2)开关管的电压应力是输入直流电压的一半。
该电路的缺点是:
1)在零状态时,一次侧环流仍然存在,影响了功率变换器的效率;
2)辅助变换电路的增加,尤其是辅助变换电感Lak的增加,导致了环流能量的增加,因此造成了通态损耗的增加,降低了功率变换器的效率。
3.3零电压零电流开关三电平直流变换器
为了消除零电压开关三电平直流变换器零状态时变压器原边存在的环流,美国的F.Canales提出了

图3宽负载范围零电压开关三电平直流变换器
()
控制技术

图4零电压零电流开关三电平直流变换器(1)

图5零电压零电流开关三电平直流变换器(2) [p]

图6零电压零电流开关三电平直流变换器(3)
零电压零电流开关三电平直流变换器[5],实现了开关管VT1、VT4的零电压开关和开关管VT2、VT3的零电流开关,并消除了零电压开关三电平直流变换器零状态时变压器原边存在的环流,减少了通态损耗,提高了功率变换器的效率。
电路图如图4所示。这个电路和零电压开关三电平直流变换器的主要差别在于:增加了联结电容Css以及在变压器二次绕组中增加了辅助开关SAUX和钳位电容CAUX,联结电容Css分别将外侧管VT1、VT4和内侧管VT2、VT3的开关过程连接起来,在变换器稳态工作时,电容Css的电压恒为Uin/2。辅助开关SAUX和钳位电容CAUX使变压器一次侧电流复位为零,以实现内侧开关管的零电流开关。外侧开关管VT1和VT4利用结电容C1和C4实现了零电压关断;利用漏感和输出电感中的能量对结电容C1和C4进行充放电,使VT1和VT4两端电压达到零,借此实现外侧开关管的零电压开通。当变换器处于零状态时,辅助开关SAUX接通,钳位电容CAUX两端的电压反映到变压器的一次绕组并加在漏感L1k的两端,变压器一次侧的电流以斜率NUAUX/L1k线性下降到零,借此来实现内侧开关管的零电流开关;同时由于一次侧电流为零,不能提供负载电流,此时负载的能量由钳位电容CAUX来提供。
该电路的优点是:
1)在很宽的负载范围内,实现了外侧开关管的零电压开关和内侧开关管的零电流开关,且不受负载范围和输入电压的影响;
2)消除了零状态时变压器一次侧存在的环流,减少了通态损耗,提高了功率变换器的效率;
3)开关管的电压应力是输入直流电压的一半。
该电路的缺点是:增加了辅助开关,电路较复杂。
目前,文献[6]提出了另外一种零电压零电流开关三电平直流变换器,电路图如图5所示。它采用了阻断电容Cb作为阻断电压源,使变压器一次侧电流在零状态时减小到零,从而实现内侧开关管的零电流开关。零状态时,由于一次侧电流减小,不足以提供负载电流,此时输出整流管VDR1和VDR2同时导通,使变压器一、二次侧电压均为零,因此阻断电容Cb的电压全部加在饱和电感和漏感两端,使一次侧电流很快减小到零。利用结电容C1和C4实现了外侧开关管的零电压关断;利用漏感和输出电感中的能量对结电容C1和C4进行充放电,使VT1和VT4两端电压达到零,借此实现外侧开关管的零电压开通。
为了防止一次侧电流在零状态时减小到零后继续反方向流动,必须切断一次侧电流的反向通路,在变压器一次电路中,串入一个饱和电感Ls,在零状态时,饱和电感工作在线性状态,防止一次电流反向流动。在+1状态和-1状态时,饱和电感工作在饱和状态。
该电路有两个缺点:
1)饱和电感损耗较大,限制了开关频率的提高;
2)饱和电感较难设计,容易导致较大的占空比
丢失。
文献[7]提出了另外一种零电压零电流开关三电平直流变换器,电路图如图6所示。为了防止变压器一次侧电流在零状态时减小到零后继续反方向流动,在VT2和VT3中分别串入二极管VD2和VD3,消除了
三电平直流变换器软开关技术的研究
加入饱和电感后带来的负作用。
4结语
由以上的分析可以看出,零电压开关三电平直流变换器在负载较小时不足以实现内侧开关管的零电压开关,而且在零状态时,变压器一次侧存在环流,降低了变换器的效率;宽负载范围零电压开关三电平直流变换器虽然克服了内侧开关管在负载较轻时不能实现软开通的缺点,但是在零状态时,变压器一次侧环流仍然存在。零电压零电流开关三电平直流变换器在很宽的负载范围内,不仅实现了所有开关管的零电流开关,使之不受负载范围和输入电压的影响,而且消除了零状态时变压器一次侧存在的环流,提高了变换器的效率。因此,可以预言在三电平直流变换器软开关技术中,零电压零电流开关三电平直流变换器将成为研究热点,并将应用于工程实践中。 参考文献
射频工程师养成培训教程套装,助您快速成为一名优秀射频工程师...
天线设计工程师培训课程套装,资深专家授课,让天线设计不再难...
上一篇:UPS逆变器的重复控制器参数的仿真分析
下一篇:开关电源监控系统的设计

