- 易迪拓培训,专注于微波、射频、天线设计工程师的培养
一种新型带无损缓冲双管串联单正激电路
摘要:详细介绍了电路的整个工作过程。给出了重要的定量关系式,为具体设计提供了依据。另外还讨论了实际应用中遇到的主要问题和注意事项。
关键词:正激变换器;无损缓冲;谐振
1 引言
双管串联单正激电路在高频大功率变换器中是一种常用的主功率电路,该电路的优点是主功率管耐压低,成本低。缺点是主变(高频变压器)磁芯的磁化方向为单向的,比起桥式电路差一半。该电路一般应用在频率较高的场合,如果电路中不加无损缓冲电路,那么主功率管的开关损耗将因频率的升高而大幅增加,因而大大降低了整机的效率。本文将讨论一种实用的带无损缓冲双管串联单正激电路的工作过程。
2 工作原理
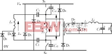
电路如图1所示。缓冲网络由6个二极管D1,D2,D3,D4,D5和D6,一个缓冲电感 L S和两个缓冲电容 C 1, C 2组成,其中 C 1= C 2= C 0。由于缓冲网络中不存在电阻,因此该网络是无损的。图2给出了带无损缓冲电路的正激变换器的主要工作波形, C S1, C S2是开关管S1,S2的结电容,该变压器原副边匝比为 n = N 1/ N 2。

图 1 主 电 路

图 2 主 要 波 形
在一个开关周期 T s中,该变换器有7种工作状态。在分析之前,作如下假设:所有开关管、二极管均为理想器件;滤波电感 L f足够大,在一个
开关周期中,其中的电流基本保持不变,这样 L f和 C f以及负载电阻可以看成一个电流为 I o的恒流源。
1)状态1[
t
0-
t
1] 在
t
0时刻之前,开关管S1,S2上的电压为
V
in/2,缓冲电容
C
1,
C
2上的电压为0V,缓冲电感
L
s中的电流为零。在
t
0时刻,开通S1,S2,其结电容上的能量
C
s
全部消耗在S1,S2内部,因此,S1,S2为硬开通,存在开通损耗,这种损耗是不可避免的。
S1,S2开通后,变压器的原边电压为输入电压 V in,负载电流 I o流经整流二极管D7。变压器初级励磁电流 i M,从 I M-开始线性上升,即
i
M(
t
)=
I
M-+
(
t
-
t
0)
式中: L M为变压器原边励磁电感;
I M-为负向最大励磁电流。 [p]
变压器原边电流 i p为折算到原边的负载电流和励磁电流之和,即
i
p=
+
i
M(
t
)
在这段时间里, V in经过S1, C 1, L s,D6, C 2与S2形成回路并谐振工作。缓冲电感 L s中的电流与缓冲电容 C 1, C 2上的电压分别为
i
LS(
t
)=
sinω(
t
-
t
0)
v
c1=
v
c2=
v
c(
t
)=
[1-cosω(
t
-
t
0)]
式中:ω=
。
T
r=2π
是缓冲电感与缓冲电容的谐振周期。经过
T
r/2,达到
t
1时刻,缓冲电感中的电流为零,缓冲电容
C
1,
C
2上的电压上升为
V
in,此后
L
s中的电流反向,缓冲二极管D6自然关断。
在实际应用中,由于缓冲电感中的杂散电容的存在,使得缓冲电感内部电流、电压谐振转换过程继续进行,但由于D5存在,缓冲电感中的残余能量将由D5, C 1,Q1, V in迅速放掉。
状态1的持续时间为
t 0-1= t 1- t 0= T r/2
在这段时间里,缓冲电感中的最大电流为
I
max=
,S1,S2流过的电流为折算到原边的负载电流、励磁电流和缓冲电感电流之和,如果忽略励磁电流,那么S1,S2的最大电流为
I Qmax= I O/ n + I max
2)状态2[ t 1- t 2] 在此状态中,除了缓冲网络停止工作以外,其他的工作情况与状态1完全一样。 t 2时刻,S1,S2关断。此时,励磁电流为
i
M(
t
2)=
I
(M-)+
(
t
2-
t
0)
式中: t 2- t 0是S1,S2在一个开关周期内的导通时间 t on。
3)状态3[ t 2- t 3] 在 t 2时刻,S1,S2关断, v s1, v s2由零开始逐渐上升,主变初级电压由 V in开始相应下降,整流管D7仍然导通。由前面的分析知 C 1, C 2上充有数值约为 V in的电压。当 v s2上升时, C 2上的电压通过D3向 V in放电,放电的结果使得 v s2的上升速度减慢,因而使S2关断过程的损耗下降,起到了缓冲的作用;同理,对于S1而言,当 v s1上升时, C 1上的电压通过D2向 V in放电,使S1管的开关损耗下降。
定量分析可以证明:S2的管压降从零开始上升时,除了 C s2结电容对S2有缓冲作用外, C 2对S2的缓冲作用的结果相当于在 C s2上并联一个 C 2电容所产生的缓冲效果,所不同的是如果直接在 C s2上并联 C 2,则在S2开通时, C 2上的能量将全部消耗在S2上,而本缓冲电路则为完全无损。定量分析如下。
如图3(a),设在 t =0时,S2由开通变成关断, v s2=0, v cs1=0,主变初级电流变化规律为 i ( t ),
则
v
cs1=
(1) [p]
而对于图3(b),设在 t =0时, v s2=0, v cs1=0, v c2= E c,流向 C s1的电流为 i 1( t ),则流向 C 2的电流为 i ( t )- i 1( t ),根据 C 2的放电情况, C 2上的电压为
v
c2=
=
E
c-
〔
i
(
t
)-
i
1(
t
)〕d
t
(2)
C s1上的电压为
v
cs1=
(3)
从图3(b)中可以看出, V cs1= E c- V c2
(a)S2关断瞬间 (b) C 2放电
图3 定量分量辅助电路图
结合式(2)可得
v
cs1=
E
c-
v
c2=
〔
i
(
t
)-
i
1(
t
)〕d
t
(4)
由式(3)及式(4)可得
v
cs1=
由此可以看出 C 2的缓冲作用,等价于在 C s1上并联了一只 C 2电容, C 2越大,缓冲效果越好。
在图2中, t 2- t 3时段主变原边电流为折算至原边的负载电流 I 0/ n 和励磁电流 i M之和,忽略 i M,则有 v s2( t )= I 0( t - t 2)/ n ( C s1+ C s2)。
4)状态4[ t 3- t 4] 在 t 3时刻, v s1上升到超过 V in/2,同理可以分析出 v s1也上升到超过 V in/2;此时主变初级电压开始变为下正上负的极性,D7承受反压截止,D8导通续流。主变初级电流只剩下励磁电流 i M( t )。
随着 i M( t )继续对 C s2充电。加在变压器原边绕组的电压反向逐渐增加。 C s2电压继续上升,直到 t 4时刻, v cs2= V in,同时 v cs1= V in, v c1= v c2=0。
5)状态5[ t 4- t 5] 在 t 4时刻,箝位二极管D1,D4导通,将主变初级电压箝位在 V in水平,加在原边绕组的电压为- V in,由于励磁电流的存在,原边绕组的能量通过D1,D4释放到电源 V in,此时,励磁电流的减少量为
Δ
i
M=
(
t
-
t
4) [p]
6)状态6[ t 5- t 6] 在 t 5时刻,励磁电流为零,D1,D4关断, v c1= v c2=0。结电容 C s1, C s2上的电压通过主变初级电感开始放电,励磁电流从零开始反方向增加,当结电容电压下降到 V in/2时,开关状态6结束。它的持续时间为
t
5-6=
t
6-
t
5=
T
M/4
T
M=2π
此时励磁电流达到负向最大值为 I M-。
7)状态7[ t 6- t 7] 在此状态下,结电容电压 v cs1, v cs2有继续下降的趋势,那么原边绕组电压将会为正,同样副边绕组电压也变成正,使整流二极管D7导通,由于原边电流很小,不足以提供负载电流,因此续流二极管D8继续导通。在这段时间里,D7和D8同时导通,将副边绕组箝位在零位,因此原边绕组电压也为零。
在 t 7时刻,开通S1,S2,开始下一个开关周期。
由图2波形可以看出,当S1,S2开通时,
E
c通过S1,
C
1,
L
s,D6,
C
2,S2形成谐振回路,使
C
1,
C
2充电为
V
in,这一过程的持续时间为谐振半周期
,它必须小于S1,S2的最大开通时间并留有足够的余量。流过
L
s的最大谐振电流
I
p=
,这个电流将流经S1,S2,如果
L
s选得过小或
C
0选得过大,则过大的
I
p将会造成主功率管的附加损耗增大。所以在选取
L
s,
C
0过程中,要求转换时间
,比主功率管的最大开通时间小,以及对主功率管的电流附加值
不大,在这一原则下,选取最大的
C
0和最小的
L
s,以获得最佳的缓冲效果和最低的成本。
3 结语
上述电源电路是一种实用的高效率变换电路,要使它正常工作必须考虑以下因素:
1)主电路开关周期特别是主功率管的最大开通时间必须远大于缓冲电路转换时间;
2)缓冲电感必须足够大,使流过其中的峰值电流远小于开关管工作电流,以减轻开关管的附加损耗;
3)适当选取缓冲电容容量,综合平衡缓冲电路转换时间,缓冲电感中的峰值电流以及缓冲效果之间的矛盾关系。
射频工程师养成培训教程套装,助您快速成为一名优秀射频工程师...

