- 易迪拓培训,专注于微波、射频、天线设计工程师的培养
多电平逆变器有源软开关技术的研究
摘要:分析和比较了多电平逆变器各种有源软开关拓扑的工作原理和主要特点,提出了各种有源软开关拓扑的优缺点,对多电平逆变器软开关技术的研究方向提出了建议。
关键词:有源软开关;多电平逆变器;拓扑结构
1引言
多电平变换技术由于具有诸如减少了器件的电压应力,勿须器件串联而无均压问题,减少了输出电压的谐波含量,减少了由于dv/dt和di/dt所造成的电磁干扰等优点,因此受到了更多关注,它的出现为高压大功率变换器的研制开辟了一条新思路。经过多年的研究和发展,多电平变换器主要有三种拓扑结构:
1)二极管箝位式(DiodeClamped);
2)电容箝位式(FlyingCapacitors);
3)具有独立直流电源的级联式逆变器
(CascadedInverterswithSeparatedDCSources)[1][2]。
多电平变换技术已经成为电力电子领域中高压大功率变换方面最活跃的分支[3]。多电平变换器主要应用在高压大功率场合,其开关器件所承受的电压应力和电流应力都比较大,因此,随着开关频率的上升,多电平变换器由于硬开关造成的开关损耗相当可观,使电路的效率大大降低,处理功率的能力大幅度下降;同时,多电平变换器由于工作在硬开关状态下造成的过高的dv/dt和di/dt将会产生更为严重的电磁干扰。为了解决多电平变换器高频化和由硬开关所引起的诸多问题,近年来,把有源软开关技术应用到多电平变换器的文献屡有报道,并取得了较好的效果。本文将对见诸于文献的多电平变换器的各种有源软开关技术进行分析和比较,并指出各自的优缺点以及应用前景。
2二极管箝位型多电平逆变器的有源软开
关技术
经过研究者们多年的努力,已提出了二电平逆变器的的多种有源软开关拓扑,主要集中在直流环节谐振型逆变器和极谐振型逆变器。到目前为止,有关多电平逆变器的有源软开关技术的研究也主要是把直流环节谐振型逆变器和极谐振型逆变器两种软开关拓扑拓展到多电平电路中。
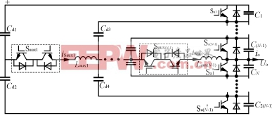
2.1模块化箝位型直流环节三电平软开关逆变器[4][5]
模块化箝位型直流环节三电平软开关逆变器的结构如图1所示。Cr1和Cr2是谐振电容,Lr1和Lr2是
()

图1模块化箝位型直流环节三电平软开关逆变器

图2模块化箝位型直流环节三电平软开关变换
模块的控制逻辑框图
谐振电感。谐振电容、谐振电感和辅助开关组成了直流环节的软开关变换模块。Cr1=Cr2、Lr1=Lr2,所以两个准谐振槽路在直流环节上组成了一个镜像对称的模块,如图中虚线部分所示。
在开关切换期间,箝位开关S1′和S2′处于关断状态,把逆变器的母线电压从直流环节中释放出来,以使P点和M点的电压通过谐振降到零,为软开关的实现提供条件。此时,三电平逆变器的主开关器件在零电压条件下可实现软开关操作。当开关完成切换后,通过开通箝位开关S1′和S2′,结束谐振过程,把直流环节的电压加到母线的正极和负极之间。因为上部谐振槽路和下部谐振槽路是镜像对称的,所以它们的工作原理是相同的。但是,在实际的系统中,上部谐振槽路的变换电流Io1和下部谐振槽路变换电流Io2由于中点电流IN的作用而可能不相等,所以逆变器的正极母线电压和负极母线电压谐振到中点电压所需要的时间可能不相等,这样会影响零电压的开关条件。为了保证实现零电压的条件,需要用同步逻辑来同步上部谐振槽路和下部谐振槽路。为了以适当的次序触发上部谐振槽路和下部谐振槽路的谐振,定义触发上部谐振槽路和触发下部谐振槽路之间的延迟时间为td,它正比于中点电流IN,td==。中点电流的方向决定哪个谐振槽路的谐振过程被延迟触发,如图1所示,如果中点电流是正极性,即IN>0,上部谐振槽路的谐振过程被延迟td后再触发,否则,下部谐振槽路的谐振过程将被延迟td后触发。
图2是谐振槽路的简化控制逻辑框图,软开关变换模块从逆变器的控制器接受PWM模式。当PWM模式有变化时,检测电路将产生一个信号来触发零电压变换过程。同步电路用来保证上部谐振槽路和下部谐振槽路同时达到零电压。一旦零电压条件建立了,主开关则可以在零电压下开关,PWM重新安排模块紧接着发出新的PWM模式到门极电路。
该电路的优点是:
1)模块化设计。辅助变换电路中所用的元器件较少。
2)主开关器件所承受的电压和电流应力和硬开关逆变器所承受的电压和电流应力相等。
3)逆变器的主开关器件和辅助电路的箝位开关是零电压开通;辅助电路中的辅助开关是零电流关断。 该电路的缺点是:
由于中点电流的影响,逆变器的正极母线电压和负极母线电压谐振到中点电压所需要的时间可能不相等,需要外加控制逻辑来使两者同步,增加了电路的复杂性,降低了电路的可靠性。
2.2二极管箝位型多电平逆变器的辅助谐振变换
极软开关拓扑
在高压大功率应用场合,提出了各种各样的软开关拓扑,其中,辅助谐振变换极电路(auxiliaryresonantcommutatedpoleinverter)是较为成功的一种。近年来的文献表明把辅助谐振变换极的拓扑扩展到二极管箝位多电平逆变器中去,理论上是可行的,图3、图4概括了已经提出的三电平逆变器的辅助谐振变换极软开关拓扑[6][7][8][9][10]。
文献[8]提出了图3所示的电路,该电路的辅助谐振变换电路由辅助开关Saux1和Saux2、谐振电感Laux、关断吸收电容C1、C2和C3组成。辅助开关Saux1帮助主开关Sa1和Sa1′在软开关条件下完成变换,辅助开关Saux2帮助主开关Sa2和Sa2′在软开关条件下完成变换。C1作为开关Sa1的关断吸收电容,C2作为开关Sa2′的关断吸收电容,C3作为内部开关管Sa2和Sa1′和箝位二极管Da和Da′的关断吸收电容。
该电路的优点是:
1)所需附加元器件的数量最少;
2)可实现主开关管的零电压开关和辅助开关管的零电流开关。
该电路的缺点是:
多电平逆变器有源软开关技术的研究 [p]

图4辅助谐振变换极三电平逆变器[9]

图3辅助谐振变换极三电平逆变器[8]

图5辅助谐振变换极三电平逆变器[10]
1)辅助开关所承受的阻断电压是0.75Udc,阻断电压的数值较高。
2)流过吸收电容C3的电流有效值是流过吸收电容C1和C2的电流有效值的1.4倍。
3)内部开关管Sa2和Sa1′和箝位二极管Da和Da′在关断时,其能量是间接地被电容C3吸收,这样会造成较大的杂散电感,将导致软变换期间的寄生震荡。 为了克服图3电路存在的缺点,文献[9]和文献[10]分别提出了图4和图5所示的电路。
图4所示电路的辅助谐振变换电路由辅助开关Saux1和Saux2、谐振电感Laux1和Laux2、关断吸收电容C1、C2、C3、C4组成。当开关管Sa2导通和Sa2′关断时,辅助开关Saux1帮助主开关Sa1和Sa1′在软开关条件下完成变换,使输出电压交替连接到正极母线和中点;当开关管Sa1导通和Sa1′关断时,辅助开关Saux2帮助主开关Sa2和Sa2′在软开关条件下完成变换,使输出电压交替连接到负极母线和中点。C1作为开关管Sa1的关断吸收电容,C2作为开关管Sa2和箝位二极管Da的关断吸收电容,C3作为开关管Sa1′和箝位二极管Da′的关断吸收电容,C4作为开关管Sa2′的关断吸收电容。
该电路的优点是:
1)辅助开关所承受的阻断电压减小到0.5Udc。
2)可实现主开关管的零电压开关和辅助开关管的零电流开关。
3)箝位二极管关断时的能量直接被吸收电容所吸收,减少了杂散电感,也减少了关断时因二极管的反向恢复特性造成的损耗。
该电路的缺点是:
1)用了两个谐振电感,电路的元器件数量较多。
2)对于软开关变换来说,当一个开关周期内的平均输出电压和平均输出电流的乘积(即平均输出功率)大于零时,吸收元器件的布置是最优的,因为此时,变换出现在被直接吸收的器件Sa1和Da之间以及Sa2′和Da′之间;当一个开关周期内的平均输出功率小于零时,变换出现在被间接吸收的内部开关管Sa2或Sa1′上,此时会造成较大的杂散电感,将导致软变换期间的寄生震荡。
为了克服图4所示电路的缺点,使吸收元器件的布置是最优的,文献[10]提出了图5所示的软开关拓扑。该电路的辅助谐振变换电路由辅助开关Saux1和Saux2、谐振电感Laux1和Laux2、Sa与Da、Da′与Sa′所组成的有源箝位开关及关断吸收电容C1、C2、C3、C4组成。但是该电路中吸收电容的布置与图4所示电路中吸收电容的布置不同,每个主开关器件都并联有一个直接吸收电容。这样的结构使杂散电感减少到最小,并减少了由于平均输出功率小于零的变换所带来的损耗。然而,该电路需要有源箝位开关来控制在软开关变换时吸收电容的充电过程。有源箝位开关的积极作用是在低速和高转矩操作时,提高静态电压的平衡和开关器件之间的损耗平衡。
该电路的优点是:
1)使杂散电感减少到最小,大大减小了发生寄生震荡的几率。
2)可实现主开关管的零电压开关和辅助开关管的零电流开关。
3)在低速和高转矩操作时,提高了静态电压的平衡和开关器件之间的损耗平衡。 该电路的缺点是:增加了两个有源箝位开关管,采用了两个谐振电感,使电路中元器件的数量增多,增加了电路的复杂性,降低了电路的可靠性。
在实际应用当中,上述三种电路还存在着以下问题:
1)中点稳定性问题。由于三电平辅助谐振变换极软开关拓扑的直流环节有四个电容,这样就存在两个中点(1和2)。ARCP变换期间,两个中点的充电平衡由辅助电流iaux1和iaux2的方向、大小和持续时间来
()

图6电容箝位型三电平逆变器的辅助谐振变换极软开关拓扑

图7电容箝位型三电平逆变器的辅助谐振变换极软开关拓扑 [p]
决定。只有当输出电流和输出电压之间的相移在±90°附近时,即负载是纯无功负载时,对于辅助电流iaux1和iaux2来说,它们分别流入中点1和中点2的电流的安秒值在一个输出周期内才相等。在其它情况下,中点将会产生偏移。因此在二极管箝位型三电平辅助谐振变换极逆变器中,由于存在两个相互独立的中点,充电平衡所带来的中点稳定的问题是不可避免的。
2)辅助开关的反并二极管关断时由于其反向恢复特性在辅助开关两端将造成过电压,虽然各种各样的减少过电压的方案被提出,但是都大大增加了电路的复杂性。 表1概括和比较了上面三种三电平辅助谐振变换极软开关拓扑的元器件参数特性。
表1三种电路拓扑元器件参数的比较比较参数图3图4图5
辅助开关数量121212
阻断电压0.75Udc0.5Udc0.5Udc
峰值电流相对值100%100%100%
箝位开关箝位二极管/箝位开关6/06/06/6
阻断电压0.5Udc0.5Udc0.5Udc
吸收电容数量91212
电压应力0.5Udc0.5Udc0.5Udc
RMS电流相对值6×100%3×141%12×100%12×100%
谐振电感数量366
RMS电流相对值100%70.7%70.7%
2.3二极管箝位型N电平辅助谐振变换极软开关
拓扑的讨论
文献[6][10]把二极管箝位型三电平辅助谐振变换极软开关拓扑的概念扩展到N电平逆变器。显然,N电平辅助谐振变换极软开关拓扑仍然存在中点稳定的问题;而且,附加元器件的数量也大为增加;系统的可靠性,控制的复杂性也阻碍了把N电平辅助谐振变换极软开关拓扑应用到工业中去。需要强调的是,N电平辅助谐振变换极软开关拓扑中点稳定性问题不是由于元器件参数的波动或寄生参数的影响而造成的,而是因为电路拓扑本身的缺点而造成的。不难得出,N电平辅助谐振变换极软开关的中点稳定性问题和拓扑的复杂性使该电路拓扑应用到实际的工业系统中去的可能性很小。
3电容箝位型多电平逆变器的有源软开关技术
迄今为止,有关电容箝位型多电平逆变器的有源软开关技术的研究非常有限。文献[7]和文献[11]把辅助谐振变换极软开关的概念引入到电容箝位型多电平逆变器当中。
3.1电容箝位型三电平逆变器的辅助谐振变换极软
开关拓扑
文献[11]提出的电容箝位型三电平逆变器的辅助谐振变换极软开关拓扑如图6所示。
该电路的辅助开关接在直流母线的正极和负极之间,谐振电感Laux和电容C1、C2、C3、C4组成谐振路径。该电路有个致命的弱点,即辅助开关所承受的阻断电压等于Udc,这就使该电路失去了实际应用的意义。
文献[7]提出了另外一种电容箝位型三电平逆变器的辅助谐振变换极软开关拓扑如图7所示。一个辅助开关连接在输出端(经Laux2)和箝位电容的中点,另外一个辅助开关连接在箝位电容的中点(经Laux1)和直流环节的中点。该电路的辅助开关所承受的阻断电压仅为Udc/4。和二极管箝位型三电平逆变器的辅助谐振变换极软开关拓扑相比,此电路的两个中点(1和2)的电压是稳定的。箝位电容的中点由辅助电流来决定,每隔一个开关周期辅助电流交替改变方向,并不受功率因数的影响。该电路采用了硬开关电容箝位型三电平逆变器中为稳定箝位电容电压所采用的方法,即交替利用三电平变换器的两个可能的零状态,使箝位电容的中点电压趋于稳定。此外,输出电流每隔180°,辅助电流iaux1和iaux2的方向改变一次,用来平衡由于调制策略和功率因数造成的输出电流的不对称。由于在三相系统中,输出电流是三相对称的,因此直流环节中点可以按照传统的两电平辅助谐振变换极电压源型逆变器的中点稳定的方式来趋于稳定。
但是,该电路存在以下缺点:
多电平逆变器有源软开关技术的研究

图8电容箝位型N电平逆变器的辅助谐振变换极软开关拓扑
1)和二极管箝位型三电平逆变器的辅助谐振变换极软开关拓扑一样,辅助开关的反并二极管关断时由于其反向恢复特性在辅助开关两端将造成过电压。 2)对寄生电感参数很灵敏,处理不好,会引起寄生震荡。
3.2电容箝位型N电平辅助谐振变换极软开关拓
扑的讨论
文献[7]把电容箝位型三电平逆变器的辅助谐振变换极软开关拓扑拓展到了电容箝位型N电平逆变器中,如图8所示。所有辅助开关的阻断电压都相等,都等于Udc/〔2(N-1)〕。表2是N电平辅助谐振变换极软开关的主要特性。
表2电容箝位型N电平逆变器的辅助谐振
变换极软开关的主要特性主开关辅助开关
数量3×2(N-1)3×(N-1)
阻断电压Udc/(N-1)Udc/〔2×(N-1)〕
软开关类型零电压开关零电流开关
电容箝位型N电平逆变器的辅助谐振变换极软开关拓扑目前只是在理论上作了一些探讨,中点平衡问题需要作进一步的研究,应用到实际当中,还有很多工作要做。
4结语
所谓多电平逆变器的有源软开关技术,是在多电平逆变器原有的主电路结构中,附加一些辅助的有源开关器件和电感,电容,通过适当的检测和时序控制,软化功率器件的开关过程,实现软开关的功能。目前,关于多电平逆变器软开关技术的研究,多集中在有源软开关方面,得到了一些多电平逆变器有源软开关电路拓扑。从以上的分析,可以看出这些电路拓扑的换流过程相对简单;但是所有的多电平有源软开关拓扑,全都加上了有源辅助开关及相应的检测和控制电路,由于多电平变换器自身拓扑结构和控制已经相当复杂,再加上有源辅助开关及相应的检测和控制电路,使系统的复杂性增加,从而降低了系统的可靠性。因此,在可靠性要求较高的场合,多电平逆变器有源软开关技术的应用还有一定的困难,还有很多工作要做。 与有源软开关技术相比,无源软开关技术不需要有源辅助开关及相应的检测和控制电路,所以在电路的复杂性和可靠性方面具有很大的优势,目前,有关多电平逆变器的无源软开关技术的研究很少,因此,把无源软开关技术应用到多电平逆变器中,是多电平逆变器软开关技术领域的一个值得关注的方向。
射频工程师养成培训教程套装,助您快速成为一名优秀射频工程师...
天线设计工程师培训课程套装,资深专家授课,让天线设计不再难...
上一篇:PCB设计原则和抗干扰措施
下一篇:简易可行的保护电源

