- 易迪拓培训,专注于微波、射频、天线设计工程师的培养
互补管脉冲电路原理及其应用
通常的双管脉冲电路,总是一只管导通,另一只管截止。但是互补管脉冲电路不同,它具有如下特点:
(1)两管同时导通或同时截止。
(2)一端输出波形为陡上升慢下降,另一端输出波形为陡下降慢上升,因此,两端输出通过微分后,就获得一对极性要相反而又十分陡直的尖脉冲。
注意:这种电路引起电源功率波动较大,因为当两管从截止转至导通时,电流从零增至某数值。
一、互补管双稳态电路
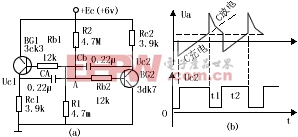
互补管双稳态电路见图1(a)。当接通电源后,若无触发信号作用,由于集极电流极小,Rc1、Rc2的端电压[供电给两管的偏流]也很小,故两管都截止,电路处于一种稳定状态。

图1、互补管双稳态电路
当触发脉冲作用下,设BG1由截止转入放大,并产生下述的雪崩式正反馈过程

很快地使两管饱和导通,处于另一稳定状态,电容C1是加速电容,由图1(b)可见,uc1从Ec陡直地下降至零,而Uc2却从零陡直地上升至Ec。
要使状态回到原来的稳态,必须供给BG1或BG2的基极一个负尖脉冲,正反馈的翻转过程与上述类似,电路图1(C)是单端输出电路,图2是另一类互补双稳电路,它直接从普通的双稳电路转变过来。

二、互补管多谐振荡电路
互补管多谐振荡电路见图3。该电路仍然由两级集基阻容耦合的倒相器组成,当电路接通电源时,两管不能马上导通,因为CA、CB的充电路径是:Ec→R2→CA→Rc1;CB的充电路径是:Ec→Rc2→CB→R1.当CA和CB充电到一定数值后,UCA、UCB作为两管基极回路的正向偏置电压,使Ib1、Ib2增加,由于正反馈的作用,很快地使BG1、BG2饱和,这是一种暂稳态。

图三、互补多谐振荡电路
饱和一开始,CA经Rb2、BG2的发射结构及电阻Rc1放电(CA放完电后,双被Uc1反向对CA充电,这时,UcA为左正右负)而CB通过Rc2、BG1的的发射结及Rb1放电,随着CA、CB放电过程,Ube1不断增加,而Ube2不断减小,直至两管由饱和退至放大状态,从而引起下列“雪崩”式的正反馈:
![]()
结果使BG1、BG2截止,接着CA、CB又进行充电,如此重复。就可获得如图3(b)的输出脉冲波,设电路对称,即CA=CB=C,Rb1=Rb2=Rb,R1=R2=R,Rc1=Rc2=Rc脉冲宽度为:
t1=c(Rb+rbe)In{Ec/[Ubes+(Ec/Rb)Rc]}
t2≈0.7Rc
选择晶体管的β应满足Rb<βRc,根据图3(a)电路的参数可算出t1=10毫秒,t2=750毫秒,占空比(t1/t2)=75.
射频工程师养成培训教程套装,助您快速成为一名优秀射频工程师...
天线设计工程师培训课程套装,资深专家授课,让天线设计不再难...
上一篇:POWER
MOSFET驱动电路应用实例
下一篇:多路开关系统设计详解

