- 易迪拓培训,专注于微波、射频、天线设计工程师的培养
电动车电池容量计解决方案设计
标签:电池容量 电源
1 前言
环境保护(简称环保)是由于生产发展导致的环境污染问题过于严重,首先引起发达国家的重视而产生的,利用国家法律法规约束和舆论宣传而逐步引起全社会重视,由发达国家到发展中国家兴起的一场保卫生态环境和有效处理污染问题的措施。
实际上,不仅电动车需要电池容量计,许多使用电池的场合都对此有迫切的要求。传统的对电池监视的手段仅仅是一块电压表,而电压却不能准确反映电池的容量,经常出现电压正常,却无容量的现象。作为使用者常常感到困惑的就是不知电池还能使用多久,因此影响到许多关键场合的使用,还易出现误判引起事故。因此研制一台反映电池容量的仪器就显得十分必要了。目前国外已有同类产品问世,但可能由于技术保密的原因,未见介绍其实现的方法。
本文以电动车为使用对象,提出了一种采用电量计量方法实现的电池容量计,可在一定条件下计量电池容量。它基于这样一种原理,即对电池充进能量和放出能量进行计算并乘以相应的损失系数从而指示电池的容量(该系数应考虑到充电效率及电池放电电流大小以及其它因素对电池容量的影响)。
2 基本原理
电池的性能参数主要有电动势、容量、比能量和电阻。电动势等于单位正电荷由负极通过电池内部移到正极时,电池非静电力(化学力)所做的功。电动势取决于电极材料的化学性质,与电池的大小无关。电池所能输出的总电荷量为电池的容量,通常用安培小时作单位。在电池反应中,1千克反应物质所产生的电能称为电池的理论比能量。电池的实际比能量要比理论比能量小。因为电池中的反应物并不全按电池反应进行,同时电池内阻也要引起电动势降,因此常把比能量高的电池称做高能电池。电池的面积越大,其内阻越小。
电池的容量除了一些电池本身的因素外,主要取决于充电量和放电量,显然如果始终能记录下电池的充放电情况就可以测出容量。我们设想在传统的单一电池上装备这种称之为电池容量计的仪器以达到显示容量的目的。该容量计动态监视电池充进电量的总和及放出总电量并运算后直观显示。影响电池容量的其它因素综合为一个损失系数,该系数乘以充放电量的算数和即为电池剩余容量。由于电池的种类、大小、性能不尽相同,损失系数是不相同的,主要靠试验获得,故这里不讨论系数问题,只研究完成计量电量功能的电路。
电池容量是指电池存储电量的大小。电池容量的单位是“mAh”,中文名称是毫安时(在衡量大容量电池如铅蓄电池时,为了方便起见,一般用“Ah”来表示,中文名是安时,1Ah=1000mAh)。若电池的额定容量是1300mAh,如果以0.1C(C为电池容量)即130mA的电流给电池放电,那么该电池可以持续工作10小时(1300mAh/130mA=10h);如果放电电流为1300mA,那供电时间就只有1小时左右(实际工作时间因电池的实际容量的个别差异而有一些差别)。这是理想状态下的分析,数码设备实际工作时的电流不可能始终恒定在某一数值(以数码相机为例,工作电流会因为LCD显示屏、闪光灯等部件的开启或关闭而发生较大的变化),因而电池能对某个设备的供电时间只能是个大约值,而这个值也只有通过实际操作经验来估计。
电池充放电有多种方式,恒流、限压、脉冲、负脉冲等等,所以简单地用电流乘以时间计量容量的方式无法适应除恒流外的其他方式,而积分方式又不能适应负脉冲充电的需要,同时它需要时间参数,亦不太适合。无论何种充电方式,其影响电池容量的关键参数即为电流和时间,负脉冲充电情况下只是同时有负电流。为此我们设计了如下工作方式的电池容量计电路,原理方框图见图1。

图1 电池容量计原理框图
首先监测电池的充放电电流,将其转换为电压信号后放大,送入电压频率转换器使其变为频率信号,通过一定方式将计数值显示出来,这就构成了一台电池容量计。实际上,频率的高低代表了电流的大小,电流大则频率高,在同一时间内记录的脉冲个数就多,反之亦然。而充放时间亦反映在对脉冲的计数上,时间长则计数个数多。如此,就利用计数方式完成了对电池充放电量的计算。
在化学电池中,化学能直接转变为电能是靠电池内部自发进行氧化、还原等化学反应的结果,这种反应分别在两个电极上进行。负极活性物质由电位较负并在电解质中稳定的还原剂组成,如锌、镉、铅等活泼金属和氢或碳氢化合物等。正极活性物质由电位较正并在电解质中稳定的氧化剂组成,如二氧化锰、二氧化铅、氧化镍等金属氧化物,氧或空气,卤素及其盐类,含氧酸及其盐类等。电解质则是具有良好离子导电性的材料,如酸、碱、盐的水溶液,有机或无机非水溶液、熔融盐或固体电解质等。当外电路断开时,两极之间虽然有电位差(开路电压),但没有电流,存储在电池中的化学能并不转换为电能。当外电路闭合时,在两电极电位差的作用下即有电流流过外电路。同时在电池内部,由于电解质中不存在自由电子,电荷的传递必然伴随两极活性物质与电解质界面的氧化或还原反应,以及反应物和反应产物的物质迁移。为吉布斯反应自由能增量(焦);F为法拉第常数=96500库=26.8安·小时;n为电池反应的当量数。这是电池电动势与电池反应之间的基本热力学关系式,也是计算电池能量转换效率的基本热力学方程式。
绝对值放大器和可逆计数器二者的结合,实现了对充电中放电间隙(即负脉冲充电)的计量,同时用一套电路完成了充放电两个方向的计算。充电时正向计数,放电时反向计数(减数),用电流的流向控制可逆计数器的计数方向。
3 方案论证及技术关键的解决
3.1 电流取样
电流取样的目的是将电流信号变为电压信号,一般有三种方式:
(1)取样电阻;
(2)分流器;
(3)霍尔器件。
从电动车电池使用来看,电流较大,显然使用取样电阻并不合适,而分流器又太重且体积也较大,不太适用,故霍尔器件较为适用。另外,其尺寸小,重量轻适于在汽车上安装。它的缺点是价格稍贵,但对于汽车上使用的电池价格来讲完全可以忽略。由于选用可以购买到的成熟产品,电路较简单不再列出。[p]
3.2 绝对值放大器
由于充放电电流方向不同,采用绝对值放大器,它将霍尔器件输出的正负信号统一放大为正信号,然后送往压频转换器。
绝对值放大器的设计方法较多,从电源上来看,有单电源、双电源两种方式,采用的运放个数有一个和多个。本机由于采用霍尔器件且为双向电流,故单电源没有优点,而单运放的放大器,电阻取值太多,精度要求高,并且对负载亦应考虑,不太适用。
本机采用由二运放构成的绝对值放大器,选用低失调、低漂移的运算放大器0P-07,精度高且性能不受负载影响,就电池容量计而言,放大器的输出为零,否则经过长期搁置后,容量计由于放大器误差的关系指示充满或放光,产生误判。以高精度、低失调、低漂移设计完成后的样机,满度误差为1mv,零度误差小于1mv.参见图2。

图2 绝对值放大器原理图
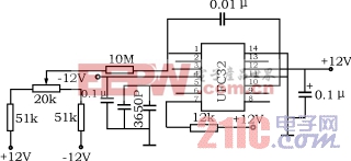
3.3压频转换器
压频转换器是电池容量计的核心部分,负责将放大的信号转换为频率信号,它的线性度和精度直接影响到整机。实现压频转换的方法也有很多种。该器件较好的线性度为全程跟踪精度提供了保证,并以较少的元件使体积缩小,电路原理见图3。

图3 压频转换器原理图
3.4 可逆计数器
计数器部分全部采用CMOS电路,一是功耗低,这对依靠电池本身供电显得极为重要;二是其电平与运放电平匹配,并使显示范围增大。见图4。

图4可逆计数器原理图
采用了14级脉冲进位二进制计数器4020一片,4位可逆二进制计数器4516二片,构成21级计数器。而低14位则仅用来计数并不用作输出,且4020是单向计数,无减法功能。
此种设计有两大优点:
(1)4020是高集成度的计数器,可代替3片半4516来使用,这样大大缩小了体积。
(2)当作加法时,4020可精确到最低位;作减法时,误差为低十四位,但这个十四位也是一次性的最大误差,无累加性,因为电路上采用了异步、同步计数混用的方法。当减去14个数,4020输出异步脉冲4516减“1”,如同作真正减法一样,而4020的数值是不能输出的,这使得结果十分精确。
3.5 控制电路
该部分包含有预置电路、防溢出电路、计数方向控制电路。
本样机为适用范围宽,在计数器的预置和控制电路上均增加了拨动开关,这样可以通过拨动开关设置计数部分初值和终值,可达到检测使用已知电池电容的目的,比较方便。
同时为防计数器双向溢出,分别设置防溢出电路,使计数器计到零和满值时均不再计数,以防错误。
通过对电流流向的比对,输出脉冲控制可逆计数器的计数,构成方向控制电路。
3.6 显示
显示有数字式、指针式两种方式。为保证直观的显示,同时尽可能沿用普通汽车的仪表,仍采用汽车上原有指示电池电压的电压表。而在电压表上设置一个开关,通过它来切换电压、容量的指示,这样较为方便。
这需要将计数器的二进制数转化为电压。显然用D/A转换是可以的,但电路复杂程度上升,成本也有所提高。故为了简化电路我们仅借用D/A转换网络的思想,利用权电阻T形网络将4516的7位数值变换成模拟量输出,推动电压表指示,见图5。

图5显示电路原理图
3.7 工作电源部分
电池容量计不同于其它仪器的是它只能使用电池作为电源,而由于电池电压的变化及波动,直接使用显然是不合适的,为此必须由电池引出产生二次电源。
首先霍尔器件需电源±12V,电路控制计数等部分也亦借用±12V,另外我们考虑到为了使容量指示更直观清晰,其最大电压范围应大些,同时也能充分利用其电压表有效指示。其电压表范围为40V,而电池电压最高为30V,故设定容量指示最大指示为28V,这就需要电源电压为30V.
由于电池起动时有大电流放电,使电压波动十分厉害,约15~30V,为适应其变化,同时减小容量计自身功耗,提高效率,设计全部采用开关电源。
首先+12V的获得是采用LM2575降压调整器,该芯片输入电压可达40V,固定振荡频率52kHz,电压、电流调整率较好,适应容量计的要求。
-12V是利用+12V为输入,通过34063DC/DC变换器加以变换而成。这样损失了部分功率。我们原设计用M2575HV(输入电压60V)由电池电压直接引入,损失较小。故我们在设计中一直在寻找简洁的方法,最后经试验决定利用555振荡器升压并采用倍压整流的方法将12V提升至30V,效果极好,见图6。
4 产品的设计与计算
4.1 电压/频率关系的设定
电压0~10V对应频率0~10kHz

图6 30V电源原理图
电流0~1000A对应电压0~10V
这几个值的选取,综合考虑了霍尔元件、放大器、F/V转换设计的最佳值及试验样机的需要。
4.2 计数位数
4020-14位4516两片共8位,加起来为22位,仅采用21位,其计数个数为:[p]
射频工程师养成培训教程套装,助您快速成为一名优秀射频工程师...
天线设计工程师培训课程套装,资深专家授课,让天线设计不再难...
上一篇:数字电路设计中部分常见问题解析
下一篇:变频器保养技术简介

