- 易迪拓培训,专注于微波、射频、天线设计工程师的培养
使用高频变压器耦合的UPS变换电路
标签:高频耦合 UPS电源
一、引言
由整流和逆变电路组成的UPS变换电路是UPS中的关键组成部分。根据其所采用的功率电子器件和UPS不同的用途,变换电路有很多种类,以适应不同的电压、频率和负载性质的要求。若用于感性负载,UPS的变换电路既要考虑到输出交流又要考虑到负载反馈储能的问题。这就要求能量能在四个象限范围内实现传输。
二、电路的工作原理
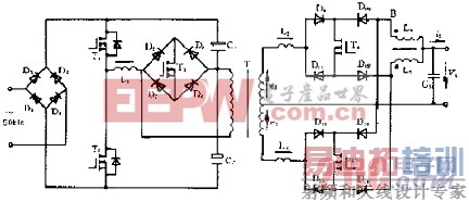
高频耦合UPS的变换电路如图1所示。

图1 变换电路
① D1~D4为整流环节,将市电整流成直流电压Va。
② T1~T2为逆变环节,输出20kHz交流电压,其脉宽由Va和三角波VS比较来调制,如图2(a)所示。
③ 在脉冲间隔期间将T3导通,使变压器T一次侧短路,电压为零,此时磁通暂不变化,能量也暂不释放。高频变压器一、二次电压v1、v2的波形如图2(b)所示。
④ T4、T5及D9~D16构成循环变流器。T4、T5轮流导通,在正半周期将高频正弦波形整流成正方向电压vA;在负半周期时,整流成负方向的电压vB,如图2(c)所示。
⑤ 最后经L4~L5与C3高频滤波器滤波,将20kHz开关频率的谐波滤除后,输出50Hz正弦交流电压vc,如图2(d)所示

图2 波形图
三、电路的运行
负载为感性时,循环变流器一方面将高频交流变换成50Hz交流,一方面又在部分时间里将负载侧的储能反馈至变压器,即能在四个象限里运行。如图2(e)所示滞后于v0的感性负载电流i0。在图中t1~t2期间(第Ⅰ象限 )v0为正,i0为正,电流可经D9、T4、D12流出,输出功率。t0~t1期间(第Ⅱ象限)v0为正,i0为负,电流可经D10、T4、D11流入,负载向变压器反馈储能。第Ⅲ、Ⅳ象限情况类似。
四、换向
由于电流连续,T4、T5必须有一个短时共态导通时间△,这段时间内一个晶体管电流减小,另一个晶体管电流增大,进行换流。此时,变压器的电流和磁势要进行换向。
在第Ⅰ、Ⅲ象限电路处于整流状态时,电源电压较高的一相开始导通后,电源电压使该相电流逐渐增大,迫使原来导通的一相电流减小直至零值。在第Ⅱ、Ⅳ象限电路处于逆变状态时,换向过程与整流状态时相同,但为了获得较大的负电压,逆变控制时间β应尽量减小到接近于换流时间γ。若βγ,在变压器电动势e2不等于零的时期内不能完成电流换向,只能等到晶体管关断时自换向,迫使另一管子电流增大到i0。在自换向电流迅速减小的过程中,变压器漏感将产生较大的尖峰电压,使过电压吸收电路功耗增大。为了使电流能平滑换流,T4、T5两管的共态导通时间△应与换流时间γ相近,而L4及L5的漏感较变压器的漏感大得多,亦可使尖峰电流减小。
五、结论
此电路输出功率为200W,效率为70%,正弦波的谐波含量小于5%,输出电压稳定度约为2%。
参考文献:
1. 张承志 《不间断供电系统》机械工业出版社
2. 苏开才 《功率电子技术》国防工业出版社
射频工程师养成培训教程套装,助您快速成为一名优秀射频工程师...
天线设计工程师培训课程套装,资深专家授课,让天线设计不再难...
上一篇:电源:数字化控制UPS中电池电压的检测方法
下一篇:电源:智能UPS控制技术研究

