- 易迪拓培训,专注于微波、射频、天线设计工程师的培养
DC/DC变换器的典型电路结构
最基本的斩波电路如图1所示,斩波器负载为R。当开关S合上时,UOUT=UR=UIN,并持t1时间。当开关切断时UOUT=UR=0,并持续莎2时间,T=t1+t2为斩波器的工作周期,斩波器的输出波形如图1(b)所示。定义斩波器的占空比D=t1/T,t1,为斩波器导通时间,T为通断周期。通常斩波器的工作方式有两种:一是脉宽调制工作方式,即维持t1不变,改变T;二是脉频调制工作方式,即维持T不变,改变t1。当占空比D从0变到1时,输出电压的平均值从零变到UIN,其等效电阻也随着D而变化。

图1 降压斩波电路原理
在高频稳压开关电源的设计中,普遍采用的是脉宽调制方式。因为频率调制方式容易产生谐波干扰,而且其滤波器设计也比较困难。
(1)降压式(Buck)DC/DC变换器
如图1所示的直流变换器在使用时的输出纹波较大,为降低输出纹波,可在输出端接入电感L、电容C,如图2所示。图中的VD1为续流二极管。降压(Buck)式变换器的输出电压平均值UOUT总是小于输入电压UIN。电路中通过电感的电流(iL)是否连续,取决于开关频率、滤波电感L和电容C的数值。

图2 降压式(Buck)变换器
当电路工作频率较高时,若电感和电容量足够大并为理想元件,则电路进入稳态后,可以认为输出电压为常数。当晶体管VT1导通时,电感中的电流呈线性上升,因而有
式中,ton为晶体管导通时间;iOUT(max)为输出电流的最大值;iOUT(min)为输出电流的最小值;Δion为晶体管导通时间内的输出电流变量。
当晶体管截止时,电感中的电流不能突变,电感上的感应电动势使二极管导通,这时

式中,toff为晶体管截止时间;Δioff为晶体管截止时间内的输出电流变量。
在稳态时

式中,Δi为输出电流变量。
因为电感滤波保持了直流分量,消除了谐波分量,故输出电流平均值为

(2)升压式(Boost)DC/DC变换器
图3为升压式DC/DC变换器,它由功率晶体管VT1、储能电感L、二极管VD1及滤波电容C组成。当功率晶体管导通时,电源向电感储能,电感电流增加,感应电动势为左正右负,负载Z由电容C供电。当VT1截止时,电感电流减小,感应电动势为左负右正,电感释放能量,与输人电压一起顺极性经二极管向负载供电,并同时向电容充电。这样就把低压直流变换成了高压直流。在电感电流连续的条件下,电路工作于如图3(b)所示的两种状态。

图3 升压式(Boost)DC/DC变换器
①当晶体管导通、二极管截止(即0≤t≤t1)期间,t1=0~DT。t=0时刻,VT1导通,电感中的电流按直线规律上升,UIN=LΔI/t1。②当晶体管由导通变为截止(即t1≤t≤T)期间,电感电流不能突变,电感上产生的感应电动势会迫使二极管导通,此时则


式中,ΔI为输入电流变量。
将t1=DT,t2=(1 -D)T代入上式,则求得

Boost DC/DC变换器是一个升压斩波器。当D从0趋近于1时,UOUT从UIN变到任意大。同理可求得输入电流

式中,I 为输入电流;f 为开关转换频率。
若忽略负载电流脉动,那么在[0,t1]期间,电容上泄放的电荷量反映了电容峰-峰电压的脉动量,即输出电压Uo的脉动量。
(3)单端正激式DC/DC变换器
单端正激式DC/DC变换器的电路拓扑如图4所示。图中的变压器T1起隔离和变压的作用,在输出端要加一个电感器Lo(续流电感)起能量的储存及传递作用,变压器初级需有复位绕组Nro。在实际使用中,此绕组也可用R、C、VD吸收电路取代。如果芯片的辅助电源用反激供给,则也可削去调整管的部分峰值电压(相当于一部分复位绕组)。输出回路需有一个整流二极管VD1和一个续流二极管VD2若变压器使用无气隙的磁芯,则其铜损较小,变压器温升较低,并且其输出的纹波电压较小。

图4 单端正激式DC/DC变换器的电路拓扑图
(4)单端反激式DC/DC变换器
单端反激式DC/DC变换器的电路拓扑如图5所示。其变压器T1起隔离和传递储存能量的作用,即在开关管VT开通时Np储存能量,开关VT关断时Np向Ns释放能量。在输出端需加由电感器Lo和两个电容Co组成的低通滤波器,变压器初级有由Cr、Rr和VDr组成的R、C、VD漏感尖峰吸收电路。输出回路需有一个整流二极管VD1。若变压器使用有气隙的磁芯,则其铜损较大,变压器温度相对较高,并且其输出的纹波电压比较大。该变换器的优点就是电路结构简单,适用于200W以下的电源,输出为多路时具有较好的交调特性。

图5 单端反激式DC/DC变换器的电路拓扑图
(5)双管正激式DC/DC变换器双管正激式DC/DC变换器的电路拓扑如图6所示。图中的变压器T1起隔离和变压的用用,在输出端要加一个电感器Lo(续流电感)起能量的储存及传递作用,变压器初级无再有复位绕组,因为VD1、VD2的导通限制了两个调整管关断时所承受的电压。输出回路需有一个整流二极管VD3和一个续流二极管VD4(其中VD3、VD4最好均选用恢复时间快的整流管)。输出滤波电容Co应选择低ESR(等效电阻)、大容量的电容,这样有利于降低纹波电压(对于其他拓扑结构的也是这样要求的)。双管正激式DC/DC变换器的工作特点如下。

图6 双管正激式DC/DC变换器的电路拓扑图
①在任何工作条件下,为使两个开关管所承受的电压不会超过UIN、+Ud(UIN为输入电压;Ud为VD1、VD2的正向压降),VD1、VD2必须是快恢复管(恢复时间越短越好,在实际设计和调试中多使用MUR460)。
②与单端正激式DC/DC变换器相比,它无须复位电路,这有利于简化电路和变压器的设计;其功率器件可选择较低的耐压值;其功率等级也会很大。
③两个开关管的工作状态一致,会同时处于通态或断态。在大功率等级电源中选用此种电路,其开关管比较容易选择,比如选择IRFP460、IRFP460A等作为开关管即可。
(6)双管反激式DC/DC变换器
双管反激式DC/DC变换器的电路拓扑如图7所示。图中的变压器T1起隔离和传递储存能量的作用,即在开关管VT1、VT2开通时Np储存能量,开关管VT1、VT2关断时Np向Np释放能量,同时Ns的漏感将通过VD1、VD2返回给输入,可省去R、C、VD漏感尖峰吸收电路。在输出端要加由电感器Lo和两Co电容组成的低通滤波器。输出回路需有一个整流二极管VD3。双管反激式DC/DC变换器的工作特点如下。

图7 双管反激式DC/DC变换器的电路拓扑图
①在任何工作条件下,为使两个开关管所承受的电压不会超过UIN+Ud(Ud为VD1,VD2的正向压降),VD1、VD2必须是快恢复管。
②在反激开始时,储存在原边Np的漏电感能量会经VD1、VD2反馈回输入端,系统能量损失小,效率高。
③与单端反激式变换器相比,它无须R、C、VD吸收电路;其功率器件可选择较低的耐压值;其功率等级也会很大。
④在轻载时,如果在“开通”周期储存在变压器的原边绕组的能量显得过多,那么在“关断”周期会将过多的能量反馈回输入端。
⑤两个开关管的工作状态一致,下管的波形会优于上管的波形。
(7)半桥式DC/DC变换器
半桥式DC/DC变换器的电路拓扑如图8所示。图中的变压器T1,起隔离和传递能量的作用。开关管VT1导通时,Np绕组上承受一半的输入电压,副边绕组电压使VD1导通;反之亦然。输出回路VD1,VD2,Lo,Co共同组成了整流滤波电路。

图8 半桥式DC/DC变换器的电路拓扑图
此电路减小了原边开关管的电压应力,所以是目前比较成熟和常见的电路;有70%以上的计算机电源、60%的电子镇流器都使用此电路。半桥式DC/DC变换器的工作特点如下。
①两个调整管都是相互交替打开的,所以两组驱动波形的相位差要大于180°,且存在一定的死区时间。
②C1=C3、R1==R2。
③C1、C2主要用来自动平衡每个开关管的伏秒值。许多半桥DC/DC变换器的C1、C2多选用高压铝电解电容。因为铝电解电容存在一个高频特性的问题,在实际应用中可采用CBB电容。
④C3主要用来滤去影响伏秒平衡的直流分量,应采用CBB电容。
(8)全桥式DC/DC变换器
全桥式DC/DC变换器的电路拓扑如图9所示。全桥式DC/DC变换器多用于大功率等级电源中,其主要特点如下。

图9 全桥式DC/DC变换器的电路拓扑图
①变压器的利用率比较高,空载能量可以反馈回电网,电源效率高。
②稳态无静差,动态响应速度快,系统稳定,抗高频干扰能力强。
(9)推挽式DC/DC变换器
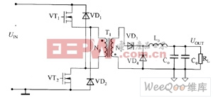
推挽式DC/DC变换器的电路拓扑如图10所示。图中的变压器T1起隔离和传递能量的作用。在开关管VT1开通时,变压器T1的Np1绕组工作并耦合到副边Ns1绕组,开关管VT关断时NNp1向Ns1释放能量;反之亦然。在输出端由续流电感器Lo和VD1、VD2构成副边整流电路。在设计电路时,开关管两端应加由R、C组成的吸收电路,以吸收开关管关断时所产生的尖峰浪涌。推挽式DC/DC变换器的的工作特点如下。

图10推挽式DC/DC变换器的电路拓扑图
①在任何工作条件下,开关管都承受两倍的输入电压,所以此电路多用于大功率等级的DC/DC电源中。
②两个开关管都是相互交替打开的,所以两组驱动波形相位差要大于180°,并存在一定的死区时间。
射频工程师养成培训教程套装,助您快速成为一名优秀射频工程师...
天线设计工程师培训课程套装,资深专家授课,让天线设计不再难...
上一篇:采用PWM技术控制的DC/DC变换器
下一篇:电压、电流的反馈控制模式

