- 易迪拓培训,专注于微波、射频、天线设计工程师的培养
精密稳压、稳流电源
(1)稳压/稳流(CV/CC)电源的工作原理 CV/CC电源通常是以线性调整 原理构成的电源,图1是它的典型电路。图中误差放大器AU在电压控制通路内,AI在电流控制通路内。它们的输出通过二极管组成的“或”门与输出调整管的基极相接,这个“或”门确保调整管由输出电压较高的误差放大器AU或AI驱动。当CV/CC电源的输出电流Iout不高时,即


图1 CV/CC电源的典型电路
稳压部分工作。式中,U'r是电流通路中放大器AI的基准电压,通过改变这一电压可改变输出电流的设定值Io。此时,放大器AI无输出,调整管仅受放大器AU控制,输出电压将稳定在式(7-4)给出的数值上

式中 Rf——反馈电阻。
输出电流Iout一旦超过Io,放大器A1开始动作。电源便转人稳流工作状态。这时,电路的稳流控制有效,稳定的负载电流为

可见,改变电路内Rf和Ur可在宽范围内平滑地控制输出电压和输出电流;自动进行稳压(CV)到稳流(CC)或从稳流(CC)到稳压(CV)的转换。因为二极管“或”门的开启电压仅为0.5~0.7V,因此,Au、AI若选用高增益运算放大器,其输入端只需很小的电平位移,就能实现稳压、稳流控制。
(2)高稳定性稳压电源 精密测量中,有时要求电源的稳定性等于或优于10-6数量级(10min)。为了达到如此高的稳定性,在电源设计制作时,往往要采取一些特殊的措施。图2所示为光电稳压电源框图。

图2 光电稳压电源框图
图2中,标准电池E与检流计串联后,跨接在输出电压两端。正常情况下,取样比较回路的电流为0,检流计的小镜子和光敏元件处在平衡位置上。输出电压波动时,平衡状态被破坏,取样比较回路的电流不为0,检流计偏转,照射在光敏元件上的光影发生变化,从而产生偏离信号。调整电路受此偏离信号控制,强迫输出电压恢复到正常值,这样就实现了稳压。
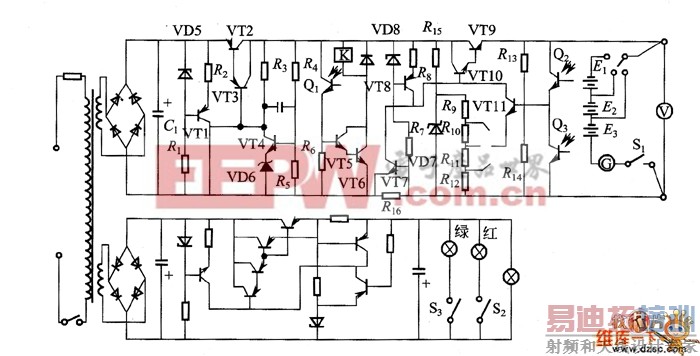
图3是一种实际使用的光电稳压电源的电路图。它主要由整流滤波电路、预稳电路、光电放大电路、调整电路、继电保护电路及检流计光源系统组成。VT2、VT3等构成预稳电路,VT4为预稳误差放大器,VT1、VD5和R2是VT4的恒流源负载,用来提高放大电路的放大倍数。VT9、VT10等构成调整电路,VT11是误差放大器,VT8、VD8和R8是VT11的恒流源负载。误差放大器的比较基准由R15、R9~R12及稳压管VD7组成,输出电压用Q2、R13与Q3、R14取样。电路图中的VT7、R16用作过流保护;VT5、VT6、Q1和继电器构成的保护系统,用来保护检流计和标准电池。取样比较回路过载时,光线偏离光敏三极管,继电保护电路动作,自动切断取样回路中的开关。

图3 光电稳压电源的电路图
射频工程师养成培训教程套装,助您快速成为一名优秀射频工程师...
天线设计工程师培训课程套装,资深专家授课,让天线设计不再难...
上一篇:如何正确使用和维护UPS电源
下一篇:变频器节能与控制方式

