- 易迪拓培训,专注于微波、射频、天线设计工程师的培养
隔离型开关电源的基本电路
隔离型开关电源实际上是非隔离型开关电源的电路变形,其工作的基本原理以及能量的传递形式本质上并无差别。根据能量传递具体方式上的差异,隔离型开关电源有正激、推挽等五种基本电路。
(1)正激式变换器 正激式变换器指的是在开关导通期间将输人能量通过变压器传递到输出的变换器。
①单管正激式变换器。图1示出的是在单管正激式变换器电路。基本工作原理如下:开关管VT导通时,输入电压Uin,几乎全部加在变压器初级线圈两端;次级线圈上感应的电压使VD1导通,并将输入的能量传送给扼流圈Lo、电容器Co和负载。与此同时,在变压器中建立磁场。VT截止时,VD1截止,Lo中储存的能量通过续流二极管VD2继续向负载供电。输出端电压的稳定是通过改变作用在VT上的斩波脉冲的占空比实现的。

图1 单管正激式变换器电路
图1中的变压器具有三种功能:隔离、输入和输出。它将开关晶体管斩波后的高频脉冲耦合到输出整流回路;VT截止期间,通过附加的去磁线圈和二极管VD3,将储存在绕组里的磁场能量返回输入。因此,每个周期开始时,变压器铁芯的工作点都返回到零。
当开关管的极限值Uceo(基极开路时集电极和发射极之间的击穿电压)小于2倍Uin时,为了使它工作在安全区,应增加虚线所示的附加电路,以此降低集电极电压和集电极电压的上升速率。VT一截止,变压器初级线圈里的电流就开始通过二极管VD4向电容C)充电;VT一导通,C1就通过电阻器R1放电,释放储能。为了防止过大的浪涌电流,R1应足够大。
正激式能量传递电路的优点是输出端纹波比反激式的纹波低。但用作多输出变换器时,每一输出都需要一只次级线圈、两只二极管、一只扼流圈和一只电解电容器。
②双管正激式变换器。图2示出的是双管正激式变换器电路图。其工作原理与单管式类似,两只晶体管同时导通和截止。晶体管截止时,初级线圈两端的电压极性反相,初级电流通过二极管VD3和VD4返田输入端,二极管把两只晶体管上的最大集射极电压限制为输入电压Uin。因为电路中不需要附加去磁线圈,所以变压器设计比较简单;因为消除了降低集射极电压上升速率的缓冲电路,放电电路有较高的效率。缺点是需要两只功率管和比较复杂的驱动电路。

图2 双管正激式变换器电路
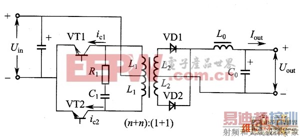
(2)推挽式变换器 常规推挽变换器由两只推挽工作的正激式变换器构成,如图3所示。开关管VT1和VT2交替工作,二极管VDI和VD2对变换到次级的电压进行整流。经滤波后得到满足输出要求的直流电压。

图3 常规推挽变换器
这种工作方式输出的功率比前两种单级电路高;产生的输出纹波比单级电路低,纹波的频率加倍。VT1、VT2集电极承受的电压是输人电压的两倍(若考虑变压器漏感的作用,还应加上由此产生的尖峰电压)。驱动脉冲(驱动VT1或VT2的脉冲)的最大占空比γ不能超过50%。
上述电路次级以全波中心抽头方式整流。
射频工程师养成培训教程套装,助您快速成为一名优秀射频工程师...
天线设计工程师培训课程套装,资深专家授课,让天线设计不再难...
上一篇:变频器节能多少或节电率高低的几点原则
下一篇:无磁隙输出变压器的单端放大器研究

