- 易迪拓培训,专注于微波、射频、天线设计工程师的培养
高频开关用变压器耦合驱动
录入:edatop.com 点击:
1)进行电气隔离
当驱动电路的浮地电位与被驱动的开关管源极电位不同时,应该采用电位隔离的方式驱动,其方法之一是用变压器耦合隔离驱动,这样可以传输足够大的驱动电压和驱动电流。
2)电路
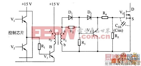
采用变压器耦合的驱动电路如图1所示。图中V1和V2为控制集成芯片的输出级,V3为加人的功率放大级以驱动变压器的初级。变压器的初、次级对应端用“·”表示。
(1)上升沿:驱动脉冲电压前沿V3导通,带“·”的A端为正,变压器次级绕组的电压us为正,“·”端的输出电流经D1、D2、R4,对V5功率MOSFET管的栅一源极之间的电容充电,迅速建立起驱动电压。

图1采用变压器耦合的驱动电路
(2)下降沿:V3截止时,“·”端a为负,经过R2产生V4基极电流,经V4放大后有足够的集电极电流使V5的栅一源极之间电容CGS迅速放电。
射频工程师养成培训教程套装,助您快速成为一名优秀射频工程师...
天线设计工程师培训课程套装,资深专家授课,让天线设计不再难...
上一篇:集成PFC整流器-调节器的优、缺点
下一篇:高频开关电源的离散PID算法
射频和天线工程师培训课程详情>>

